EasyManua.ls Logo

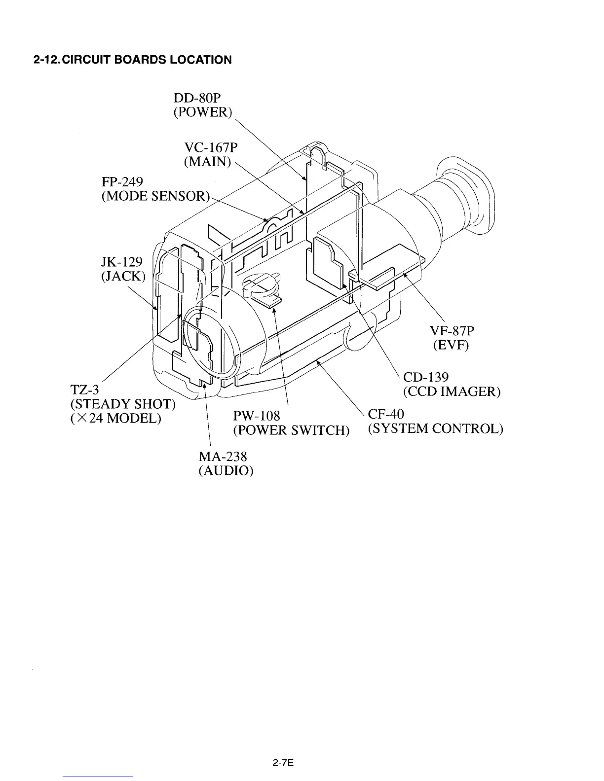
Sony CCD-TR510E - Circuit Boards Location

Sony CCD-TR510E
276 pages
Print Icon
To Next Page IconTo Next Page
To Next Page IconTo Next Page
To Previous Page IconTo Previous Page
To Previous Page IconTo Previous Page
Loading...

Table of Contents

Related product manuals