EasyManua.ls Logo

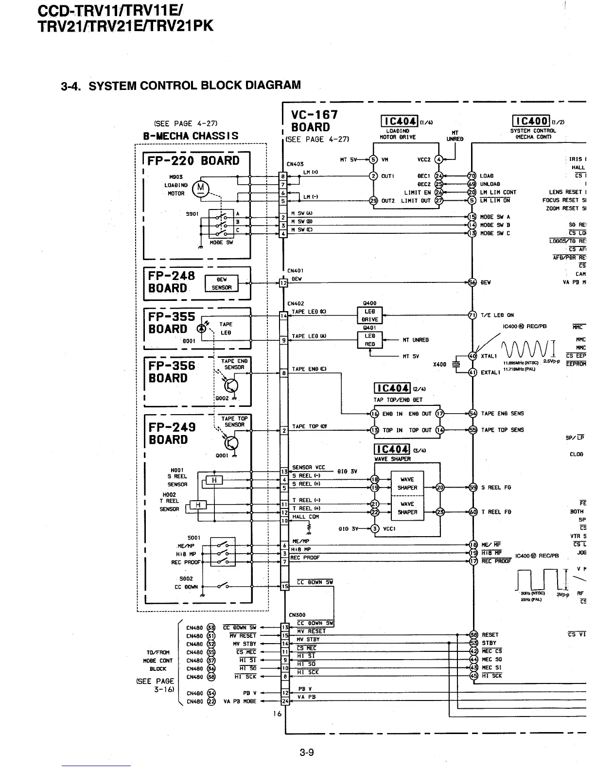
Sony CCD-TRV11 - System Control Block Diagram

Sony CCD-TRV11
232 pages
Print Icon
To Next Page IconTo Next Page
To Next Page IconTo Next Page
To Previous Page IconTo Previous Page
To Previous Page IconTo Previous Page
Loading...

Table of Contents

Related product manuals