EasyManua.ls Logo

Sony CDP-557ESD - IC Block Diagrams; Waveforms

Sony CDP-557ESD
33 pages
Print Icon
To Next Page IconTo Next Page
To Next Page IconTo Next Page
To Previous Page IconTo Previous Page
To Previous Page IconTo Previous Page
Loading...
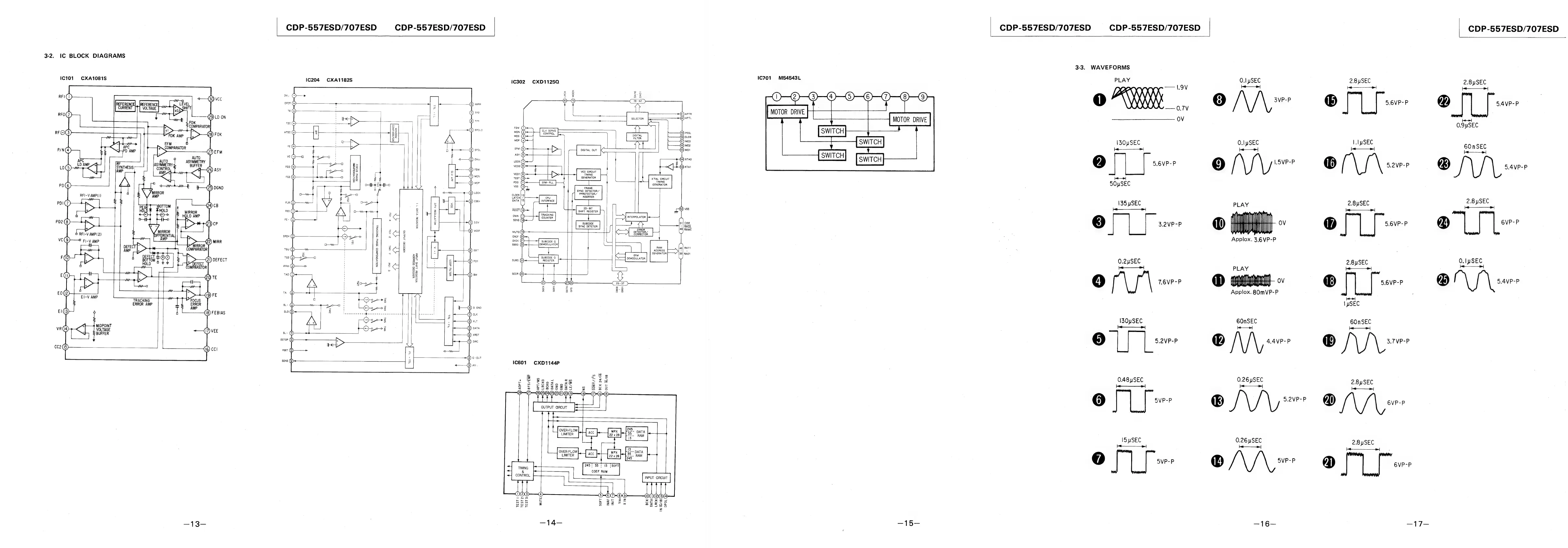
3-2.
ic
BLOCK
DIAGRAMS
1C101
CXA1081S
O
RFI-V
AMP(
2)
~
FI-V
AMP
1C204
CXA1182S
CDP-557ESD/707ESD
CDP-557ESD/707ESD
NOILYSN3IdW8O
3SVHd
SNDO04
YOLVYEVdNOD
MOGNIM.
SAL
SWL
Y3G093G
LAdLNO
wacoogaG
ssaycav
YALSI9IW
LdIHS
LNdNE
9
>
4
>
D
in
a
a
4
m
a
2
Q
o
%
pa
ta
a
m
a
iC302
CXD11250
FSW
iow
Da
CLV
SERVO
oy
CONTROL
MOS
MDP
a
EFM
>
i
a
LOCK
vcot
vss
(12)
CLOCK
113
LATCH]
|
DATA
|15
sens
(i
mee
9
>
0
ree
}
roo
(i=
——[
er
F
RESET
(8)
ee
Eun
TRACKING
(8)
Lack
(3)
wock
CPU
INTERFACE
COUNTER
1
DAI6
DAOI
Lt
SELECTOR
FRAME
SYNC
DETECTOR”
PPROTECTOR/
INSERTER
23-BIT
SHIFT
REGISTER
SUBCODE
SYNC
DETCTOR
—-
MUTG
(19)}—-»>—
CRCF
Cy
exck
QI)
SUBCODE
Q
=
1
ae
SUBQ
SCOR
be
5)
—~22)
G8)
C
29-37)
x“
a
~~
-
8
8
2&8
Es
(C601
CXD1144P
Is
Gi
IS
i
Zo
-
at)
re
a
a
NN
xo
<
ale
>
.-
Se
©
FRSERESSED
5
azo
S£3538a665884
2
Bas
C8-—=2?)
222!)
ING
ROL
SUBCODE
Q
REGISTER
DIGITAL
OUT
VCO
CIRCUIT
TIMING
GENERATOR
ie
245!
35
|
13
{SOFT
TIM
&
COEF
RAM
+4
i
SOFT
INAF
INIT
X'TAL
CIRCUIT
TIMING
GENERATOR
ADDRESS
GENERATOR
€0)
nf?
APTR
APTL
VSS
C4M
RACS
RAWE
RA11
RAQ1
1C701
M54543L
2)—-@)
+)
+)
—)
room}
}
|
MOTOR
DRIVE
|
&
Se
SWITCH
CDP-557ESD/707ESD
CDP-557ESD/707ESD
3-3.
WAVEFORMS
PLAY
1
PY
-
——0.7V
OV
i30uSEC
|<»
2]
5,6VP-P
>
50pSEC
135
ySEC
[<>
@
3.2VP-P
0.2yuSEC
~<———>
4]
7.6VP-P
ISOySEC
<->
5]
5.2VP-P
O48ySEC
——————_+r
@
ey
IS
SEC
@
5VP-P
8
0.1
pSEC
|<»
3VP-P
0.1
SEC
<>
|.5VP-P
®
Applox.
3.6
VP-P
PLAY
CTA
OV
Applox.
80mVP-P
60nSEC
}+-——»|
N\\\y
4.4VP-P
®
0.26ySEC
<——-»
5.2VP-P
0.26
ySEC
bt}
5VP-P
2.8ySEC
<>
|
|
|
5.6VP-P
1.1
SEC
}<—|
@
[\f\
5.2VP-P
2.8ySEC
bt»
@
|
|
|
5.6VP-P
2.8ySEC
<>
@
|
|
|
5.6VP-P
jt}
|
SEC
6OnSEC
~<——»-|
®
2.8uSEC
@
28SEC
|
@
CDP-557ESD/707ESD
2.8ySEC
a
22)
|
|
|
5
AVP-P
>|
O.9ySEC
60nSEC
}-~<———-—-|
®)
5.4VP-P
2.8ySEC
)
6VP-P
O.1pSEC
}<-————
>
25)
5.4VP-P

Other manuals for Sony CDP-557ESD

Related product manuals