EasyManua.ls Logo

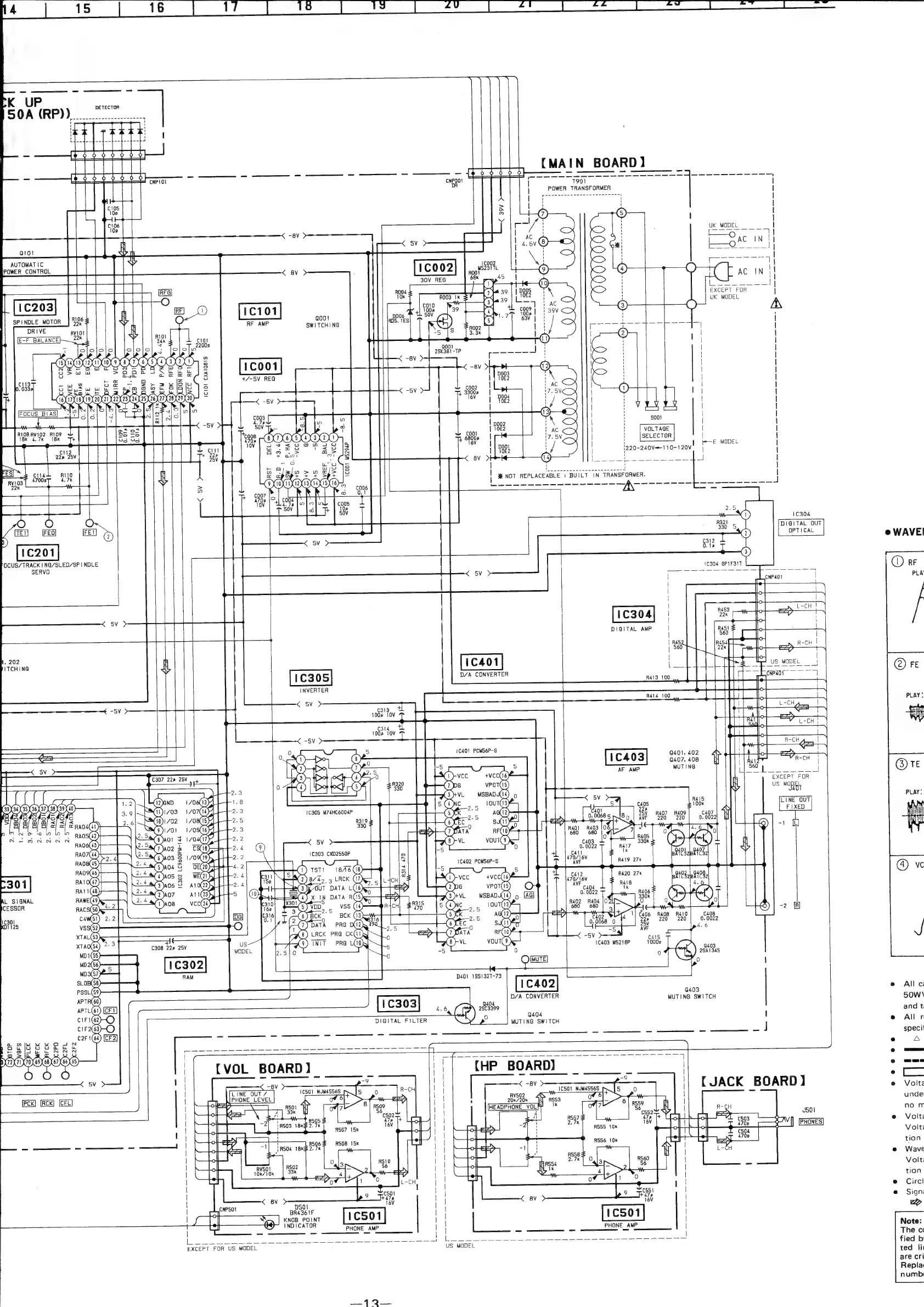
Sony CDP-70 - 3-3. SCHEMATIC DIAGRAM

Sony CDP-70
20 pages
Print Icon
To Next Page IconTo Next Page
To Next Page IconTo Next Page
To Previous Page IconTo Previous Page
To Previous Page IconTo Previous Page
Loading...
K
UP
DETECTOR
SOA
(RP))
=
t '
fe)
—_aanae
eee
ee
Oe
———_CNPIOI
CNPOO!
~|
DR
Qoo1
SWITCHING
‘3
o
SS
3
i=)
3
1c001
+/-SV
REG
IC1O1
CXA1081S
FOCUS
BIAS)
_-
y
02
R109
kK
18k
+
R108
RV
cz
cig
Sta:
cust
RIO
47k
EXCEPT
FOR
UK
MODEL
soot
VOLTAGE
SELECTOR
he-E
MODEL
OCUS/TRACK
|NG/SLED/SP
|
NDLE
SERVO
INVERTER
C313
100u
10V
A
ESS
|
2
oy
bg
3
5 §
Sece
Paes
WHER
Vn
en
cos
os
OO
an
aN
RRNN
AN
WO
UW
DY
wor
¥
170
woz
&
a
A03
8
1/0
|
aos
&
su
AOS
&
I
woe
S
At
ont
A
a
Ae
C308
22%
25V
D/A
CONVERTER
Hy
yp
2
MUTE
1C304
DIGITAL
FILTER
te
D401
18S132T-73
te
10402
D/A
CONVERTER
4.6
(.?)
ar
in
RS
MUTING SWITCH
MUTING
SWITCH
cNP4O1
|
Te}
a
|
L-CH
|
o
i
DIGITAL
AMP
a
wan
ines
i
US
MODEL}
cna
Pate
ei
Pr
i
:
L.
pa
is
Re
VL-cH
|
EC
ae
|
ee)
re
401,
402
(je
ears
Q407,
408
habe
VR-CH
MUT
ING
560
\
i
EXCEPT
FOR
Sn
LINE
OUT
FIXED
2
B
B
40)
4.6
L
R402
R404
10
30K
|
NAT
AOS
680
680
|
“ie
4
>
ow
Mop
(406
R408
R4IO}
C408
0.0068
0
a
oat
220
=
=220
eee
ay
AVE
ps.
=
=
C415
1C403
M5218P
1000p
9403
0 2SA1365
A)
a403
RVSO!
R502
Befoe
|
33K
D501
BR4361F
KNOB
POINT
INDICATOR
PHONE
AMP
wee
PHONE
AMP
EXCEPT
FOR
US
MODEL
US
MODEL
(ee
{
JACK
BOARD]
Pane
LeveL
a
J501
e
WAVE!
e
Allc
50W\
and
t.
e
All
r
speci
Voltz
unde
no
r
e
Volt
Volt
tion
e@
Wave
Volt
tion
e
Circl
e
Sign

Related product manuals