EasyManua.ls Logo

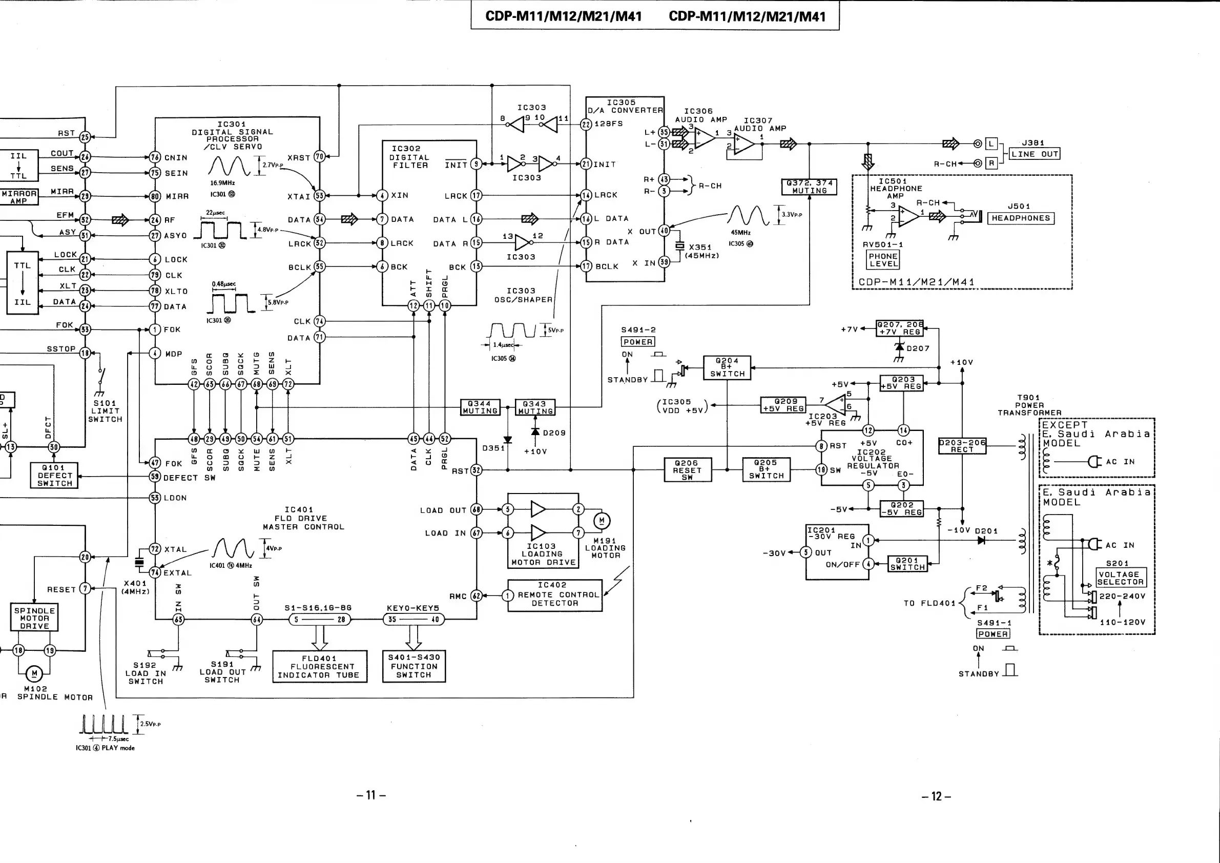
Sony CDP-M11 - Circuit Diagrams and Signal Analysis; Main Schematic Diagram

Sony CDP-M11
27 pages
Print Icon
To Next Page IconTo Next Page
To Next Page IconTo Next Page
To Previous Page IconTo Previous Page
To Previous Page IconTo Previous Page
Loading...
|
CDP-Mii/Mi2Z/M21/m41
CDP-M1t/Mi2/M21/MA1
|
1/M12/M21/M41
CDP-M11/M12/M21/M41
IC305
PHONE
LEVEL
CDP-M11/M21/M414
SOR
RRO
DORE
ER
EOE
wE
EEE
wes
CemmEwEes
emewwe
sr
ewwene
es:
D/A
CONVERTER]
10306
AUDIO
AMP
16307
IC304
ay
3
AUDIO
AMP
AST
G9
DIGITAL
SIGNAL
a!
3
:
/CLV
SERVO
“aes
27
2
>
—©)
[1
|
J384
TIL.
-p.
6OUt
CNIN
xrst
(70)
DIGITAL
x
LINE
DUT
sens
LGN
Ae
FELTER
y
pce
Oli
TTL
27)
SEIN
aa
SE
T777-7
ERR
16.9MHz
ae
HEADPHONE
MIRROR]
MIRA,
(9)
1c301
@
a
1
AMP
EFM,
62)
p>
ae
H
a[
>
Lp
—o
HEADPHONES
Caw
Aries
|
,
1c301
@
|
AV504~4
}
H
H
L
bee
ere
wee
ren
a
meee
es
seeeewe:
FOK
6)
Bie
8491-2
£7V
oe
ae
[PoweR]
SSTOP
G9
G)
ergeeaey
D207
t
>
az04
+40V
fle
eeeeete
STANDBY
D
a
T9014
2
10305
Q209
POWER
VOD
+5V
ae
ES
TRANSFORMER
b
eS
ee
ee,
af
a
TEXCEPT
|
a a
1E,
Saudi
Arabiar
(3)
60)
|
{MODEL
Q104
qeoes
Beoe
Gi)
sw
RESULATOR
ie
———{f
ac
In
i
DEFECT
SW
SWITCH
-5V
ee
een
ere
SWITCH
SEERA
ERD
Cok
fea
:
rE,
Saudi
Arabia}
}MODEL
i
1c404
H
FLD
DRIVE
MASTER
CONTROL
H
-10V
p204
H
LOAD
IN
:
cone
4Vp.
!
(20)
evar
fovee
LOADING
-30V
i
t
1401
@
4MHz
MOTOR
DAIVE
|
x
$204
VOLTAGE
(1)
=
Bs
H
SELECTOR]
|
(4MHz)
amc
(62)
pemee,
|B
H
220-240v
|
TO
FLD404
H
H
SPINDLE
S1-S16,.1G6-86
KEYO-KEYS5
Fi
H
4
MOTOR
H
H
DAIVE
$491-4
'
410-120v
|
1
LC
POWER
bee
eemenns
meen
ene
ene
wns
enon
een
(18)
(1)
ON
cL
aa
a
eAG4
FLD404
$401-S430
|
$192
FLUORESCENT
FUNCTION
(™)
LOAD
IN
LOAD
OUT
INDICATOR
TUBE
SWITCH
stanoay
LL
SWITCH
SWITCH
M102
RR
SPINDLE
MOTOR
~+-—-7.
5ysec
C301
@
PLAY
mode
Ate
-12-

Related product manuals