EasyManua.ls Logo

Sony CDP-S1 - Page 12

Sony CDP-S1
22 pages
Print Icon
To Next Page IconTo Next Page
To Next Page IconTo Next Page
To Previous Page IconTo Previous Page
To Previous Page IconTo Previous Page
Loading...
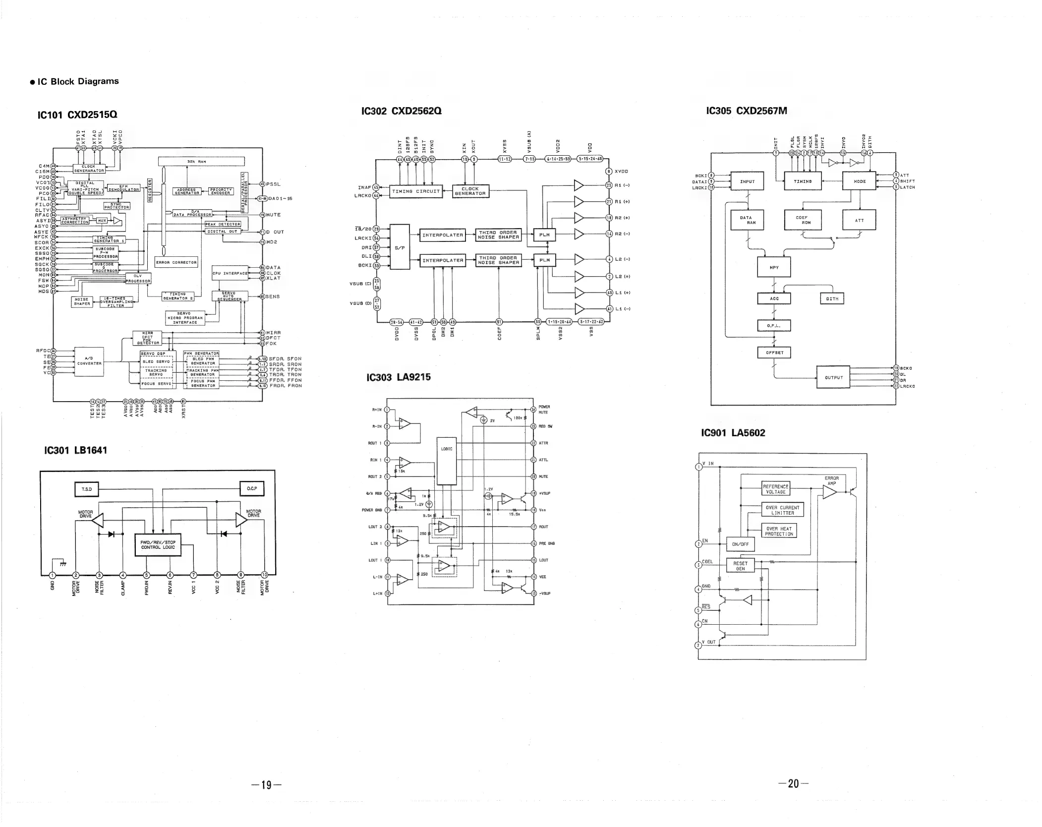
e
iC
Block
Diagrams
IC101
CXD25150
Hw
x
[s)
>
0)
ie}
ie}
a
>
X13)
32k
RAM
DIGITAL
PLL
EFM
VARI-PITCH
DEMODULATOR
DOUBLE
SPEED
ij
REGISTEA
aie
Te=
TIMES
|
eet
W—OVERSAMPLING
FILTER
MICRAQ
PROGRAM
INTERFACE
MIRA
OFCT
FOK
DETECTOR
avo
1
SLED
PWM
CONVERTER
GENERATOR
eee
meee
fo
|
bene
eee
eee
C07)
QNDE)
LONE)
—)
O08
g288
8333
o
i
S
1C301
LB1641
FWO/REV/STOP
CONTROL
LOGIC
z
Zz
FA
@
CLAMP
(2)
vec
1)
vec
2
(@)
MOTOR
DRIVE
NOISE
FILTER
NOISE
FILTER
MOTOR
,
DRIVE
IC302
CXD25620
SYNC
()
DINT
(5)
512Fs
(f)
INIT
SRON
TFON
TRON
FFON
FRON
XOUT
xv8sS
VSUB
(A)
vooe2
XVDD
Ri
-)
CLOCK
GENERATOR
Ra
(+)
Re
(+)
>
a
>.
iar
Re
(-)
Le
(-)
.
Le
(+)
La
(+)
La
{-)
3.
+62
SPLM
vss
coer
@)
Tt
vss2
POWER
MUTE
REG
SW
ATTR
ATTL
MUTE
(i9)
+vsuF
Veo
IC305
CXD2567M
OFFSET
IC901
LA5602
REFERENCE
VOLTAGE
OVER
CURRENT
LIMITTER
OVER
HEAT
PROTECTION
ON/OFF
OUTPUT

Related product manuals