EasyManua.ls Logo

Sony cfd-s27 - Upper Cabinet Section

Sony cfd-s27
36 pages
Print Icon
To Next Page IconTo Next Page
To Next Page IconTo Next Page
To Previous Page IconTo Previous Page
To Previous Page IconTo Previous Page
Loading...
– 48 –
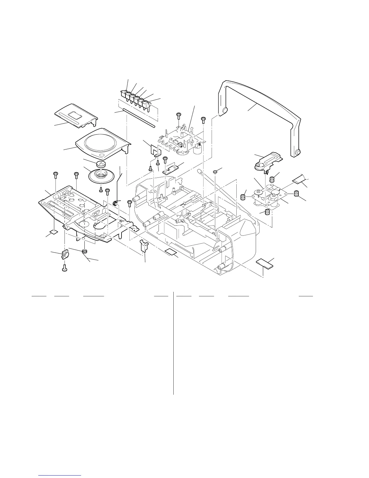
Ref. No. Part No. Description Remark Ref. No. Part No. Description Remark
51 3-009-208-01 SPRING, CASSETTE UP
52 3-922-112-11 DAMPER
53 3-009-186-41 CABINET (UPPER)
54 3-009-209-01 SPRING, CD UP
55 1-452-899-11 MAGNET
56 3-019-395-01 PLATE, CHUCKING
57 3-009-187-41 LID, CD
58 X-3375-399-1 HOLDER ASSY, CASSETTE
* 59 3-009-206-01 SHAFT (MD)
60 3-009-196-31 BUTTON (REC)
61 3-009-199-31 BUTTON (PLAY)
62 3-009-198-31 BUTTON (REW)
63 3-009-197-31 BUTTON (FF)
64 3-009-200-31 BUTTON (STOP)
65 3-009-195-31 BUTTON (PAUSE)
66 4-951-620-01 SCREW (2.6X8), +BVTP
* 67 1-666-265-11 REC SW BOARD
68 3-009-201-31 HANDLE
69 3-923-736-01 COVER, CD
70 1-777-955-11 WIRE (FLAT TYPE) (16 CORE)
71 3-910-095-31 RUBBER, VIBRATION PROOF (RED)
72 3-910-095-21 RUBBER, VIBRATION PROOF (GREEN)
73 1-639-678-12 CD MOTOR BOARD
74 3-009-214-01 SPRING, REC
75 3-015-646-01 CUSHION (CD)
76 3-923-151-01 CUSHION, RUBBER
77 7-623-957-11 SPACER (PICK)
78 3-831-441-99 CUSHION, SPEAKER
S871 1-692-960-11 SWITCH, PUSH (1 KEY) (DOOR OPEN/CLOSE)
6-2. UPPER CABINET SECTION
S871
#1
#1
#1
#1
#1
#1
#1
#1
#2
#6
51
52
53
54
56
55
57
76
58
59
66
67
74
68
69
70
71
71
72
72
78
60
61
62
63
64
65
73
MF-V10-117
KSM-213CDM
75
77

Related product manuals