EasyManua.ls Logo

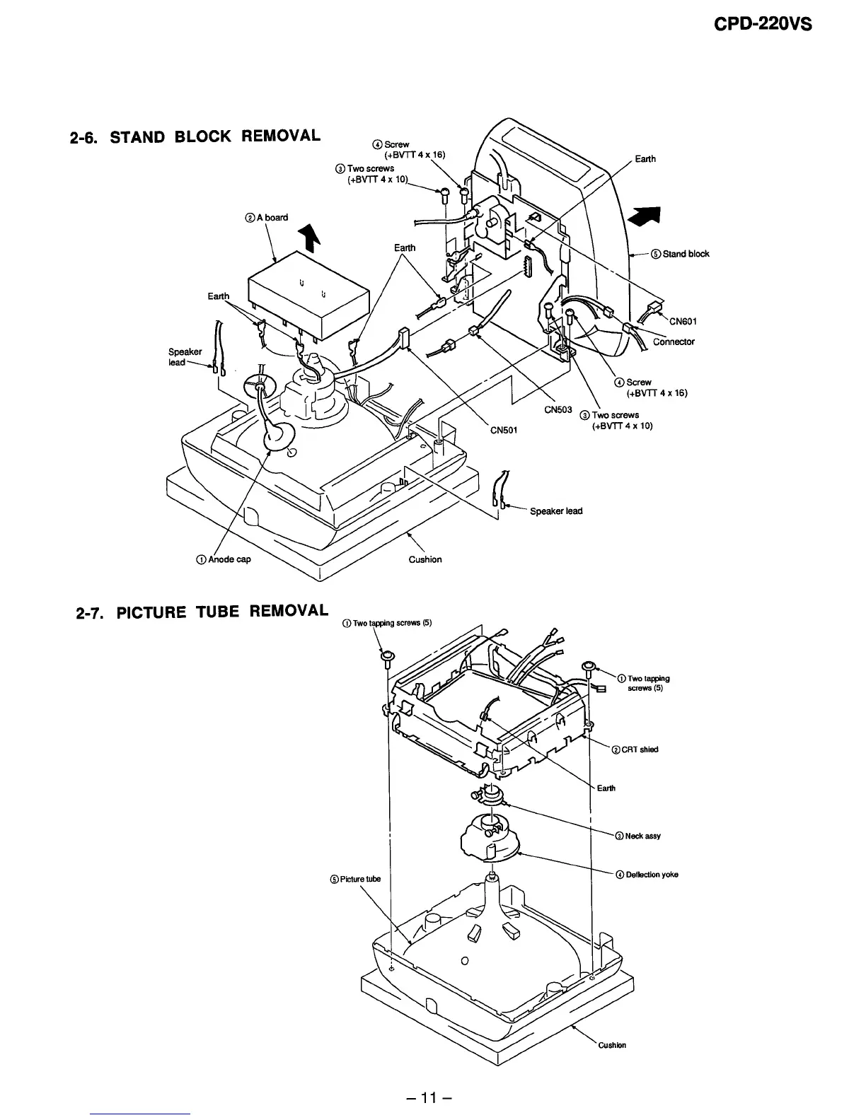
Sony CPD-220VS - Stand Block Removal; Picture Tube Removal

Sony CPD-220VS
42 pages
Print Icon
To Next Page IconTo Next Page
To Next Page IconTo Next Page
To Previous Page IconTo Previous Page
To Previous Page IconTo Previous Page
Loading...

Related product manuals