EasyManua.ls Logo

Sony CPD1425 - DAS System Setup Illustration

Sony CPD1425
9 pages
Print Icon
To Next Page IconTo Next Page
To Next Page IconTo Next Page
To Previous Page IconTo Previous Page
To Previous Page IconTo Previous Page
Loading...
Computer Monitors Service Bulletin No. 34R13
Page 6 of 9
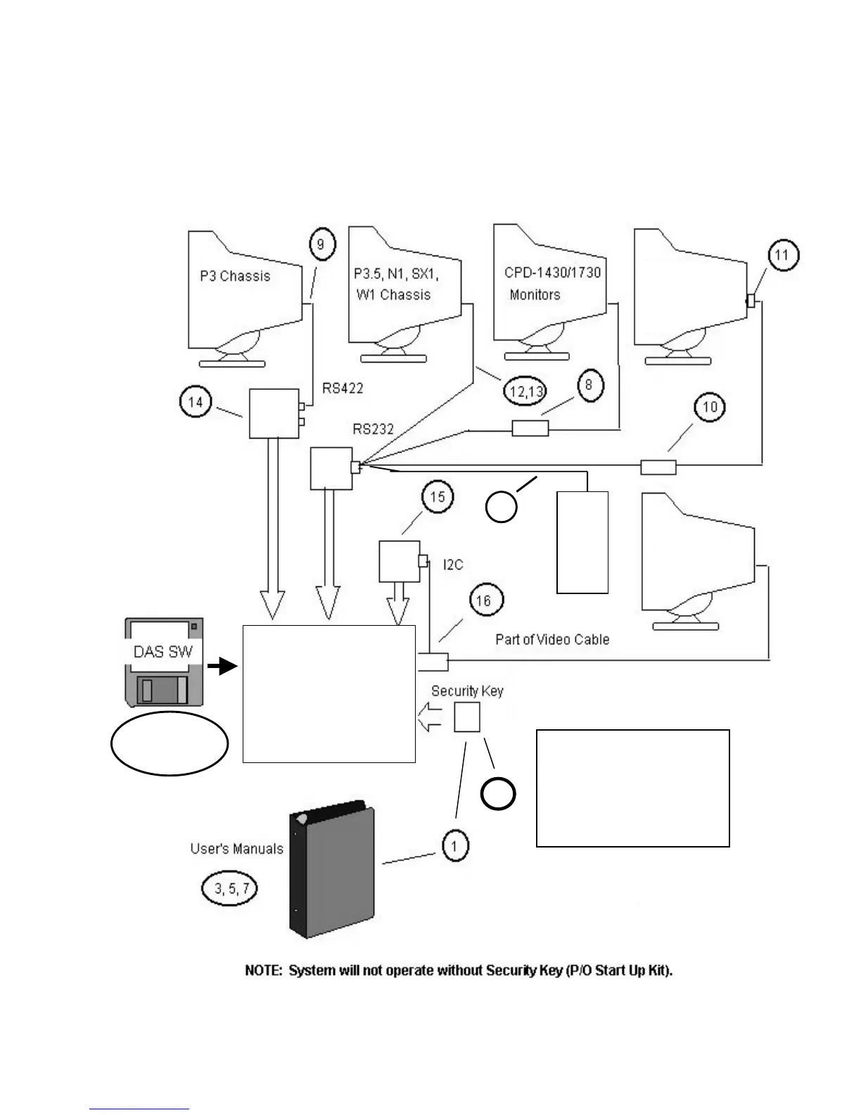
DIGITAL ALIGNMENT SYSTEM DAS SET UP
Personal Computer
2, 4, 6, 19 Win & J Ver. Chassis List
CR1, D1, D1H, D1P, D98,
D99, D99C, F99, G1,
G1W, HIT, L181, N2, N2H,
N3, N3P, V2, V3, X1, X2,
X2R, X2F, 17VC
200SX, H1
X-110, X11R
Win & J
Type
Chassis
ST5
17
18

Related product manuals