EasyManua.ls Logo

Sony CX-LDB10 - Page 32

Sony CX-LDB10
52 pages
Print Icon
To Next Page IconTo Next Page
To Next Page IconTo Next Page
To Previous Page IconTo Previous Page
To Previous Page IconTo Previous Page
Loading...
32
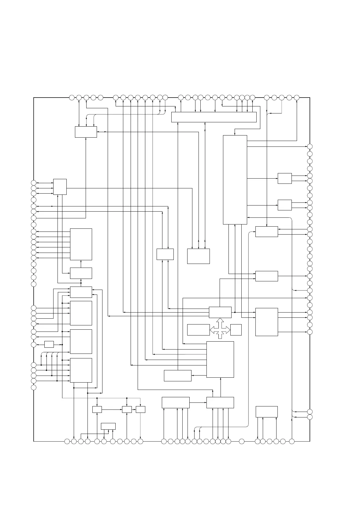
CX-LDB10/LDB20
IC101 CXD3059AR
SERVO
INTERFACE
32
RFDCO
34
AC_SUM
35
EQ_IN
33
PDSENS
31
AVDD4
91
LMUT
92
NC
93
XTSL
94
IOVSS0
95
XTACN
96
SQSO
97
SQCK
98
SBSO
99
EXCK
1
MIRR
2
DFCT
3
FOK
9
SFDR
10
SRDR
11
TFDR
12
TRDR
13
FFDR
14
FRDR
19
E
20
F
26
A
27
B
28
C
29
D
30
NC
21
TEI
23
FEI
22
TEO
24
FEO
25
VC
5
LOCK
6
MDP
7
SSTP
4
VSS
8
IOVSS1
18
NC
15
IOVDD1
16
AVDD0
17
AVSS0
68
EMPH
66
BCK
67
VDD
71
DOUT
69
EMPHI
70
IOVDD2
64
VSS
63
LRCK
65
PCMD
75
NC
73
TES1
74
IOVSS2
78
XTAI
76
XVSS
79
XVDD
80
AVDD1
77
XTAO
72
TEST
MIRR
DFCT
FOK
TE
FE
SUM
PWM
GENERATOR
SERVO
DSP
A/D
CONVERTER
DC/DC
CONVERTER
ASYNMMETRY
CORRECTOR
SUB CODE
PROCESSOR
ERROR
CORRECTOR
32k
RAM
D/A
INTERFACE
D/A
COVERTER
SELECTOR
DIGITAL OUT
CPU INTERFACE
CLOCK
GENERATOR
SERVO
AUTO
SEQUENCER
LPF
LPF
DIGITAL
CLV
VC
ATT
39
RFC
EQ
41
RFACO
AMP
36
LD
37
PD
42
RFACI
43
AVDD3
44
BIAS
56
DDVRSEN
57
AVSS5
59
NC
54
AVDD5
58
DDCR
60
BCKI
55
DDVROUT
45
ASYI
47
VPCO
48
VCTL
49
AVSS3
46
ASYO
DIGITAL
PLL
EFM
DEMODULATOR
51
FILO
50
CLTV
52
FILI
53
PCO
38
NC
40
AVSS4
APC
112
XPCK
111
XUGF
110
WFCK
109
ATCK
101
SYSM
100
XRST
103
VSS
102
DATA
104
XLAT
106
VDD
107
SENS
105
CLOK
108
SCLK
113
GFS
116
VDD
115
SCOR
114
C2PO
117
C4M
119
COUT
118
WDCK
120
NC
82
VREFL
83
AVSS1
84
AVSS2
81
AOUT1
86
AOUT2
87
AVDD2
88
NC
89
IOVDD0
90
RMUT
85
VREFR
61
PCMDI
62
LRCKI
IC Block Diagrams
– CD Board –

Related product manuals