EasyManua.ls Logo

Sony D-E221 - Block Diagram -Audio Section

Sony D-E221
30 pages
Print Icon
To Next Page IconTo Next Page
To Next Page IconTo Next Page
To Previous Page IconTo Previous Page
To Previous Page IconTo Previous Page
Loading...
D-E221/E223
1414
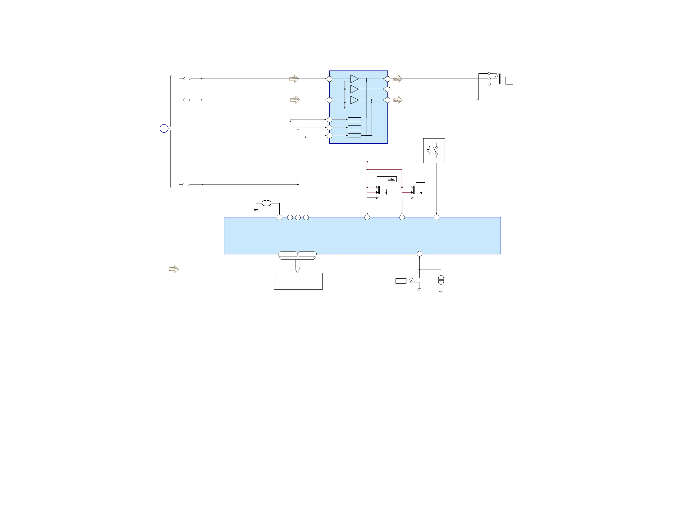
5-3. BLOCK DIAGRAM AUDIO SECTION
Signal Path
: CD PLAY
14 7 9 28 39 18
AD_SEL
AMUTE_O
XRST_O
BEEP_O
HOLD_I
SEG14
I
SEG2,
SEG0
COM3
I
COM0
AD_KEY1
SYSTEM CONTROLLER
IC801 (2/3)
S805-811
OFF
ON
HOLD
VCPU +2V
36
COMPON
OFF
ON
S804
ESP
LIN
RIN
HEADPHONE AMP
IC302
8
9
LOUT
COUT
ROUT
6
4
PWRSW
MUTE
13
BEEP
11
PW SW
BEEP
MT SW
5
14
TAP801
(TEST)
50 - 62,64
65 - 68
LIQUID CRYSTAL DISPLAY
PANEL
LCD801
S803
21
WP_OPEN
S801
OPEN
TAP802
(OPEN)
2
1
3
1
i
J302
(Page 13)

Related product manuals