EasyManua.ls Logo

Sony DCR-HC94E - Exploded Views; Overall Assembly

Sony DCR-HC94E
11 pages
Print Icon
To Next Page IconTo Next Page
To Next Page IconTo Next Page
To Previous Page IconTo Previous Page
To Previous Page IconTo Previous Page
Loading...
5-2
5. REPAIR PARTS LIST
DCR-HC94E/HC96/HC96E_L2
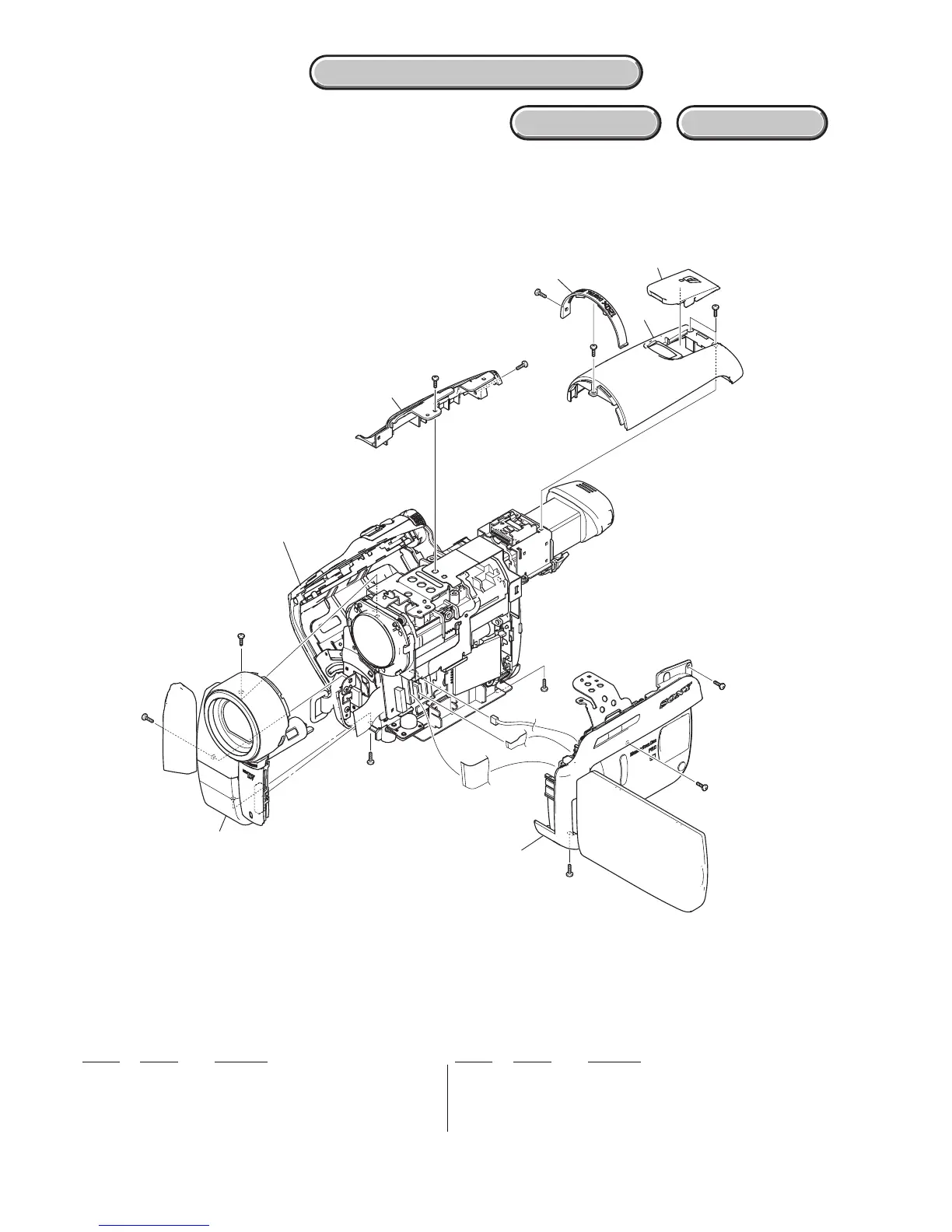
5-1-1. OVERALL ASSEMBLY
Ref. No. Part No. Description Ref. No. Part No. Description
1 2-667-638-01 CABINET (175), NS
2 2-667-635-01 UPPER, CAB (175)
3 2-667-637-01 RING, TOP
4 2-667-873-01 COVER (175), SHOE
#2 2-635-562-31 SCREW (M1.7) (Black)
#3 2-660-401-01 SCREW (M1.7), NEW TRU-STAR, P2 (Red)
#10 2-599-475-31 SCREW (M1.7) (Silver)
#14 2-599-475-11 SCREW (M1.7) (Silver)
5-1. EXPLODED VIEWS
DISASSEMBLY
HARDWARE LIST
#2
#3
#2
#10
#2
#2
#2
#10
#14
#14
#1
0
#10
1
2
4
3
Front Panel Block
(See page 5-3.)
Cabinet (R) Block
(See page 5-4.)
Main Block-1
(See page 5-5.)

Related product manuals