EasyManua.ls Logo

Sony DSC-H2 - Page 16

Sony DSC-H2
54 pages
Print Icon
To Next Page IconTo Next Page
To Next Page IconTo Next Page
To Previous Page IconTo Previous Page
To Previous Page IconTo Previous Page
Loading...
DSC-H2_L2
3-1 3-2
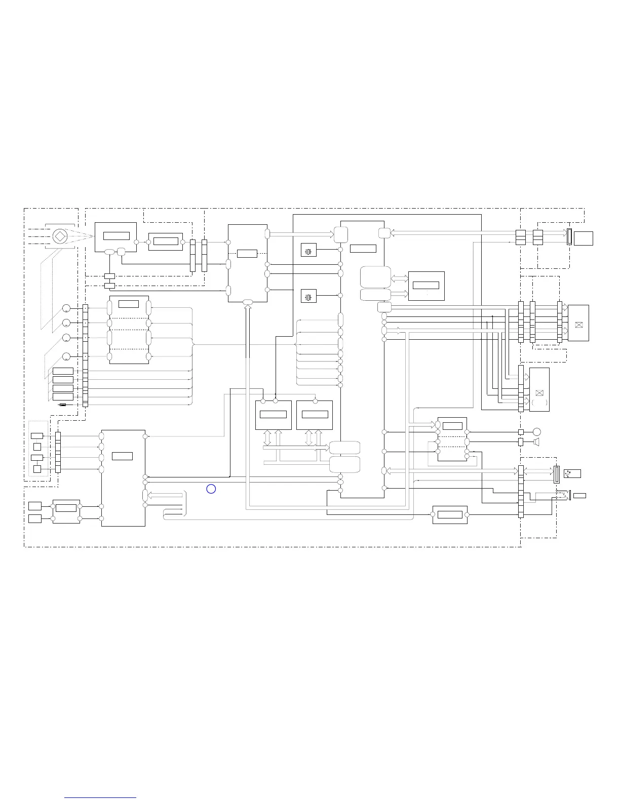
3-1. OVERALL BLOCK DIAGRAM (1/2)
3. BLOCK DIAGRAMS
( ) : Number in parenthesis ( ) indicates the division number of schematic diagram where the component is located.
IC101
(1/2)
IC002
CCD IMAGER
IC203
256Mbit
SDRAM
IC202
ONE NAND
FLASH MEMORY
IC201
BURST
FLASH MEMORY
IC602
MIC AMP
AU OUT AMP
SPEAKER AMP
G1
E4
F3
F4
B4
B5
A2
B2
15
42
A2B4
B5
20
12
10
8
6
14
20
12
10
8
6
14
H1A,B
H2A,B
RG
V1A,B
V2
V3A,B
V4
V5A,B
V6
V7A,B
V8,
VST,
VHLD
DIR2A
BRK2A
DIR2B
BRK2B
DIR2A
BRK2A
DIR2B
BRK2B
FC DIR A
FC DIR B
FC EN
FC DIR A
FC DIR B
FC EN
MSHUT DIR
MSHUT EN
MSHUT DIR
MSHUT EN
ZM DIR A
ZM BRK A
ZM DIR A
ZM BRK A
ZOOM +
ZOOM -
SHUTTER +
SHUTTER-
ZM DC FG 1A
ZM DC FG 1B
ZM SENS 2ND
XMS IN
XMS IN
4,3,5,7,2,8
6
CN302
CN702
CN401
CN403
CN703
V LINE OUT
CN706
CN301
1-14
27,28
19-17
FOCUS
MOTOR
IRIS
MOTOR
IRIS
SHUTER
A4
B4
B5
FOCUS RESET
SENSOR
ZOOM RESET
SENSOR 1ST
3
5
IC001
BUFFER
3
1
M
M
M
ZOOM
MOTOR
L2
N5
L4
H5
J5
AC1
AD1
E9
B8
F3
E3
A5
A2
V5
W4
U5
V4
N6
N2
R25
R5
V LINE OUT
V OUT
CN301
X101
EXTAL
CCD OUT
CN301
CN001
CN001
CLK TGO
XSAN_RST_OUT
CA HD, CA FD
U4
26-39
N4
P6
P4
R2
C1
E5
E6
MS D0-MS D3, MS BS, MS CLK
L26
U25
K26
H26
SAN27M CK0
AF9
AC25
A6
E1
SP9001
SPEAKER
MIC
MIC SIG
SP+
SP-
MIC9001
MEMORY
STICK Duo
CONNECTOR
D1
C2
B6
LENS UNIT
CD-619 BOARD
SY-150 BOARD (1/2)
MS-307
BOARD
SW-473
BOARD
(1/2)
JK-306
FLEXIBLE
BOARD
A/V OUT
J001
SAN1 SO,SCK
USB VBUS
AU LINE OUT
XAV JACK IN
IC601
VIDEO AMP
IRIS DRIVE
SHUTTER DRIVE
FOCUS MOTOR
DRIVE
IC401
(1/2)
(1/8)
IC506
CN401
ZOOM MOTOR
DRIVE
F5
E5
D3
F1
F2
E2
D2
B1
D5
A6
B6
C5
D6
E6
B7
C6
ZM SENS 1ST
FC SENS
B6
G5
J5
A7
XSAN RST OUT
KEY BONO
XMS IN
USB V BUS
PITCH +
PITCH -
PITCH AD
YAW AD
PITCH HALL+
PITCH HALL-
YAW+
YAW-
YAW HALL+
YAW HALL-
ZM DC FG 1A
ZM DC FG 1B
FC SENS
ZM SENS 1ST
ZM SENS 2ND
ZOOM RESET
SENSOR 2ND
ZOOM DC FG
PITCH
YAW
PITCH
SENSOR
A3
SAN 27M CLK0
A6
XBONOBO CPU RESET XBONOBO CPU RESET
YAW
SENSOR
IRIS A
IRIS XA
IRIS B
IRIS XB
FOCUS A
FOCUS XA
FOCUS B
FOCUS XB
SHUTTER
MOTOR
M
32
31
22
24
25
18
1
2
2
66
4,3,5,
7,2,8
4,3,5,
7,2,8
2.0 INCH
COLOR LCD
PANEL
Including the
BACK LIGHT
LCD9001
XSAN RST OUT
XSAN RST OUT
AUIN
AUOUT
LCD CK
LCD CK
LCD HD
LCD VD
LCD HD
LCD VD
LCD D0-D7 LCD D2-D7
LCD D2-D7
LCD D0-D7
AF4
AC4,AE4
AE5,AC5
AB6,AF6
D9
COLOR EVF
UNIT
LCD9002
with in
BACK LIGHT
D8,D7,E8
E7,D6,D5
E6,B4
K5,G4,H4,L5
H2,H1,J1,J2
M5,J4,K4,M6
K2,K1
D21,D22,D20,B22,A22,A23
B23,E20,E21,B24,A24,A25
B25,C25,C26,B26,E10,A10
D10,E11,B10,A11,B11,E12
D11,D12,F12,B12,A12,E13
D13,D14
D17,D18,D16,B18,A19
B19,E16,D19,E19,E17
B20,A20
U2
R6
SAN1 SO, SCK
SAN1 SO, SCK
SAN1 SO, SCK
12MHz
XTAL OSC
X102
CLKTGEXT
C1
33.75MHz
XTAL OSC
D0-D31
A0-A11
D0-D15
D0-D15
D0-D15
A01-A21
A01-A21
A01-A16
IC504
STEADY SHOT
CONTROL
CN601
CN651
3,2
1
CN602
CD-621 FLEXIBLE
BOARD
MS-030 FLEXIBLE
FLAT CABLE
SW-478 FLEXIBLE
BOARD (1/2)
26-39
ACTIVE
LENS
ACTUATOR
CN501
SE501
SE502
PITCH/YAW
SENSOR
AMP
8
12
2
18
SAN1 SO, SCK
SAN1 SO, SCK
CAMERA DSP
AB13,AA13,AE13,AF13,AF12
AE12,AA12,AC12,AC11,AB12
AE11,AF11,AE10,AB11,AC10
AB10
AF21,AF20,AE20,AB18,AB19
AC19,AB16,AE19,AF19,AF18
AE18,AA15,AC18,AC17,AB15
AE17,AF17,AE16,AB14,AC16
AC15
(USB)
CN001
11
10
7
6
CA AD0 - CA AD13
SAN0 SO, SI, SCK
USB DPP, USB DMM
LENS TEMP
J25
LENS TEMP
(4/8)
(4/8)
(6/8)
(6/8)
(4/8)
(5/8)
(3/8)
(5/8)
1
4
8
5
9
16
36
39
10
|
15
22
21
25
24
18
28
19
|
24
26
27
29
28
25
31
15
|
12
10
|
7
18
17
6
4
19
20
24
|
19
12
13
9
10
16
6
9
8
6
2
3
1
H
H
B1
D1
H2
J4
J9
J7
B10
D10
12
13
3
2
TO
OVERALL
BLOCK DIAGRAM
(2/2)
(PAGE 3-3)
1
LENS TEMP
SENSOR
CP301
TIMING
GENERATOR
S/H
A/D CONV.
45
46
47
6
40, 41
1
|
5
22
|
35
7
|
20
(2/8)

Related product manuals