EasyManua.ls Logo

Sony FH-B7CD - Page 24

Sony FH-B7CD
57 pages
Print Icon
To Next Page IconTo Next Page
To Next Page IconTo Next Page
To Previous Page IconTo Previous Page
To Previous Page IconTo Previous Page
Loading...
HCD-H7/H1500
HCD-H7/H1500
HCD-H7/H1500
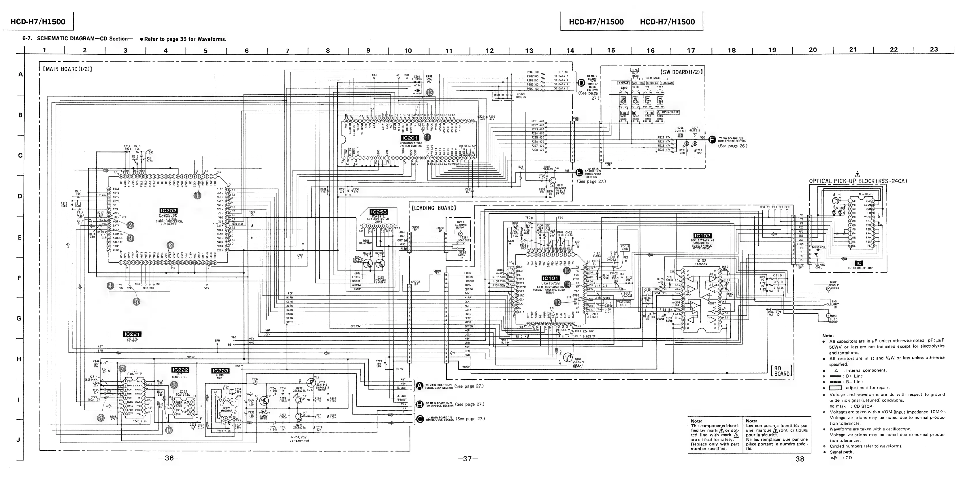
6-7.
SCHEMATIC
DIAGRAM—CD
Section—
@
Refer
to
page
35
for
Waveforms.
AIN
BO
1/2
Tine]
ESO
295
0
sine
|
:
[SW
BOARD
(1/2)]
Aa
AF
HUT
x201
|
R299
R287
100
CB
DATA
0
TO
MAIN
|
ot
4.00MHz|
100k
7288
100
CaAATA4
BOARD
a
ai
|
aa
:
neo
100
WY
ca
eATAZ
TONER?
(aerear]
[Gowrie
SHUFFLE]
(FRoGRAN]
Ed
||
td
R290
100
CD
BATA
3
:
oESK
sgoo
|6210
SZit
242
Pe
cron
ee
ee
page
So,
$0 0, ;O
oO
Oo
0
cee
=
See
aut
[
:
‘ropa
37)
ms
es
Ean
ae
sd
rams!
I
$2
520
hI
i—1—]
Sa
cN201
arte
R291
470
rod
fe]
oO
oO
|
Ragz
470,
Cd
0 °
0206
0207
en
ie
GLInYIT
GLIESII
EE
a
i
ET
a
1
SNORE
1
pars
sre,
OO
OD
_
(my
rou
somrowse)
R296
470
li
tua
ee
R224
47k
u
uPD75112CW-064
O
Oo
SYSTEM
CONTROL
ee
a
Ce
3
Cena
Ser
eee
(rer
to
@)
(See
page
26.)
g
pater
ee
R222
ee
eee
Saari
aes
Eee
of
Lo
|
oes
TO
MAIN
==
-——
-
—_
PONE
Deck
A
|
SECTION
|
(See
page
27.)
OPTICAL
PICK-UP
BLOCK
(KSS
-240A)
|
{C202
IC253
CxX825000
M54641L
CD
DIGITAL
LOADING
MOTOR
a
x
oy
!
fa
LOADING
|
sii
ogg
cnzsi
|
roe
ee
ss
eae
ett
Lora
phy
a)
eseoe
ie
pap
he
Ma
a
om
os
SETH
NE
Ft
31
IC102
|
|
|]
bh
|
oxo
I
|
rt
eee
ja
LOAD
OUT
|
FOCUS/TRACKING
of
fe
° °
oy
COILDRIVE
ee
re
CN
Pe
1
SLED/SPINDLE
eued
—e
ooo
2
Eee
1
cm
MOTOR
DRIVE
;
wn
3
|
=
=
ps
g2s2
47k
gt
10
|
heat
\
Leal”
C102
sia
LAG532M
Lt
TRACKING
om
=
&
f
COIL
DETECTOR,RF
AMP
ol
:
re
|
Fane
22P
Fo
LBON
t
P
v0
OAT
-
|
en
|
LOBIN
|
0253
i
LOBIN
Tox
Kes!
.
;
=
|
;
Coon
|e
CN202
\
Logout
C1071
Ta
-
\9
ork
:
po
sp?
5]
;
M02
MN3
6
6
6
OMNO
|
e————J
19P
|
R109
33k, 25m)
‘a
AS
53
SPINDLE
shia:
Mii
|
°
STOP
EFM
COMPARATOR,
TE
MOTOR
een
a
L.
aver
«FOCUS
TRACK
ING/SLED
ork
andes
C88,
OS
"
)
|
|
rT
SERVO
.
i
)
|
Ly
Hl]
(10
eee
Snare
rnc
Oe
-+——{o}
—————to}
Ke)
i
:
“Den
=
(a)
i
cKO
ae
bi
eee
|
S101
+
i
Wiser
sy
a
Lo
I.
Le
ia
as
4
mio!
EE)
eee
SLED
-|——}o}
—-———to
MOTOR
Pt
_
E
Ree!
4
Rees
4
CII
22m
16V
1C221
Se
ee
ee
Clio’
0.0s84F
Note:
DIGITAL
2
ee
fees
:
:
ry
FILTER
oS
it
e
All
capacitors
are
in
wF
unless
otherwise
noted.
pF:
uu
aks
eam
9
(Eee
5OWV
or
less
are
not
indicated
except
for
electrolytics
EFM
See
.
[es
St
oh
ee
ae
eae
ae
e
All
resistors
are
in
Q
and
'/,W
or
less
unless
otherwise
tied
‘ia
on
“ov
one
specified.
Fo
IC222
faa
e
A:
internal
component.
/A
2
en
i
CONVERTER
A
ie
@
wom
-
B+
Line
Be
Zz
SS
TT
.
cee
ATE
mS
9733
era
o.
urine?
B-Line
8
2SA1345
:
A
TO
MAIN
BOARDII/2)
(Se
age
27.)
:
;
aE
EMPHASIS
Y~{D.6No
TUNER
/DECK
SEcTION
(Nee
Pag
.
e
[J]:
adjustment
for
repair.
Es
mae
|
A.
GNA
e@
Voltage
and
waveforms
are
dc
with
respect
to
ground
F56V
ee
sees
under
no-signal
(detuned)
conditions.
=
TONER/DECK
SECTION
(See
page
27.)
no
mark
:
CD
STOP
PES
i
@
Voltages
are
taken
with
a
VOM
(Input
Impedance
10M
2).
>
ae
\e
TaN
BOAR
Riva)
(See
page
27.)
Note:
Nate:
Voltage
variations
may
be
noted
due
to
normal
produc-
a>
:
P
:
5
:
Per
ion
tolerances.
The
components
identi-
|
Les
composants
identifiés
par
HORDE
ler
ees
;
:
SES
Kee
SEI
ele
fied
by
mark
A\or
dot-
|
une
marque
/\sont
critiques
@
Waveforms
are
taken
with
a
oscilloscope.
231,232
ted
line
with
mark
pour
la
sécurité.
Voltage
variations
may
be
noted
due
to
normal
produc-
DE-
EMPHASIS
are
critical
for
safety.
Ne
les
remplacer
que
par
une
tion
tolerances.
Replace
only
with
part
piece
portant
le
numéro
spéci-
@.
-Circied
numbers
velar
to
wavetonme.
as
a
a
a =
i
number
specified.
fié.
.
eee
ey
oe
i
=
=
a
pe
ee
a
ee
eg
ge
e
Signal
path.
=36—-
=37=
e>
-CD

Related product manuals