EasyManua.ls Logo

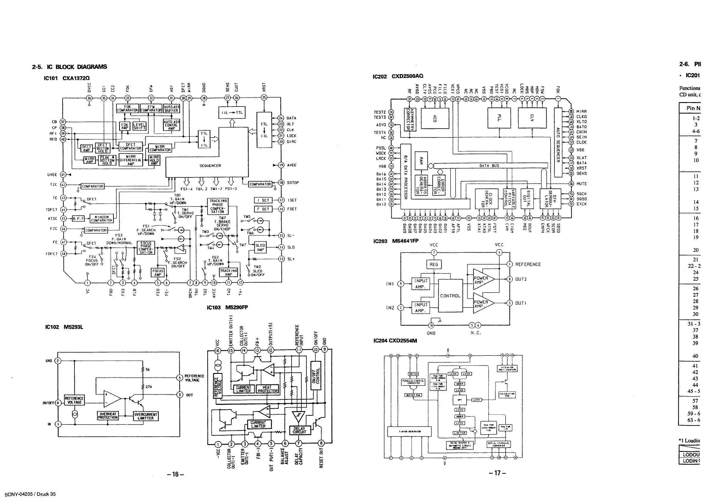
Sony FH-E737CD - IC Block Diagrams

Sony FH-E737CD
150 pages
Print Icon
To Next Page IconTo Next Page
To Next Page IconTo Next Page
To Previous Page IconTo Previous Page
To Previous Page IconTo Previous Page
Loading...

Table of Contents

Other manuals for Sony FH-E737CD

Related product manuals