EasyManua.ls Logo

Sony hcd-gn1000d - Schematic Diagram - MAIN Board (4;5)

Sony hcd-gn1000d
106 pages
Print Icon
To Next Page IconTo Next Page
To Next Page IconTo Next Page
To Previous Page IconTo Previous Page
To Previous Page IconTo Previous Page
Loading...
4545
HCD-GN1000D
HCD-GN1000D
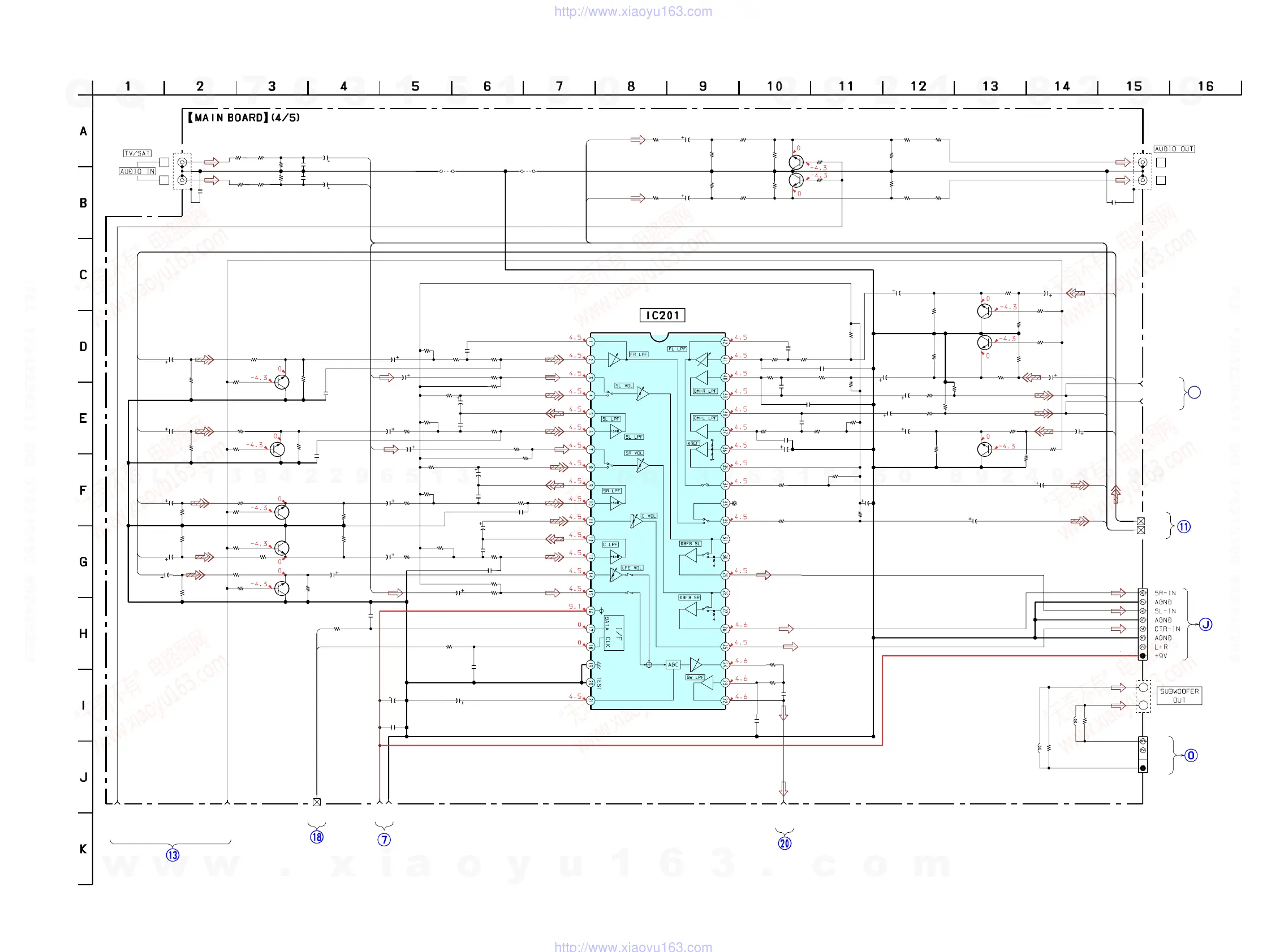
7-19. SCHEMATIC DIAGRAM – MAIN BOARD (4/5) –
C270
C242
C274
R274
R223
R623
C258
R218
C223
C222
R220
R265
C267
R264
R267
R262
C265
R266
C269
C268
R662
R215
C218
R217
R214
R216
C219
C215
C266
R261
R260
C264
R259
R612
C251
C221
C276
C226
C277
R271
R269
R279
R229
R282
R278
R277
R273
R249
R242
R268
R222
R221
R270
C224
R219
C225
C217
R212
R280
C201
R204
R
200
C200
R276
R275
R225
R226
C259
C213
R233
R234
C209
R235
R299
C228
C278
C263
R231
R283
R284
R230
R298
R232
R285
R292
C227
C205
C214
R209
R210
C211
R257
C256
R258
R
256
R211
C255
C212
C210
R208
C206
R207
R206
C216
R272
R254
C257
C207
CN514
R
238
R288
C252
C202
R239
R289
R297
R247
R246
R296
R295
R245
R294
R244
R293
R243
FB204
FB254
FB260
FB261
R240
C229
R290
C279
C521
C520
J201
Q253
Q202
Q252
Q200
Q250
Q203
Q204
Q254
Q256
Q
206
J202
R202
R203
C220
C261
R281
R227
R228
JR218
R224
C273
C262
R241
JW
258
C272
C260
R291
R263
R213
C530
C235
IC201
0.001
0.001
220p
1k
8.2k
6.8k
10
50V
4.7k
0.001
10
50V
10k
4.7k
10
50V
47k
10k
8.2k
10
50V
2.2k
10
50V
0.001
0
4.7k
0.001
10k
47k
2.2k
10
50V
10
50V
10
50V
47k
470
220p
10k
0
1
50V
1
50V
1
50V
1
50V
1
50V
10k
10k
10k
10k
10k
1k
47k
10k
10k
10k
1k
1k
47k
47k
10
50V
2.2k
1
50V
10
50V
8.2k
1k
0.1
10k
10k
0.1
22k
10k
10k
22k
10
50V
10
50V
47k
1k
10
50V
10k
10k
1
50V
1
50V
10
50V
47k
47k
1k
1k
10k
10k
10k
10k
1
50V
100
10V
220p
10k
470
220p
2.2k
0.0022
2.2k
47k
47k
100
10V
0.001
0.001
2.2k
0.0022
2.2k
47k
10
50V
3.3k
3.3k
10
50V
10
50V
8P
0
0
10
50V
10
50V
10k
10k
1k
1k
47k
47k
10k
10k
100k
100k
1k
1k
0
0
0
0
15k
220p
15k
220p
10
50V
10
50V
2SD2114K
M
UTE
2SD2114K
M
UTE
2SD2114K
M
UTE
2SD2114K
M
UTE
2SD2114K
M
UTE
2SD2114K
M
UTE
2SD2114K
M
UTE
2SD2114K
M
UTE
2SD2114K
M
UTE
2SD2114K
M
UTE
10k
10k
0.001
220p
47k
47k
1k
0
1k
220p
10
50V
33k
220
10V
0.1
33k
6.8k
0.5%
6.8k
0.5%
M
61530FP-D60G
BUS3
BUS9
BUS2
+9V
GND
LINK-L
LINK-R
SW
DOW
NM
IX-L
DOW
NM
IX-R
DOW
NM
IX-L
DOW
NM
IX-R
SAT-R
SAT-L
81
82
REC-O
UT-L
REC-OUT-R
EFFECTOR_R
EFFECTOR_L
M
B_FL
M
B_FR
M
B_SL
M
B_SR
FC
LFE
FL
FR
100p
100p
R
L
SURROUND VOL CONTROL
R
L
SW OUT
DVD MUTE
MUTE
R598
L101
R599
L102
TM
101
CN105
10
1/2W
10
1/2W
3P
+
SW
-
SW
+
BOARD
M
AIN
(1/5)
(2/5)
(3/5)
(5/5)
BOARD
M
AIN
(1/5)
(Page 42)
BOARD
M
AIN
(5/5)
(Page 46)
(Page 42)
(Page 43)
(Page 44)
(Page 46)
BOARD
M
AIN
(5/5)
(Page 46)
BOARD
(Page 54)
SURROUND
(1/2)
NO801
BOARD
BOARD
M
AIN
(3/5)
(2/2)
CN701
(Page 55)
(Page 44)
SURROUND
BOARD
M
AIN
(1/5)
(Page 42)
17
w
w
w
.
x
i
a
o
y
u
1
6
3
.
c
o
m
Q
Q
3
7
6
3
1
5
1
5
0
9
9
2
8
9
4
2
9
8
T
E
L
1
3
9
4
2
2
9
6
5
1
3
9
9
2
8
9
4
2
9
8
0
5
1
5
1
3
6
7
3
Q
Q
TEL 13942296513 QQ 376315150 892498299
TEL 13942296513 QQ 376315150 892498299
http://www.xiaoyu163.com
http://www.xiaoyu163.com

Table of Contents

Related product manuals