EasyManua.ls Logo

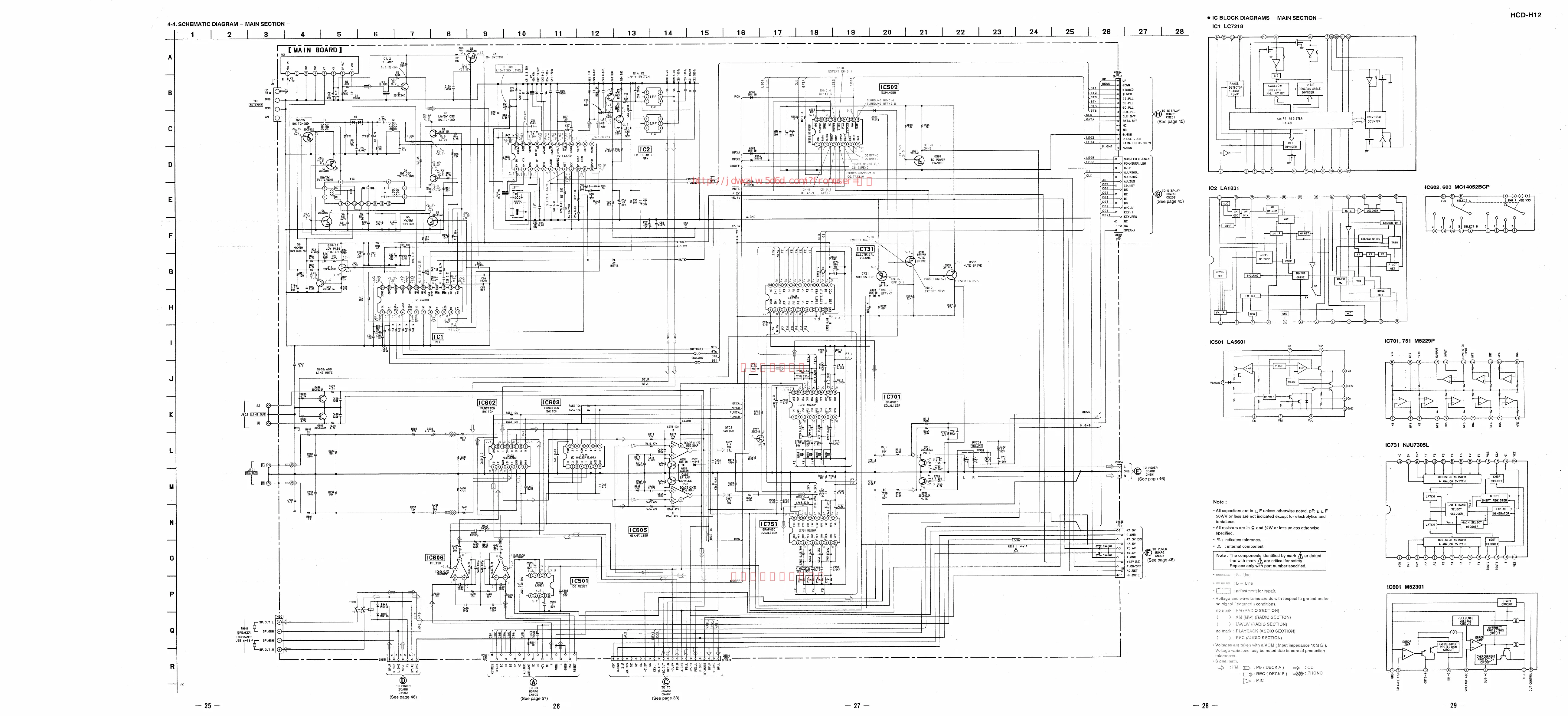
Sony HCD-H12 - Schematic Diagram - Main Section

Sony HCD-H12
54 pages
Print Icon
To Next Page IconTo Next Page
To Next Page IconTo Next Page
To Previous Page IconTo Previous Page
To Previous Page IconTo Previous Page
Loading...
http://jdwxzlw.5d6d.com/?fromuser=森林
家电维修资料网
免费下载各种维修资料