EasyManua.ls Logo

Sony HCD-H7 - Schematic Diagram-CD Section

Sony HCD-H7
54 pages
Print Icon
To Next Page IconTo Next Page
To Next Page IconTo Next Page
To Previous Page IconTo Previous Page
To Previous Page IconTo Previous Page
Loading...
HCD-H7/H1500
HCD-H7/H1500
HCD-H7/H1500
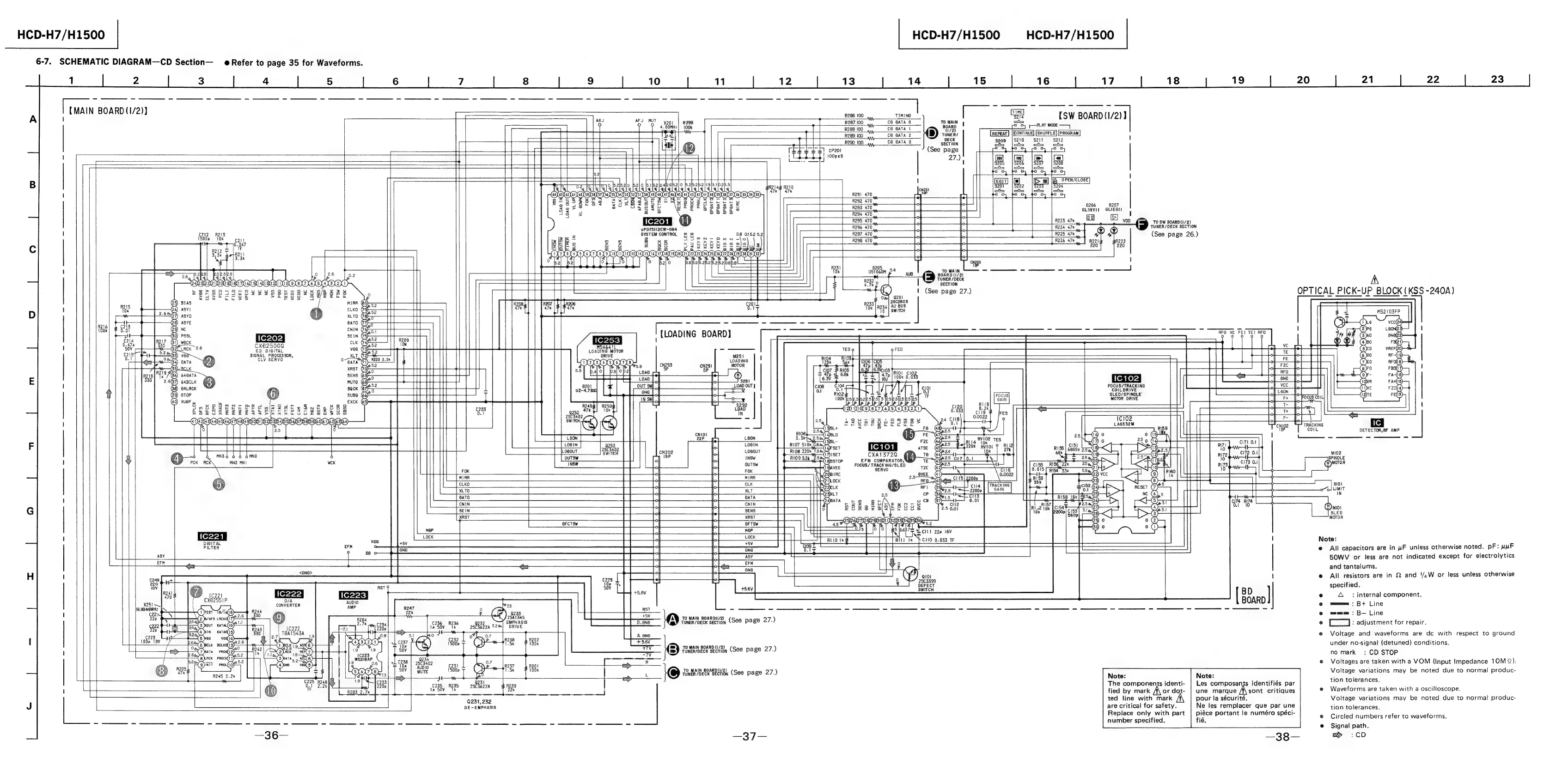
6-7.
SCHEMATIC
DIAGRAM—CD
Section—
@
Refer
to
page
35
for
Waveforms.
AIN
BO
1/2
Tine]
ESO
295
0
sine
|
:
[SW
BOARD
(1/2)]
Aa
AF
HUT
x201
|
R299
R287
100
CB
DATA
0
TO
MAIN
|
ot
4.00MHz|
100k
7288
100
CaAATA4
BOARD
a
ai
|
aa
:
neo
100
WY
ca
eATAZ
TONER?
(aerear]
[Gowrie
SHUFFLE]
(FRoGRAN]
Ed
||
td
R290
100
CD
BATA
3
:
oESK
sgoo
|6210
SZit
242
Pe
cron
ee
ee
page
So,
$0 0, ;O
oO
Oo
0
cee
=
See
aut
[
:
‘ropa
37)
ms
es
Ean
ae
sd
rams!
I
$2
520
hI
i—1—]
Sa
cN201
arte
R291
470
rod
fe]
oO
oO
|
Ragz
470,
Cd
0 °
0206
0207
en
ie
GLInYIT
GLIESII
EE
a
i
ET
a
1
SNORE
1
pars
sre,
OO
OD
_
(my
rou
somrowse)
R296
470
li
tua
ee
R224
47k
u
uPD75112CW-064
O
Oo
SYSTEM
CONTROL
ee
a
Ce
3
Cena
Ser
eee
(rer
to
@)
(See
page
26.)
g
pater
ee
R222
ee
eee
Saari
aes
Eee
of
Lo
|
oes
TO
MAIN
==
-——
-
—_
PONE
Deck
A
|
SECTION
|
(See
page
27.)
OPTICAL
PICK-UP
BLOCK
(KSS
-240A)
|
{C202
IC253
CxX825000
M54641L
CD
DIGITAL
LOADING
MOTOR
a
x
oy
!
fa
LOADING
|
sii
ogg
cnzsi
|
roe
ee
ss
eae
ett
Lora
phy
a)
eseoe
ie
pap
he
Ma
a
om
os
SETH
NE
Ft
31
IC102
|
|
|]
bh
|
oxo
I
|
rt
eee
ja
LOAD
OUT
|
FOCUS/TRACKING
of
fe
° °
oy
COILDRIVE
ee
re
CN
Pe
1
SLED/SPINDLE
eued
—e
ooo
2
Eee
1
cm
MOTOR
DRIVE
;
wn
3
|
=
=
ps
g2s2
47k
gt
10
|
heat
\
Leal”
C102
sia
LAG532M
Lt
TRACKING
om
=
&
f
COIL
DETECTOR,RF
AMP
ol
:
re
|
Fane
22P
Fo
LBON
t
P
v0
OAT
-
|
en
|
LOBIN
|
0253
i
LOBIN
Tox
Kes!
.
;
=
|
;
Coon
|e
CN202
\
Logout
C1071
Ta
-
\9
ork
:
po
sp?
5]
;
M02
MN3
6
6
6
OMNO
|
e————J
19P
|
R109
33k, 25m)
‘a
AS
53
SPINDLE
shia:
Mii
|
°
STOP
EFM
COMPARATOR,
TE
MOTOR
een
a
L.
aver
«FOCUS
TRACK
ING/SLED
ork
andes
C88,
OS
"
)
|
|
rT
SERVO
.
i
)
|
Ly
Hl]
(10
eee
Snare
rnc
Oe
-+——{o}
—————to}
Ke)
i
:
“Den
=
(a)
i
cKO
ae
bi
eee
|
S101
+
i
Wiser
sy
a
Lo
I.
Le
ia
as
4
mio!
EE)
eee
SLED
-|——}o}
—-———to
MOTOR
Pt
_
E
Ree!
4
Rees
4
CII
22m
16V
1C221
Se
ee
ee
Clio’
0.0s84F
Note:
DIGITAL
2
ee
fees
:
:
ry
FILTER
oS
it
e
All
capacitors
are
in
wF
unless
otherwise
noted.
pF:
uu
aks
eam
9
(Eee
5OWV
or
less
are
not
indicated
except
for
electrolytics
EFM
See
.
[es
St
oh
ee
ae
eae
ae
e
All
resistors
are
in
Q
and
'/,W
or
less
unless
otherwise
tied
‘ia
on
“ov
one
specified.
Fo
IC222
faa
e
A:
internal
component.
/A
2
en
i
CONVERTER
A
ie
@
wom
-
B+
Line
Be
Zz
SS
TT
.
cee
ATE
mS
9733
era
o.
urine?
B-Line
8
2SA1345
:
A
TO
MAIN
BOARDII/2)
(Se
age
27.)
:
;
aE
EMPHASIS
Y~{D.6No
TUNER
/DECK
SEcTION
(Nee
Pag
.
e
[J]:
adjustment
for
repair.
Es
mae
|
A.
GNA
e@
Voltage
and
waveforms
are
dc
with
respect
to
ground
F56V
ee
sees
under
no-signal
(detuned)
conditions.
=
TONER/DECK
SECTION
(See
page
27.)
no
mark
:
CD
STOP
PES
i
@
Voltages
are
taken
with
a
VOM
(Input
Impedance
10M
2).
>
ae
\e
TaN
BOAR
Riva)
(See
page
27.)
Note:
Nate:
Voltage
variations
may
be
noted
due
to
normal
produc-
a>
:
P
:
5
:
Per
ion
tolerances.
The
components
identi-
|
Les
composants
identifiés
par
HORDE
ler
ees
;
:
SES
Kee
SEI
ele
fied
by
mark
A\or
dot-
|
une
marque
/\sont
critiques
@
Waveforms
are
taken
with
a
oscilloscope.
231,232
ted
line
with
mark
pour
la
sécurité.
Voltage
variations
may
be
noted
due
to
normal
produc-
DE-
EMPHASIS
are
critical
for
safety.
Ne
les
remplacer
que
par
une
tion
tolerances.
Replace
only
with
part
piece
portant
le
numéro
spéci-
@.
-Circied
numbers
velar
to
wavetonme.
as
a
a
a =
i
number
specified.
fié.
.
eee
ey
oe
i
=
=
a
pe
ee
a
ee
eg
ge
e
Signal
path.
=36—-
=37=
e>
-CD

Related product manuals