EasyManua.ls Logo

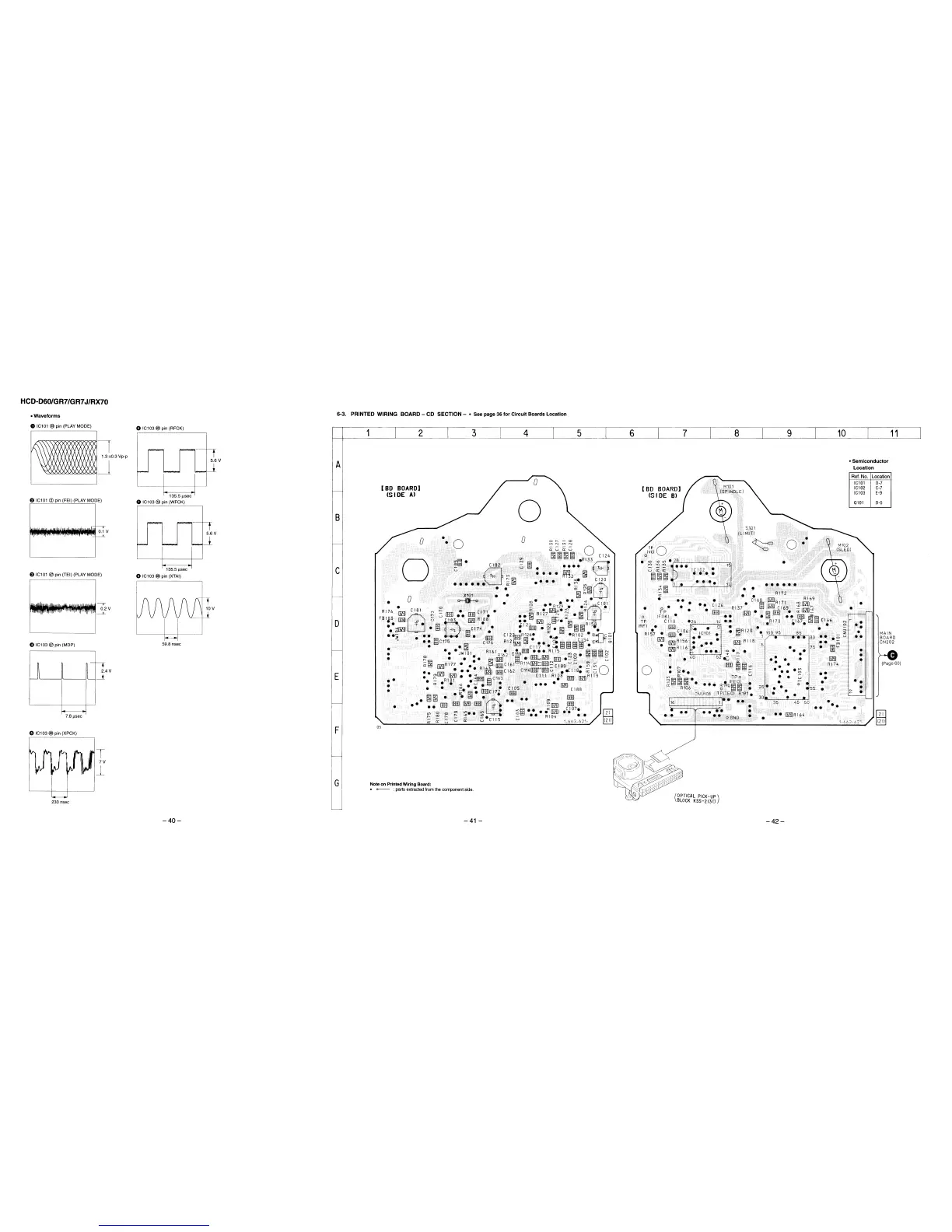
Sony HCD-RX70 - PRINTED WIRING BOARDS - CD SECTION-; SCHEMATIC DIAGRAM - CD SECTION-

Sony HCD-RX70
113 pages
Print Icon
To Next Page IconTo Next Page
To Next Page IconTo Next Page
To Previous Page IconTo Previous Page
To Previous Page IconTo Previous Page
Loading...

Related product manuals