EasyManua.ls Logo

Sony HMK-70 - Page 12

Sony HMK-70
70 pages
Print Icon
To Next Page IconTo Next Page
To Next Page IconTo Next Page
To Previous Page IconTo Previous Page
To Previous Page IconTo Previous Page
Loading...
SECTION
4
DIAGRAMS
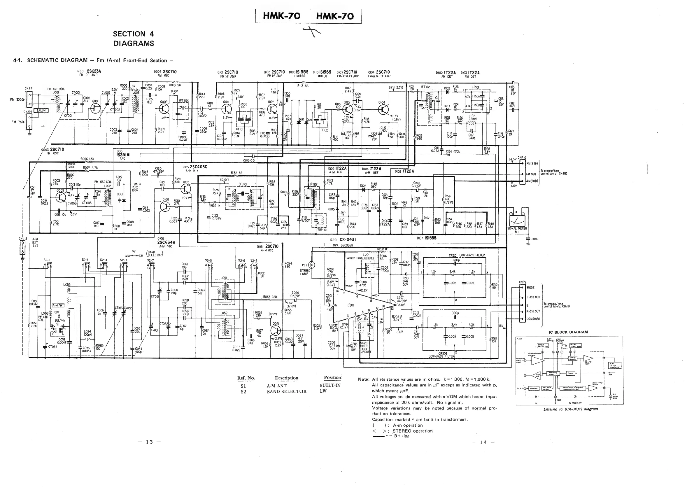
4-1.
SCHEMATIC
DIAGRAM
Fm
(A-m)
Front-End
Section
Q001
2SK23A
FM
RF
AMP
ROOS
§
FM
CNJ7
FM
ANT
COIL
13.5v
220
RF
COLL
LOO!
cTOO!
cvoo2
L003
eB
coo
uson!
|
|
og
BP"
00
ee
ed
(1
cnuig
[BALON
Ny,
e
cvoo!
FM
750:
a
om
‘a
/
/
/
co
Si
7
IS351M
i
ROOG
1.5k
AFC
7
ROO4
/
ROOT
4.7k
/
/
/
/
Ton
{447
|
16V
|
colo
|
0.022
|
Col2
0p
0.7
|
ROO!
|
2.7k
|
|
|
CNJ8
AM
A
EXT
ANT
L
$2
MW-=—=
LW
C007
0.022
C005
0.01
ROI3
100!
kK
Q002
28C710
FM
MIX
a
Roog
ROIO
56
15k
\4.0v
120
47/25V
Q106
2SCE634A
A-M
AGC
(re
)
SELECTOR,
S$2-7
AER
Cco6l
tal
3
10p
C062
150p
C060
i:
20p
C058
20p
C059
300p
CT052
087
6p
13
HMK-70
HMK-70
oN
aio!
2SC710
ai02
2SC710
o109ISI555
oo
1SI555
103
2SC710
0104
2SC710
0102
IT22A
0103
IT22A
FM
LE
AMP
FM
EF
AMP
LIMITER
LIMITER
FM/A-M
I-F
AMP
FM/A-M
I-F
AMP
FM
DET
FM
DET
a
WN
R356
Ci
0.0229
Ci25
10
RR
0.022"
RI54
470k
ee
asv
CNEIO
FM(B@)
To
preamp/tone
IAM
OUT
[
control
boord,
CNJIO
AM(B@)
MODE
L-CH
OUT
To
preamp/tone,
E
contol
‘board,
CNUS
R-CH
OUT
COM(B@)
IC
BLOCK
DIAGRAM
1c201
CX-043!
051
2SC710
MPX
CECODER
H
A-M
OSC
|_|
R20
L201
CR201
LOW-PASS
FILTER
q
ar
eo
SRE
52-5
$26
S2-
bes
eke
TaN
CIRCUS
25V
6000
,
a
Loe
A
680 PL?
e)
R201
STEREO
RO52
LAMP
Cy
“L051
1.5K
15.0V
2
LBV,
|
Os
ee
3
1
coe9
16
p
=
:
Sle
201
Viev
10V
(12,0V)
76
ROSS
46V
BOSE
tgsvy
7
9.6K
r
|
R202k
=
N.OVey
OV
R2034
(2.1V)
2.2k
igk=
é
cos?
068]
4.
COG6
6.022|
25V
c202
:
0.47
50V
cR202
|
LOW-PASS
FILTER
Ref.
No.
Description
Position
Note:
All
resistance
values
are
in
ohms.
k=1,000,
M=1,000k.
Sl
A-M
ANT
BUILT-IN
All
capacitance
values
are
in
uF
except
as
indicated
with
p,
$2
BAND
SELECTOR
LW
which
means
uF.
All
voltages
are
dc
measured
with
a
VOM
which
has
an
input
impedance
of
20k
ohms/volt.
No
signal
in.
Voltage
variations
may
be
noted
because
of
normal
pro-
duction
tolerances.
Capacitors
marked
4
are
built
in
transformers.
(
)
;
A-m
operation
<
>;
STEREO
operation
mmm
°°°"°
B
+
line
LCH
RCH
ouTPUT
OUTPUT
202
‘Muz0T
To
MODE
SW
Detailed
IC
(CX-0431)
diagram