EasyManua.ls Logo

Sony HT-DDW970 - Page 15

Sony HT-DDW970
56 pages
Print Icon
To Next Page IconTo Next Page
To Next Page IconTo Next Page
To Previous Page IconTo Previous Page
To Previous Page IconTo Previous Page
Loading...
Getting Started
masterpage:Right
lename[E:\SEM_Janet\DATA_DDW970\J9050954_2549734911DDW970AU\2549734911\GB03
C
ON_HT-DDW970-AU.fm]
model name1[HT-DDW970]
[2-549-734-91(1)]
15
GB
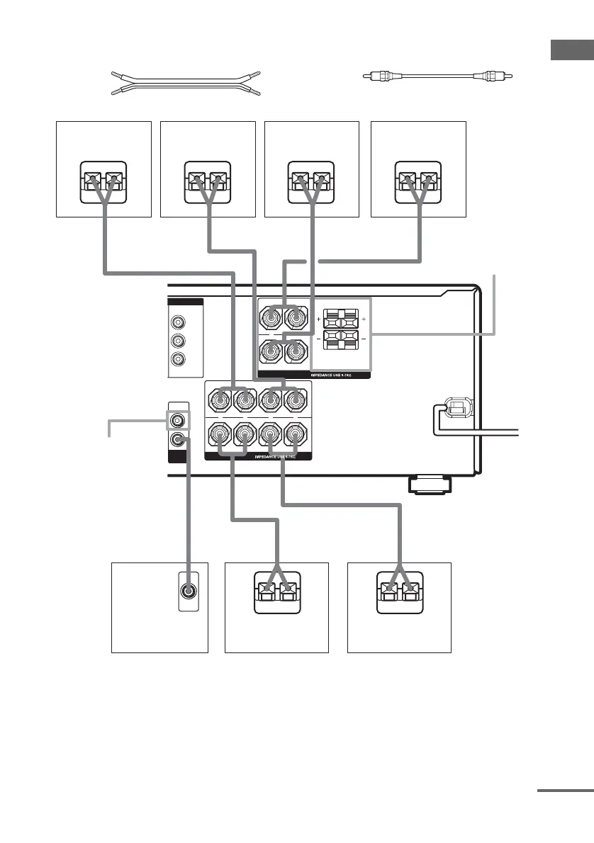
Required cords
A Speaker cords (supplied)
(+)
B Monaural audio cord (supplied)
Black
(–)
* If you have an additional front speaker system, connect them to the SPEAKERS FRONT B terminals. You can
select the front speakers you want to use with the SPEAKERS (OFF/A/B/A+B) button. For details, see “Selecting
the speaker system” (page 39).
** If you have an additional sub woofer, you can connect it to the other SUB WOOFER terminal.
FRONT A
CENTER FRONT B
MONITOR
OUT
N
T VIDEO
Y
P
B
/C
B
/B–Y
P
R
/C
R
/R–Y
LR
LR
LR
+ +
SPEAKERS
SUB
WOOFER
AA A
A
B
A
SPEAKER
S
FRONT B*
A
SURROUND
SURROUND BACK
L
AUDIO
OUT
+
SPEAKERS
EeEeEeEe
E
e
E
e
INPUT
R
SUB
WOOFER**
Sub woofer
Center speaker Surround back
speaker
Front speaker
(Left)
Front speaker
(Right)
Surround speaker
(Right)
Surround speaker
(Left)
continued
GB01COV_HT-DDW970-AU.book Page 15 Wednesday, June 8, 2005 7:08 PM

Table of Contents

Related product manuals