EasyManua.ls Logo

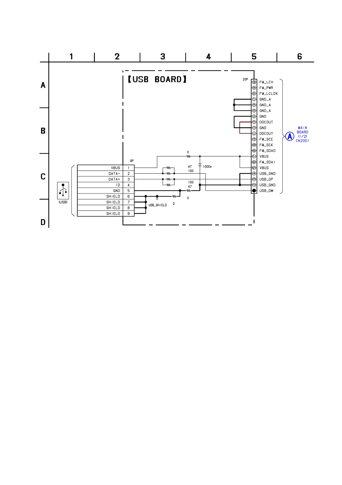
Sony ICD-P320 - Schematic Diagram - USB Section

Sony ICD-P320
24 pages
Print Icon
To Next Page IconTo Next Page
To Next Page IconTo Next Page
To Previous Page IconTo Previous Page
To Previous Page IconTo Previous Page
Loading...
15
ICD-P320
4-6. SCHEMATIC DIAGRAM — USB SECTION —
(Page 12)
R1010
R1011
R1019
R1003
R1030
R1031
R1004
C1008
TP1001
CN1001
CN1002

Related product manuals