EasyManua.ls Logo

Sony ICF-111B - SECTION 6 ELECTRICAL PARTS LIST

Sony ICF-111B
15 pages
Print Icon
To Next Page IconTo Next Page
To Next Page IconTo Next Page
To Previous Page IconTo Previous Page
To Previous Page IconTo Previous Page
Loading...
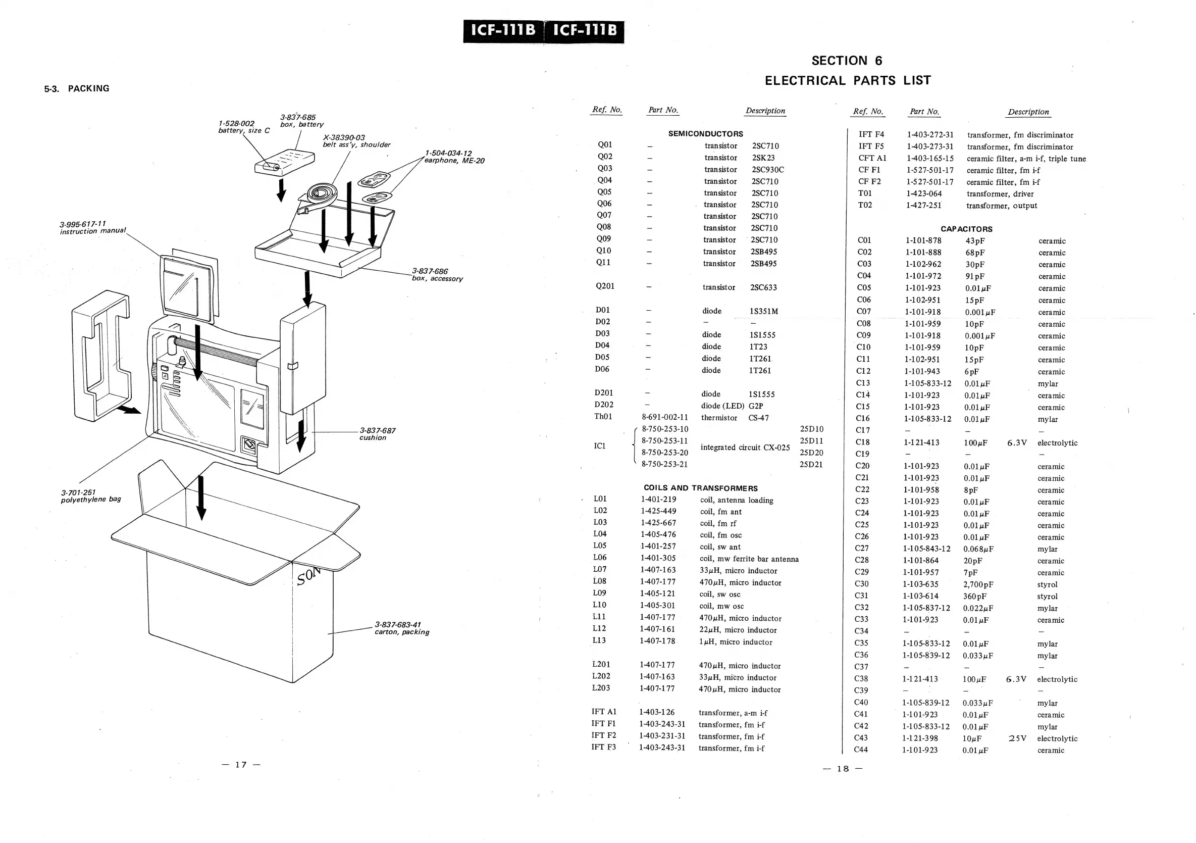
5-3.
PACKING
3-837-685
7-528-002
box,
battery
battery,
size
C
X-38390-03
belt
assā€™ā€˜y,
shoulder
1-504-034-12
earphone,
ME-20
3-995-617-1171
instruction
manual
3-83
7-686
box,
accessory
3-83
7-687
cushion
3-701-251
polyethylene
bag
3-83
7-683-41
carton,
packing
ICF-111B
|
ICF-111B
Ref
No.
Q01
—Q02
Q03
—Q04
QOS
Q06
Q07
Q08
Q09
Q10
Qll
Q201
DO1
DO02
D03
D04
DOS
D06
D201
D202
ThO1
IC1
LO1
LO02
L03
L04
LOS
L06
LO7
L08
LO9
L10
L11
L12
113
L201
L202
L203
IFT
Al
IFT
Fl
IFT
F2
IFT
F3
Part
No.
SEMICONDUCTORS
transistor
transistor
transistor
transistor
transistor
transistor
transistor
transistor
transistor
transistor
transistor
Description
2SC710
28K
23
2SC930C
2SC710
2SC710
28C710
2SC710
2SC710
~
28C710
2SB495
2SB495
SECTION
6
ELECTRICAL
PARTS
LIST
_
transistor
2SC633
oe
diode
18351M
ee
diode
1$1555
—
diode
1T23
~
diode
1T261.
x
diode
1T261
7
diode
181555
a
diode
(LED)
G2P
8-691-002-11
thermistor
CS-47
8-750-253-10
25D10
8-750-253-11
25D11
int
ircuit
CX-02
8-750-253-20
integrated
circuit
CX-025
25D20
8-750-253-21
25D21
COILS
AND
TRANSFORMERS
1-401-219
coil,
antenna
loading
1-425-449
coil,
fm
ant
1-425-667
coil,
fm
rf
1-405-476
coil,
fm
osc
1-401-257
coil,
sw
ant
1-401-305
coil,
mw
ferrite
bar
antenna
1-407-163
33H,
micro
inductor
1-407-177
470uH,
micro
inductor
1-405-121
coil,
sw
osc
1-405-301
coil,
mw
osc
1-407-177
-
470uH,
micro
inductor
1-407-161
22uH,
micro
inductor
1-407-178
1yH,
micro
inductor
1-407-177
470uH,
micro
inductor
1-407-163
33uH,
micro
inductor
1-407-177
470uH,
micro
inductor
1-403-126
transformer,
a-m
i-f
1-403-243-31
transformer,
fm
i-f
1-403-231-31
transformer,
fm
i-f
1-403-243-31
transformer,
fm
i-f
Ref.
No.
IFT
F4
IFT
FS
CFT
Al
CF
Fl
CF
F2
TO1
TO2
Col
C02
C03
C04
C05
C06
C07
C08
C09
C10
C11
C12
C13
C14
C15
C16
C17
C18
C19
C20
C21
C22
C23
C24
C25
C26
C27
C28
C29
C30
C31
C32
C33
C34
C35
C36
C37
C38
C39
C40
C41
C42
C43
C44
Part
No.
Description
1-403-272-31
transformer,
fm
discriminator
1-403-273-31
transformer,
fm
discriminator
1-403-165-15
ceramic
filter,
a-m
i-f,
triple
tune
1-527-501-17
ceramic
filter,
fm
i-f
1-527-501-17
ceramic
filter,
fm
i-f
1-423-064
transformer,
driver
1-427-251
transformer,
output
CAPACITORS
1-101-878
43
pF
ceramic
1-101-888
68pF
ceramic
1-102-962
30pF
ceramic
1-101-972
91
pF
ceramic
1-101-923
0.01
uF
ceramic
1-102-951
15pF
ceramic
1-101-918
0.001
uF
ceramic
1-101-959
10pF
|
ceramic
1-101-918
0.001
uF
ceramic
1-101-959
10pF
ceramic
1-102-951
15pF
ceramic
1-101-943
6
pF
ceramic
1-105-833-12
0O.01uF
mylar
1-101-923
0.01
uF
ceramic
1-101-923
0.01
uF
ceramic
1-105-833-12
0.01uF
mylar
1-121-413
100
uF
6.3V__
electrolytic
1-101-923
0.01
uF
ceramic
1-101-923
0.01
uF
ceramic
1-101-958
8
pF
ceramic
1-101-923
0.01
uF
ceramic
1-101-9.23
0.01
uF
ceramic
1-101-9
23
0.01
uF
ceramic
1-101-923
0.01
uF
ceramic
1-105-843-12
0.068uF
mylar
1-101-864
20pF
ceramic
1-101-957
7pF
ceramic
1-103-635
2,700
pF
styrol
1-103-614
360
pF
styrol
1-105-837-12
0.022uF
mylar
1-101-9.23
0.01
uF
ceramic
1-105-833-12
0.01luF
mylar
1-105-839-12
0.033
uF
mylar
1-121-413
100uF
6.3V_—
electrolytic
1-105-839-12
0.033uF
mylar
1-101-9.23
0.01
uF
ceramic
1-105-833-12
0.01
uF
mylar
1-121-398
10uF
25V__
electrolytic
1-101-923
ceramic
0.01
uF

Related product manuals