EasyManua.ls Logo

Sony ICF-CD2000 - Page 28

Sony ICF-CD2000
44 pages
Print Icon
To Next Page IconTo Next Page
To Next Page IconTo Next Page
To Previous Page IconTo Previous Page
To Previous Page IconTo Previous Page
Loading...
– 52 –
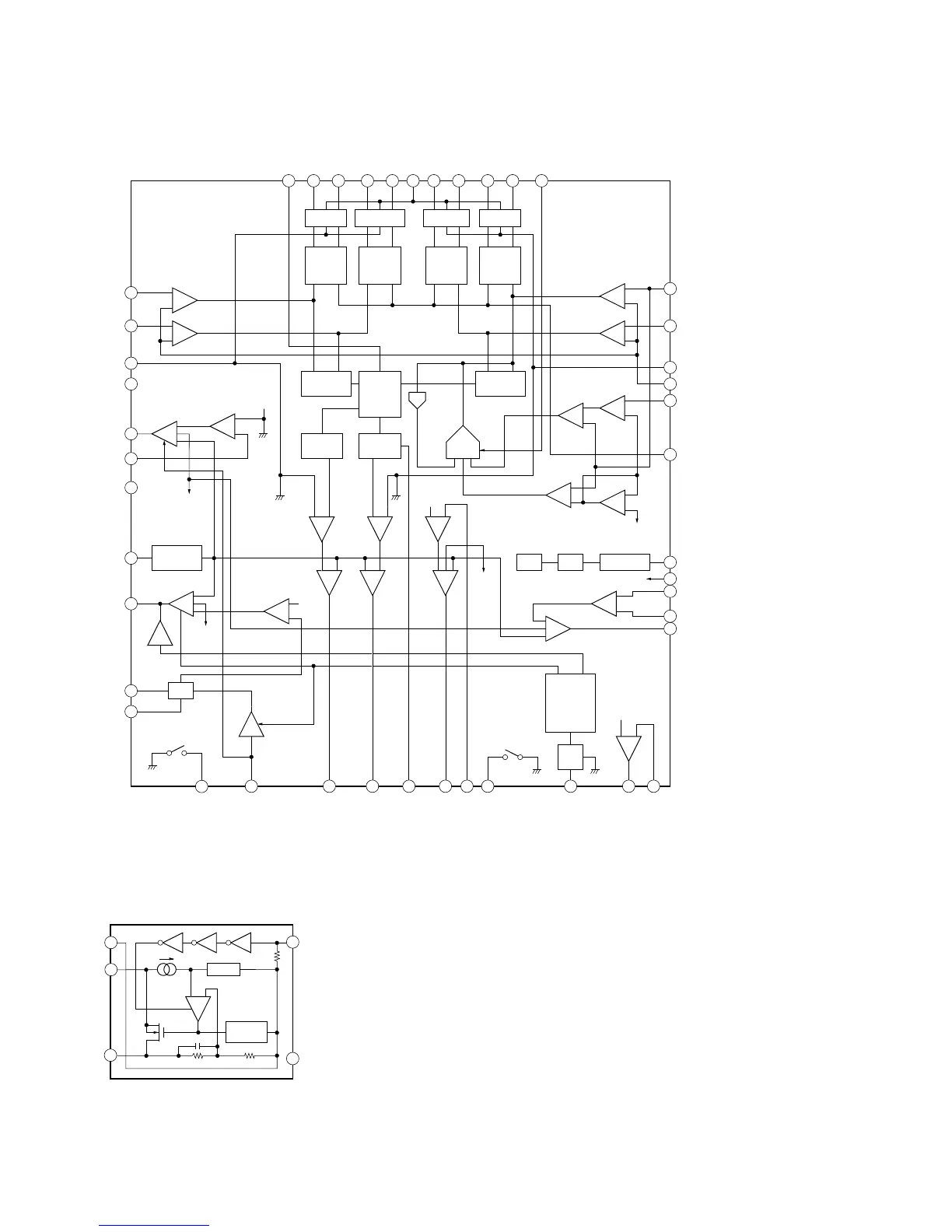
IC601 LB8118M
IC901 RN5RZ33BA-TR
+
+
+
+
+
+
+
+
H SLED
FORWARD
REVERSE
DRIVE
FORWARD
REVERSE
DRIVE
H SPINDLE
+
+
44 43 42 41 40 39 38 37 36 35 34
1
2
3
4
5
7
9
10
H FOCUS
FORWARD
REVERSE
DRIVE
FORWARD
REVERSE
DRIVE
H TRACKING
MAXIMUM
VALUE
MAXIMUM
VALUE
+
33
32
31
30
29
28
27
26
1CH/2CH
CHARGE
-OVER
OR
INVERSION
OUTPUT
+
+
+
ASP REF
CLUMP+
OFFSET
CLUMP+
OFFSET
+
+
DEAD
TIME
+
+
1.2V
6
DEAD
TIME
8
SAWTOOTH
OSCILATION
DEAD
TIME
+
11
SW
1.2V
13 14 15 16 17 18 19 20 21 22
VREF
2.7V
EXTERNAL
VOLTAGE
JUDGMENT
FORCED
STARTING
12
0.7V
+
23
+
25
24
STARTING1.2VTSD
PWM
ERROR
AMP
1.2V
ERROR
AMP
PWM
ERROR
AMP
PWM
PWM
ERROR
AMP
ERROR
AMP
PWM
PWM
ERROR AMP
IN1
IN2
VOUT1
VCD
CHG DRY
CHG MON
GND
OSC
EXT DRN
VEXT
VEXT-OHG
EXTBASE
CHG-ON
DB1
DB2
VO SET
ASP DRV
VASP
UPBASE
VZ
BO
BI
APC DRV
VAPC
VLD
VOC
S/S
MUTE
SL REF
ASP REF
VOUT2
IN3
IN4
SL MODE
OUT4–
OUT4+
OUT3–
OUT3+
PGND
OUT2–
OUT2+
OUT1–
OUT1+
1CH/2CH
1
2
3
4
5
+
VREF
CE
NC
VOUT
VDD
GND
CURRENT
LIMIT

Other manuals for Sony ICF-CD2000

Related product manuals