EasyManua.ls Logo

Sony K402 - Video Component Hookups; Connecting Video Components; Notes on Video Component Hookups

Sony K402
52 pages
Print Icon
To Next Page IconTo Next Page
To Next Page IconTo Next Page
To Previous Page IconTo Previous Page
To Previous Page IconTo Previous Page
Loading...
7
Hooking Up the Components
VIDEO
IN
INPUT
RL
AUDIO OUT VIDEO
OUT
OUTPUT
RL
AUDIO OUT VIDEO
OUT
OUTPUT
IN OUT
VIDEO
OUT
R
VIDEO
IN
AUDIO
OUT
AUDIO
IN
INPUT OUTPUT
L
ç
ç
SUB
WOOFER
IN OUT IN AUDIO IN AUDIO IN AUDIO OUT
AUDIO
OUT
FRONT
120V
240V 220V
CENTERSURROUND
AUDIO IN
RL
RL
RL
RL
VOLTAGE SELECTORVOLTAGE SELECTOR
MULTI CH INMULTI CH IN
DIGITAL
DIGITAL
ANTENNA
CDCD MD/TAPEMD/TAPE VIDEOVIDEO
SPEAKERSSPEAKERS
FRONT
TV/SAT
IN
OPTICAL
DVD/LD
IN
SURROUND
R
L
R
L
CENTER
VIDEO IN
VIDEO IN
VIDEO OUT
VIDEO IN
VIDEO OUT
IMPEDANCE USE 8 – 16
IMPEDANCE USE 8 – 16
ANTENNAANTENNA
AM
FM
75
COAXIAL
TV/SATTV/SAT
MONITOR
DVD/LDDVD/LD
SUB
WOOFER
SUB
WOOFER
COAXIAL
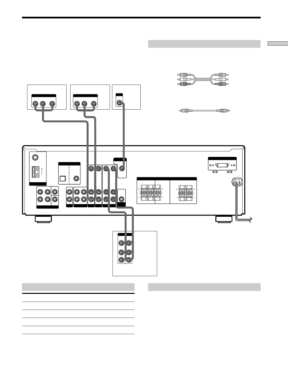
Note on video component hookups
You can connect your TV’s audio output jacks to the TV/
SAT AUDIO IN jacks on the receiver and apply sound
effects to the audio from the TV. In this case, do not
connect the TV’s video output jack to the TV/SAT VIDEO
IN jack on the receiver. If you are connecting a separate
TV tuner (or satellite tuner), connect both the audio and
video output jacks to the receiver as shown above.
Jacks for connecting video components
Connect a To the
TV or satellite tuner TV/SAT jacks
VCR VIDEO jacks
DVD or LD player DVD/LD jacks
TV monitor MONITOR VIDEO OUT jack
Required cords
Audio/video cords (not supplied)
When connecting a cord, be sure to match the color-coded pins to
the appropriate jacks on the components.
Video cord for connecting a TV monitor (not supplied)
Video Component Hookups
TV or satellite tuner DVD or LD player
Yellow Yellow
Yellow (video) Yellow (video)
White (L/audio) White (L/audio)
Red (R/audio) Red (R/audio)
VCR
TV monitor

Related product manuals