EasyManua.ls Logo

Sony MCE-S78K - Hooking Up the System

Sony MCE-S78K
32 pages
Print Icon
To Next Page IconTo Next Page
To Next Page IconTo Next Page
To Previous Page IconTo Previous Page
To Previous Page IconTo Previous Page
Loading...
5
Getting Started
Getting Started
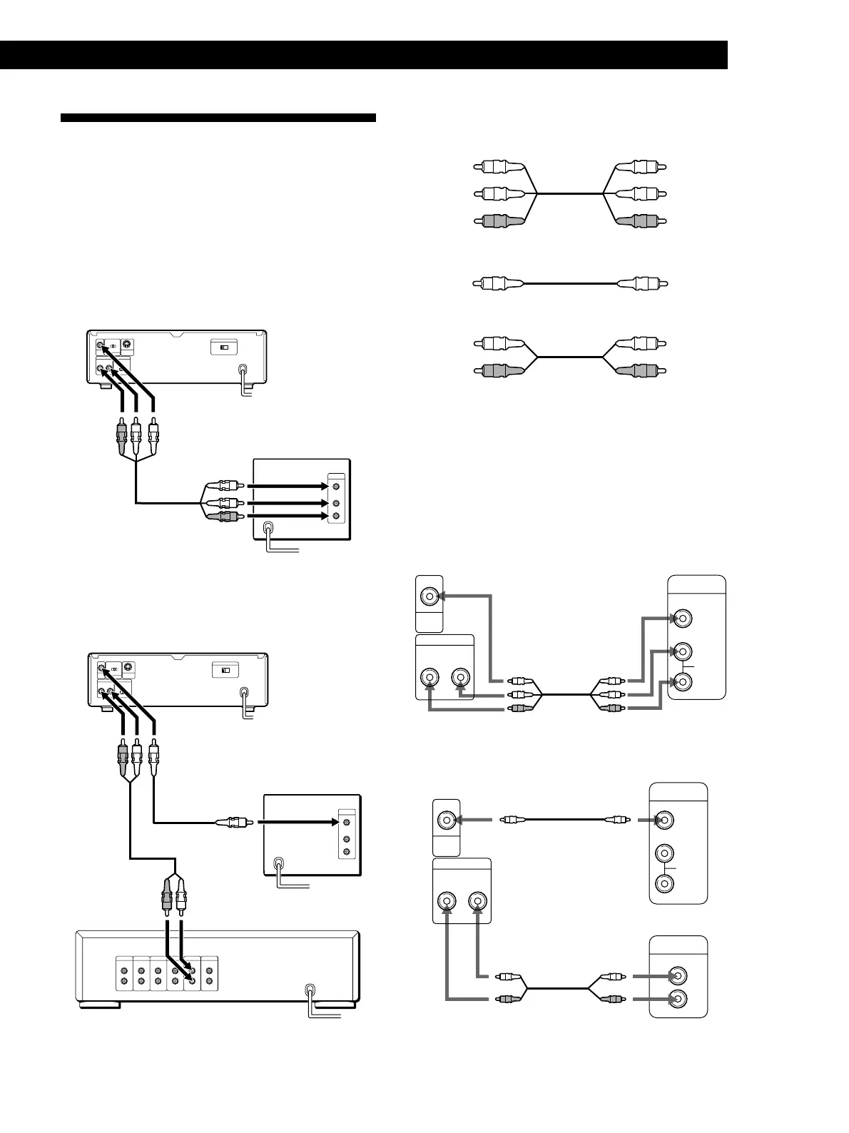
What cords will I need?
Audio and video connecting cord (supplied) (1)
Video connecting cord (not supplied) (1)
Audio connecting cord (not supplied) (1)
Hookups
When connecting the cord, be sure to match the color-
coded cord to the appropriate jacks on the components:
Yellow (video) to Yellow, Red (right) to Red and White
(left) to White. Be sure to make connections firmly to
avoid hum and noise.
pWhen listening to the sound through TV speakers
L
R
VIDEO
AUDIO
INPUT
RL
AUDIO OUT
VIDEO
OUT
ç
pWhen listening to the sound through speakers
connected to an amplifier
L
R
VIDEO
AUDIO
INPUT
CD
L
R
ç
ç
RL
AUDIO OUT
VIDEO
OUT
Hooking Up the System
Overview
This section describes how to hook up the VIDEO CD
player to a TV (with audio/video input jacks) and/or
an amplifier. Be sure to turn off the power of each
component before making the connections.
pWhen listening to the sound through TV speakers
ç
ç: Signal flow
pWhen listening to the sound through speakers
connected to an amplifier
ç
ç
ç: Signal flow
VIDEO CD player
TV
(Continued)
VIDEO CD player
Yellow Yellow
White
(L)
Red
(R)
Yellow
(video)
White
(L)
Red
(R)
Red
(R)
White
(L)
Yellow
(video)
White
(L)
Red
(R)
Amplifier
To
VIDEO
OUT
To an AC outlet
To video input
To an AC outlet
To an AC outlet
Amplifier
VIDEO CD player
TV
To
audio
input
To
AUDIO
OUT
TV
To an AC outlet
To
VIDEO
OUT
To video input
To audio input
To an AC outlet
To
AUDIO
OUT
TV
VIDEO CD player

Related product manuals