EasyManua.ls Logo

Sony MDS-E12 - 2-6. Schematic Diagram - AC;PSW SECTION

Sony MDS-E12
120 pages
Print Icon
To Next Page IconTo Next Page
To Next Page IconTo Next Page
To Previous Page IconTo Previous Page
To Previous Page IconTo Previous Page
Loading...
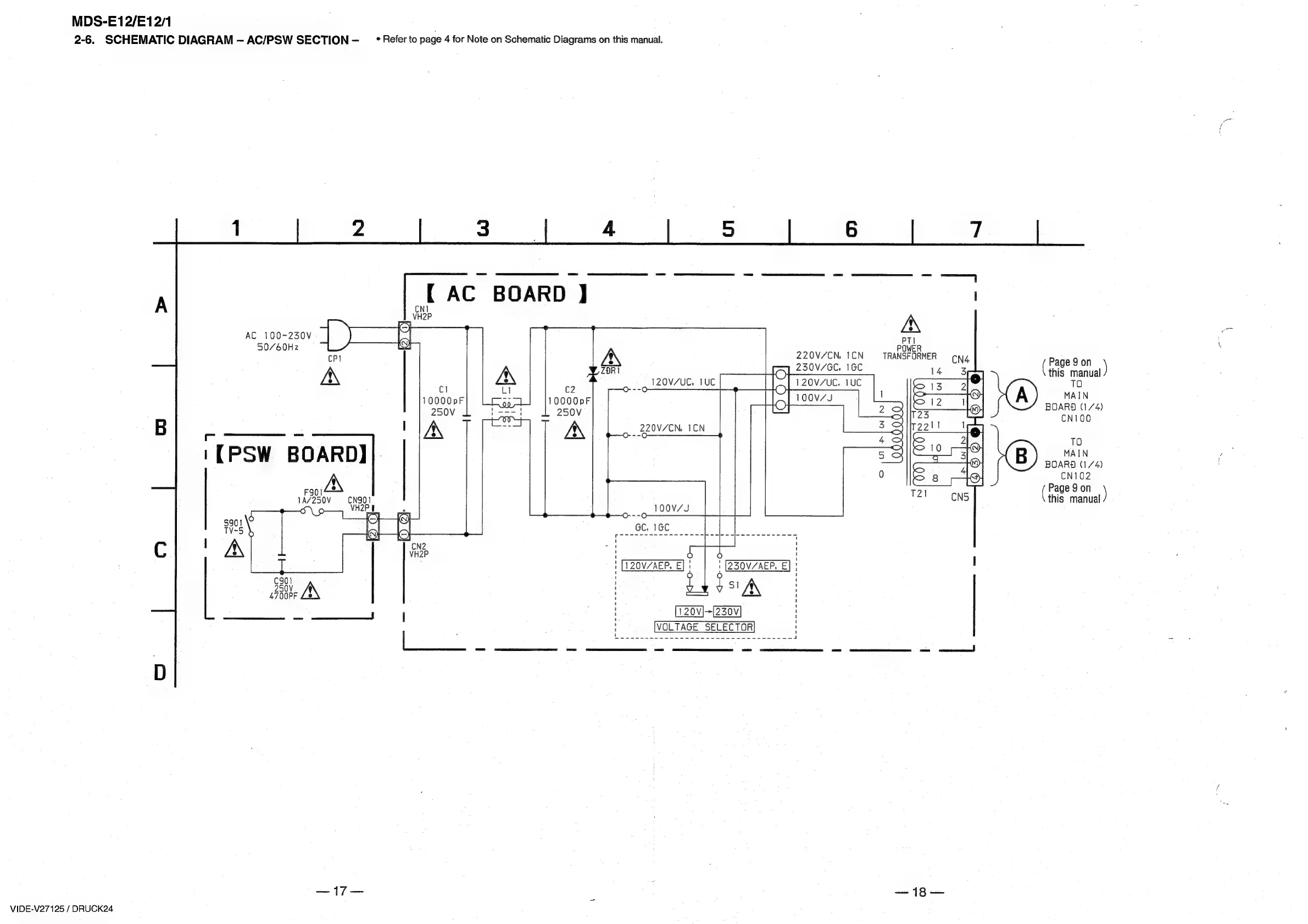
MDS-E12/E12/1
|
2-6.
SCHEMATIC
DIAGRAM
AC/PSW
SECTION
°°
Refer
to
page
4
for
Note
on
Schematic
Diagrams
on
this
manual.
[
AC
BOARD
]
|
CN
VH2P
lax
AC
100-230V
i
eae
AN
ke
PT
POWER
220V/CN,
1CN
TRANSFORMER
50/60Hz
CPI
Page
9
on
A
230V/GC,
1GC
(trig
ae
TO
1
MAIN
oS
BOARD
(1/4)
=
CN100
EP,
A
a
-
=
TO
[
]
.
>=
MAIN
1
{PSW
BOARD
:
BOARD
(1/4)
CN102
A
Page
9
on
A/S
CN9O1
(this
ane)
So
dia
i
:
ay,
Se
5
eee
ee
2
eee
'
A
|
:
!
I
901
Feit:
ZN
!
eee
'
a
a
a
ee
ee
ee
ee
ee
i
apes
:
“ies
VIDE-V27125
/
DRUCK24

Other manuals for Sony MDS-E12

Related product manuals