EasyManua.ls Logo

Sony MDS-E12 - 5-13. Schematic Diagram - BAL SECTION

Sony MDS-E12
120 pages
Print Icon
To Next Page IconTo Next Page
To Next Page IconTo Next Page
To Previous Page IconTo Previous Page
To Previous Page IconTo Previous Page
Loading...
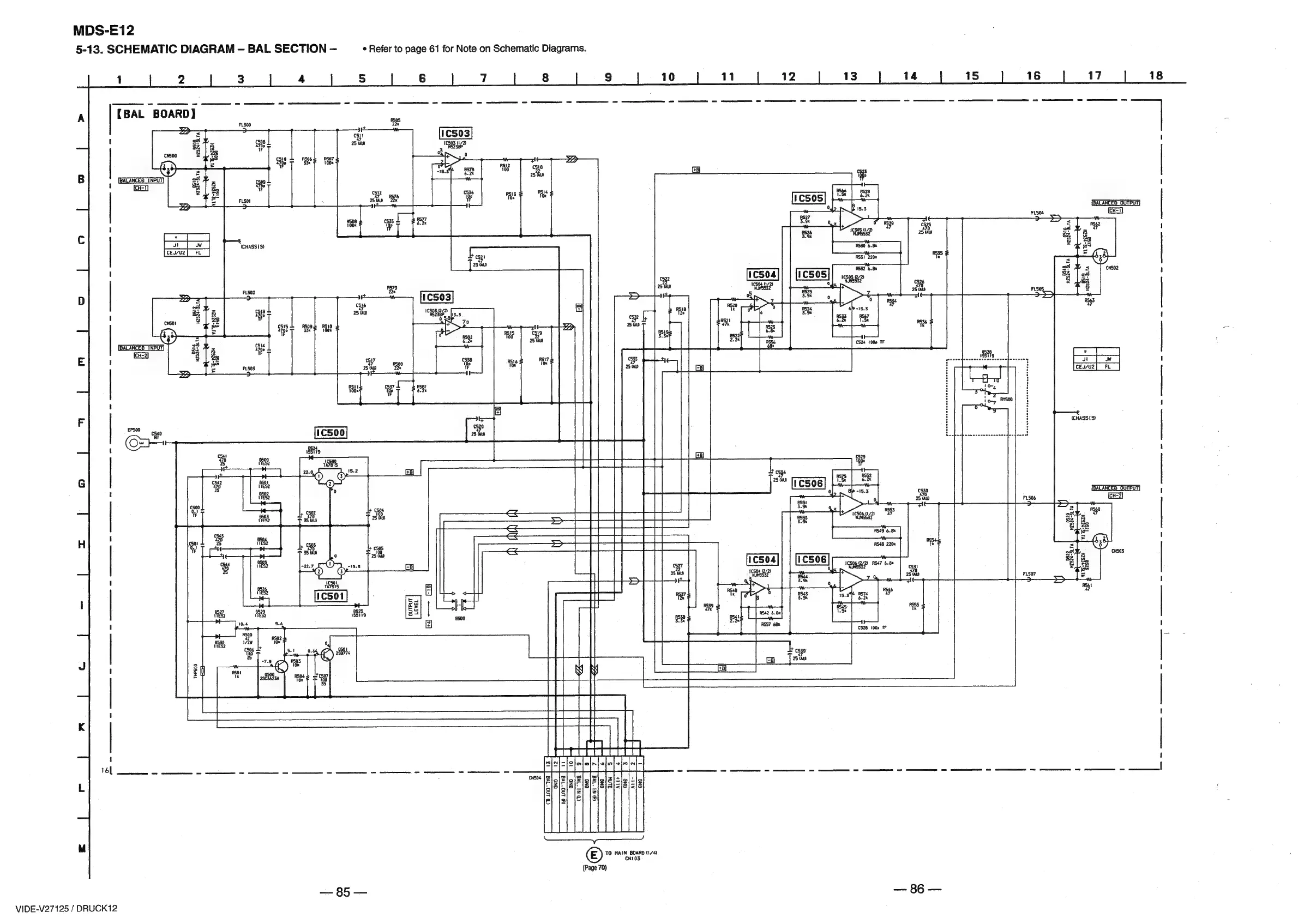
MDS-E12
5-13.
SCHEMATIC
DIAGRAM
BAL
SECTION
*
Refer
to
page
61
for
Note
on
Schematic
Diagrams.
[BAL
BOARD]
725
aa
i
[BALANCES
INPUT)
(ceed
t
1
t
t
!
!
1
|
!
t
!
1
1
'
i}
I
DU
i
pa
a
ne
VIDE-V27125
/
DRUCK12
(CHASS
1S)
CNSO4
|S
4
+4
*
ir
e
is
=
c ¢
ih
mic
2l"|2l"lz\"lz
el
|s
2
TO
MAIN
BOARD
(1/4)
CNIO3
(Page
70)
85
R532
6.8%
"Re
(CHASSIS)
&,
om
2
ma
NS03
%
ts
=e
peo
=
R561
a
C528
1009
TF
86

Other manuals for Sony MDS-E12

Related product manuals