EasyManua.ls Logo

Sony Model STR-DK5 - Page 11

Sony Model STR-DK5
44 pages
Print Icon
To Next Page IconTo Next Page
To Next Page IconTo Next Page
To Previous Page IconTo Previous Page
To Previous Page IconTo Previous Page
Loading...
Getting Started
masterpage:Right
lename[F:\Sony SEM
H
A\Revison3_DK5\JC06xxx_2656285141STRDK5_GB\2656285141\GB03CON_STR-DK5-
S
P.fm]
model name1[STR-DK5]
[2-656-285-14(1)]
11
GB
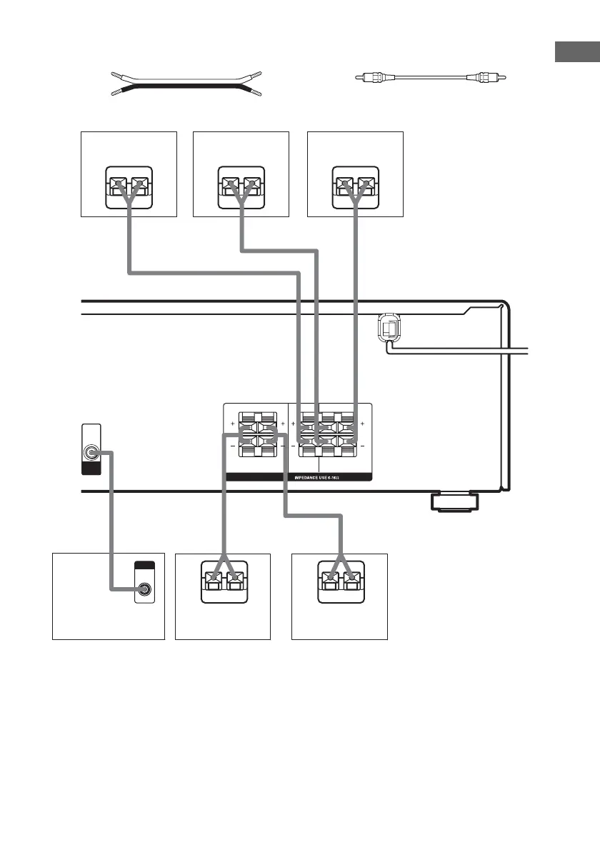
Required cords
A Speaker cords (not supplied)
(+)
(–)
B Monaural audio cord (not supplied)
Black
AUDIO
OUT
SUB
WOOFER
R
LR
CENTER
L
LR
FRONTSURROUND
RL
AUDIO
IN
A
Ee
A
Ee
A
B
E
e
E
e
A
Ee
A
SPEAKERS
INPUT
Sub woofer
Center speaker
Front speaker
(Left)
Front speaker
(Right)
Surround speaker
(Right)
Surround speaker
(Left)
GB01COV_STR-DK5-SP.book Page 11 Monday, February 20, 2006 6:34 PM

Related product manuals