EasyManua.ls Logo

Sony PS-11 - Page 18

Sony PS-11
23 pages
Print Icon
To Next Page IconTo Next Page
To Next Page IconTo Next Page
To Previous Page IconTo Previous Page
To Previous Page IconTo Previous Page
Loading...
ec
ees
a
sete
ae
Geese
eT
ee
a
ee
Mee
bse
tater
ee
Was
I
a
ol
De
a
ec
ee
ie
ter
tn
cero
ny
bb)
Oe
gt
at
am
:
a
ae
|
fe
2sca45
~~
ICI-2_PCB24C_
D4
151559
|
oi
.
:
DC
AMP
Ik
=
=
Hl
AND
H2
ARE’
[Sai
Hd)
HALL
DEVICES
RV2
3.3k
t,
R27
330
R28
330
RV3
3.3k
IGAUNTH2}|
IC1-3
pPC324¢
ORIVE
AMP
R37
15k
RV4
4.7k
R38
15k
ICt-4
pPC324C
ORIVE
AMP
R39
15k
RV5
4.7k
R40
15k
QU
Q6,10
2Sci4i\
09,11
2SA755
MOTOR
ORIVE
MOTOR
DRIVE
LE
i
a
es:
Se
ee
ee
er
en
a
oo
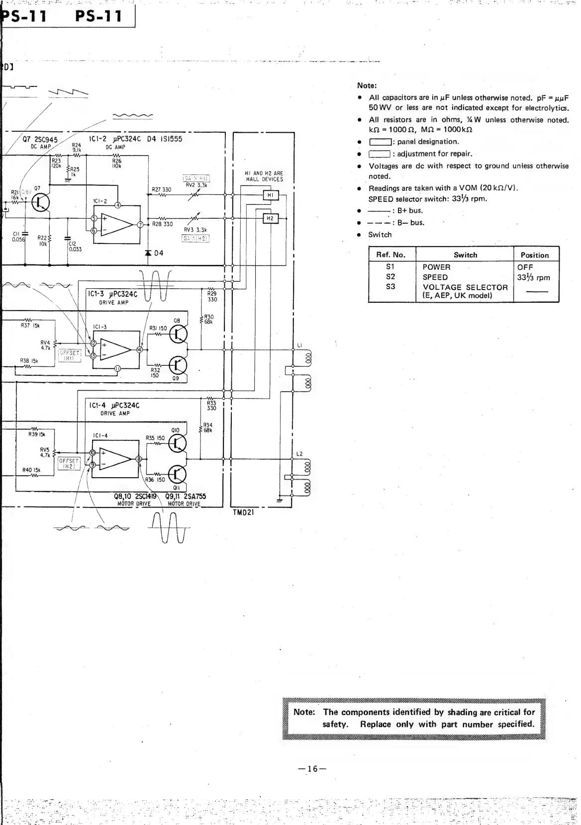
Note:
All
capacitors
are
in
uF
unless
otherwise
noted.
pF
=
uwuF
50
WV
or
less
are
not
indicated
except
for
electrolytics.
All
resistors
are
in
ohms,
%W
unless
otherwise
noted.
kQ
=
10002,
MQ
=
1000k2
(__]:
panel
designation.
|:
adjustment
for
repair.
Voltages
are
dc
with
respect
to
ground
unless
otherwise
noted.
Readings
are
taken
with
a
VOM
(20
k9/V).
SPEED
selector
switch:
3344
rpm.
:
B+
bus,
|
pen
:
B—
bus.
Switch
3343
rpm
VOLTAGE
SELECTOR
(E,
AEP,
UK
model)
Sc
ec
eee
.
Note:
The
components
identified
by
shading
are
critical
for
:
|
s
safety.
Replace
only
with
part
number
specified.
7
ae,
ee,
eas
ae
>
0».
-
*
aes
* * 4
*
AA;
5
eM
ata
oe
ee
ata
te
ete
tn
ata!
OR
Kn
eat
Ot
te'n
pnts
ena"
‘a!
att
nee
een
as
at
ke
—16—
ws
We
et
ee
7
:
.
+.
Danae
.
-
waa
wi
Sa
:
-
we
oc
:
ry
~?
arog
+
.
te
are
eng
ee
ae
.
=
-
Me
toe
=
.
&
oY
Ta
a
tees
:
«
+
ou
sae
*
ear?
:
,
se
-
ie
a
Pm
PY
ed
2
eee
wate

Other manuals for Sony PS-11

Related product manuals