EasyManua.ls Logo

Sony PS-11 - Section 5: Exploded Views; Main Unit Exploded View

Sony PS-11
23 pages
Print Icon
To Next Page IconTo Next Page
To Next Page IconTo Next Page
To Previous Page IconTo Previous Page
To Previous Page IconTo Previous Page
Loading...
stl
iad
a
eG
PT
ee
ote
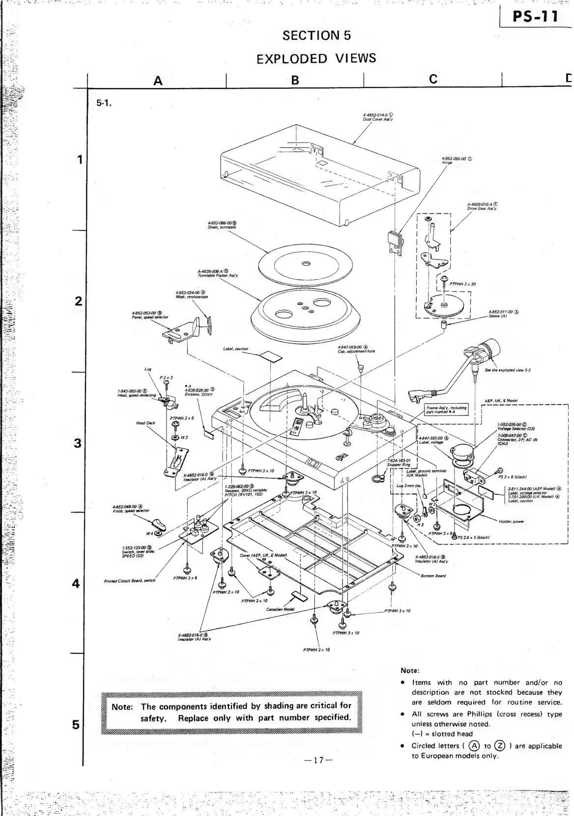
SECTION
5
EXPLODED
VIEWS
B
X-4852-014-0
©
Dust
Cover
Ass’y
4-852-086-00@)
Sheet,
turntable
oe
A-4626-008-4
©
Bea
Turntable
Platter
Ass’y
ae
4-852-034-00
oo
Mask,
stroboscope
4-852-053-00
®
Panel,
speed
selector
4-847-059-00
@
Label,
caution
Cap,
adjustment
hale
a
Lug
ae,
eA
:
1-543-093-00
©
4-836-828-00
®
.
Head,
speed
detecting
Embiem,
SONY
a
-
Head
Deck
7-624-183-01
Stopper
Ring
de
S&S
ie
|
1-226-062-0089
Resistor,
20kQ
variable;
!
PITCH
(RV107,
102)
4-852.048-00
Knob,
spead
se/actor
ws
1-552-123-00
@
Switch,
ever
slide;
SPEED
(52)
Printed
Circuit
Board,
switch
PTPWH
3
x
10
PTPWH
3
x
10
i
T
“Label,
ground
terminal
j
i
(UK
Model}
Lug
3mm
dia.
$-852-056-00
©
Hinge
A-4609-010-4
©
Drive
Gear
Ass’y
4.852-011-00
@
Sleeve
{Aj
the
exploded
view
5.3
_
7
,
Voltage
Selector
(S32)
:
FGORS47-00-©.
°
|
4847-555-00
®
Connector,
3P;
AC
IN
PS
3
x
8
(biack}
3-811-244-00
(AEP
Model}
®
Label,
vot
selector
3701-39000
(UK
Model)
@
Label,
caution
Holder,
power
X-4852-016-0
@
insulator
(A)
Ass’y
8ottom
Board
PTPWH
3
x
10
=
X-4882.016-0
®
BNE
I
:
a
insulator
{A}
Ass’y
PTPWH
3 x
10
Note:
e
items
with
no
part
number
and/or
no
:
FEC
ae
a
RE
aac
description
are
not.
stocked
because
they
=
:
aps
.
are
seldom
required
for
routine
service.
#
Note:
The
components
identified
by
shading
are
critical
for
,
4
ee
Be
.
-£:
ae
e
All
screws
are
Phillips
(cross
recess)
type
po
Be
safety.
Replace
oniy
with
part
number
specified.
=
é
rae
ses
5
BS
:
.
Me
ece
had
esinstit
Nena
Seances
ae
unless
otherwise
noted.
=
SSSR
NSE
(—)
=
slotted
head
ae
@
Circled
letters
(
(A)
to
@
)
are
applicable
ee
_17—
to
European
models
only.

Other manuals for Sony PS-11

Related product manuals