EasyManua.ls Logo

Sony RMT-V307 - Main Deck Component Removal - Drive and Cam Parts

Sony RMT-V307
27 pages
Print Icon
To Next Page IconTo Next Page
To Next Page IconTo Next Page
To Previous Page IconTo Previous Page
To Previous Page IconTo Previous Page
Loading...
7
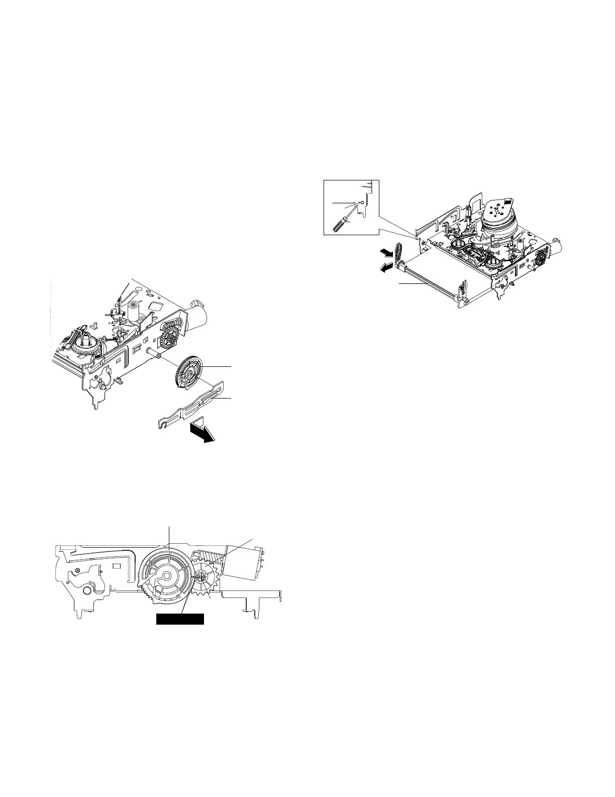
1-2-4 Lever FL Arm Ass’y Removal
1) Push the hole “A” in the direction of arrow “B”
use the pin.(about Dia.2.5)
2) Pull out the Lever FL Arm Ass'y Œ from the Boss
of Main Base.
3) Remove the Lever FL Arm Ass'y Œ in the direc-
tion of arrow “C”.
Œ GEAR FL CAM
GEAR WORM WHEEL
POST
TIMING POINT
Fig. 1-7 Gear FL Cam, Gear Worm
1-2-3 Slider FL Drive, Gear FL Cam Removal
1) Pull the Slider FL Drive Œ to the front direction.
2) Remove the Slider FL Drive Œ in the direction of
arrow. (Refer to Fig. 1-6)
3) Remove the Gear FL cam ´.
Note : When reinstalling be sure to reassemble Slider
FL drive Œ after you insert the Boss of Lever FL
ARM-R in Groove of Slider Fl drive Œ.
Assembly : Align the Gear FL Cam Œ with the Gear
worm wheel Post as shown drawing.
(Refer to Timing point)
Œ SLIDER FL DRIVE
´ GEAR FL CAM
Fig. 1-6 Slider FL Drive Removal
Œ LEVER FL ARM ASS`Y
"C"
"B"
PIN
HOLE "A"
Fig. 1-8 Lever FL Arm Assy Removal