EasyManua.ls Logo

Sony SA-S350 - Peripheral Board Schematics

Sony SA-S350
80 pages
Print Icon
To Next Page IconTo Next Page
To Next Page IconTo Next Page
To Previous Page IconTo Previous Page
To Previous Page IconTo Previous Page
Loading...
HT-S350/SD35
HT-S350/SD35
37
Sony CONFIDENTIAL
For Authorized Servicer
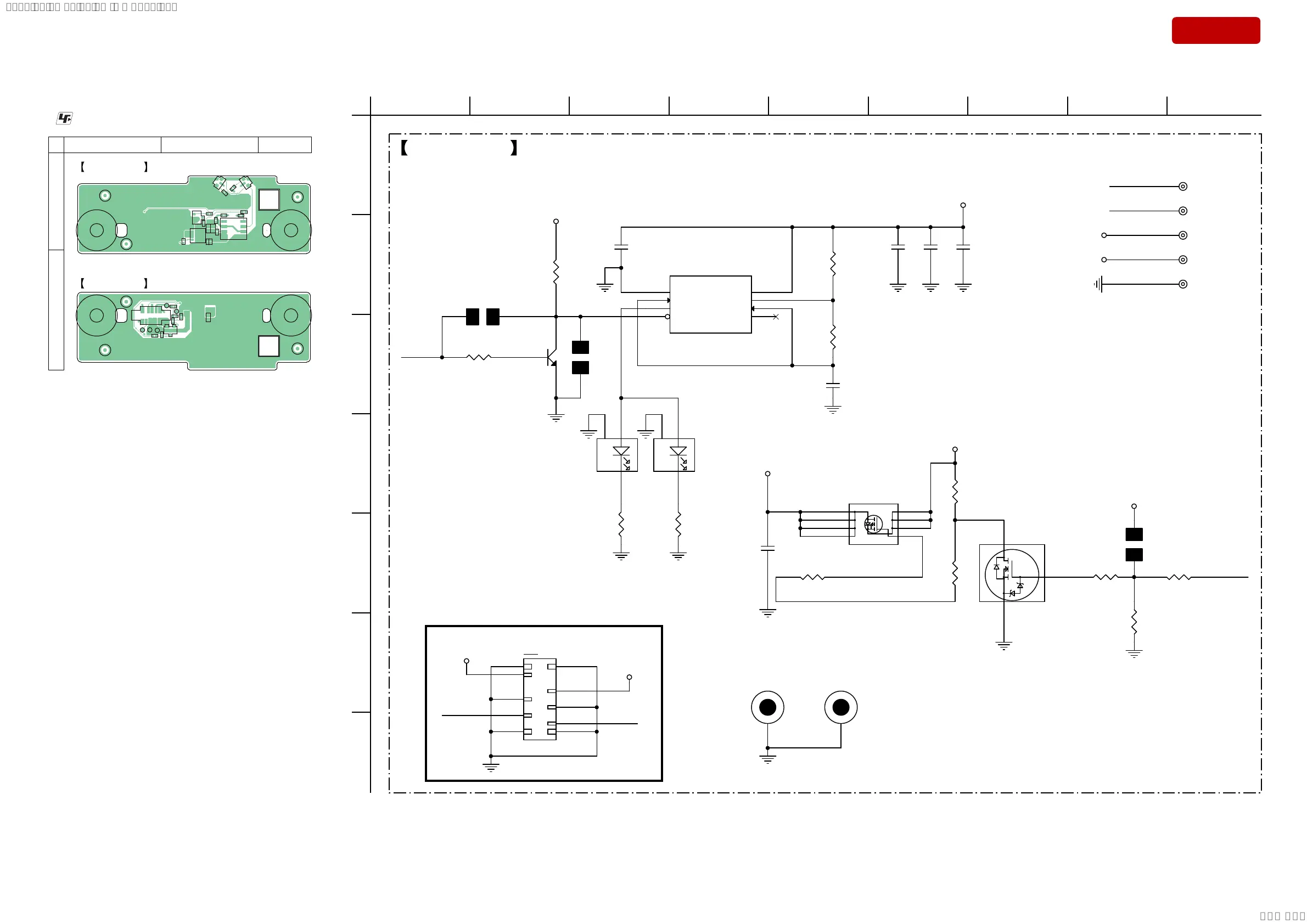
4-12. PRINTED WIRING BOARD - IR RP Board -
: Uses unleaded solder.
• See page 26 for Circuit Boards Location.
H1
Q2
R11
Q1
C4
C3
U1
R2
R1
C7
C2
L
E
D
2
L
E
D
1
R7
R4
R8
R5
R3
C5
C6
H2
CN1
TP146
TP143
TP144
TP142
TP145
R14
R12
R13
R9
Q3
R10
R6
C1
A
B
1 2
IR RP BOARD (SIDE A)
IR RP BOARD (SIDE B)
3
4-13. SCHEMATIC DIAGRAM - IR RP Board -
A
E
D
B
C
123456789
F
IR RP BOARD
R5
100KR2J-1-GP
R8
20R2J-3-GP
R9
DUMMY-R2-GP
C7
SCD1U50V2KX-1-GP
R11
0R2J-2-GP
R3
DUMMY-R2-GP
H2
HOLE394R138-GP
R6
33KR2J-3-GP
R7
20R2J-3-GP
R2
4K7R2J-2-GP
R14
10KR2J-3-GP
TP142
TPAD40-GP
C5
DUMMY-C2
CN1
ETY-CONN6A-5-GP
H1
HOLE394R138-GP
TP146
TPAD40-GP
Q2
AON7401-GP
C6
SCD01U16V2KX-3GP
TP143
TPAD40-GP
R10
1KR2J-1-GP
C2
SCD1U10V2KX-5GP
R4
1K43R2F-1-GP
TP145
TPAD40-GP
C3
SC10U25V3MX-GP
Q1
LMBT3904LT1G-GP
C1
SCD1U50V3KX-GP
TP144
TPAD40-GP
R12
100KR2J-1-GP
R1
240R2F-1-GP
R13
0R2J-2-GP
C4
SC10U25V3MX-GP
LED2
LED-IR-56-GP
LED1
LED-IR-56-GP
Q3
L2N7002SLT1G-GP
U1
NE555DR-1-GP
Q14G
Q14G_1
Q15G
IR_TX_EN
IR_TX_2 IR_TX_3
Q13B
NE555_RST
IR_RX
NE555_TRIG
NE555_DISCH
NE555_OUT
IR_TX_EN
IR_RX
IR_RX
IR_TX_EN
IR Repeater
+3V3_STB
+5V_IR_TX
+5V_STB
+5V_IR_TX
+5V_IR_TX
+5V_STB
+3V3_STB
+5V_STB
+3V3_STB
12
12
12
12
12
12
1
12
12
12
12
1
12
1
2
3
4
5
6
78
910
1
1
1
2
3
45
6
7
8
12
1
12
12
12
1
12
C
B
E
12
1
12
12
12
12
2A1K
3
2A1K
3
S
G
D
1
2
3
4
8
7
6
5
fo=40KHz
S
S
S
GD
D
D
D
GND
TRIG
OUT
RESET#
VCC
DISCH
THRES
CONT
IR_TX
G
SYSSET
2019/02/1301:27:25(GMT+09:00)

Table of Contents

Related product manuals