EasyManua.ls Logo

Sony SA-S350 - Schematic Diagram - POWER Board

Sony SA-S350
80 pages
Print Icon
To Next Page IconTo Next Page
To Next Page IconTo Next Page
To Previous Page IconTo Previous Page
To Previous Page IconTo Previous Page
Loading...
HT-S350/SD35
HT-S350/SD35
41
Sony CONFIDENTIAL
For Authorized Servicer
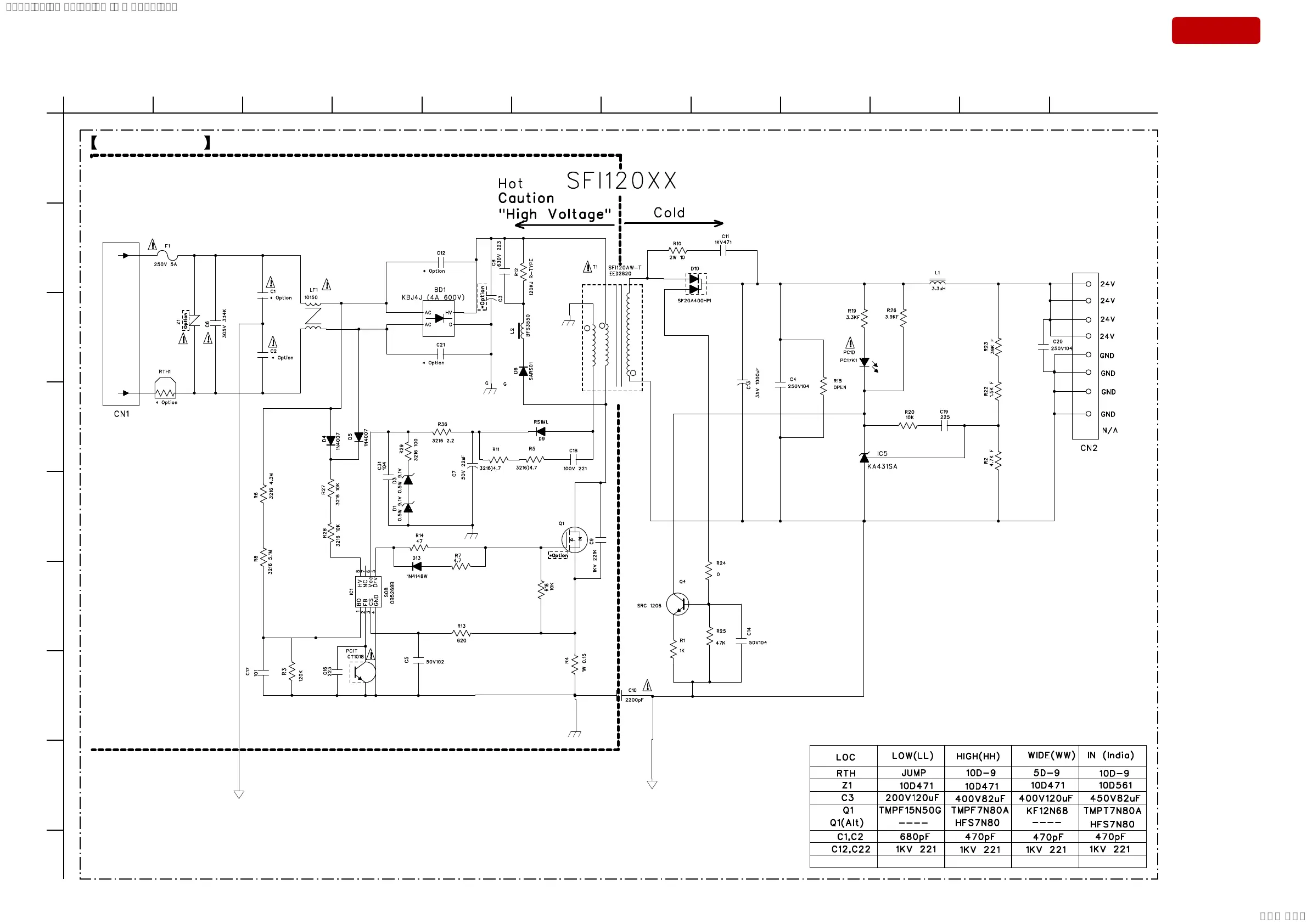
4-19. SCHEMATIC DIAGRAM - POWER Board -
A
E
D
B
C
12345678
POWER BOARD
F
G
91011 12
I
H
SYSSET
2019/02/1301:27:25(GMT+09:00)

Table of Contents

Related product manuals