EasyManua.ls Logo

Sony SA-S350 - Page 72

Sony SA-S350
80 pages
Print Icon
To Next Page IconTo Next Page
To Next Page IconTo Next Page
To Previous Page IconTo Previous Page
To Previous Page IconTo Previous Page
Loading...
SA-WS350/WSD35
SA-WS350/WSD35
25
Sony CONFIDENTIAL
For Authorized Servicer
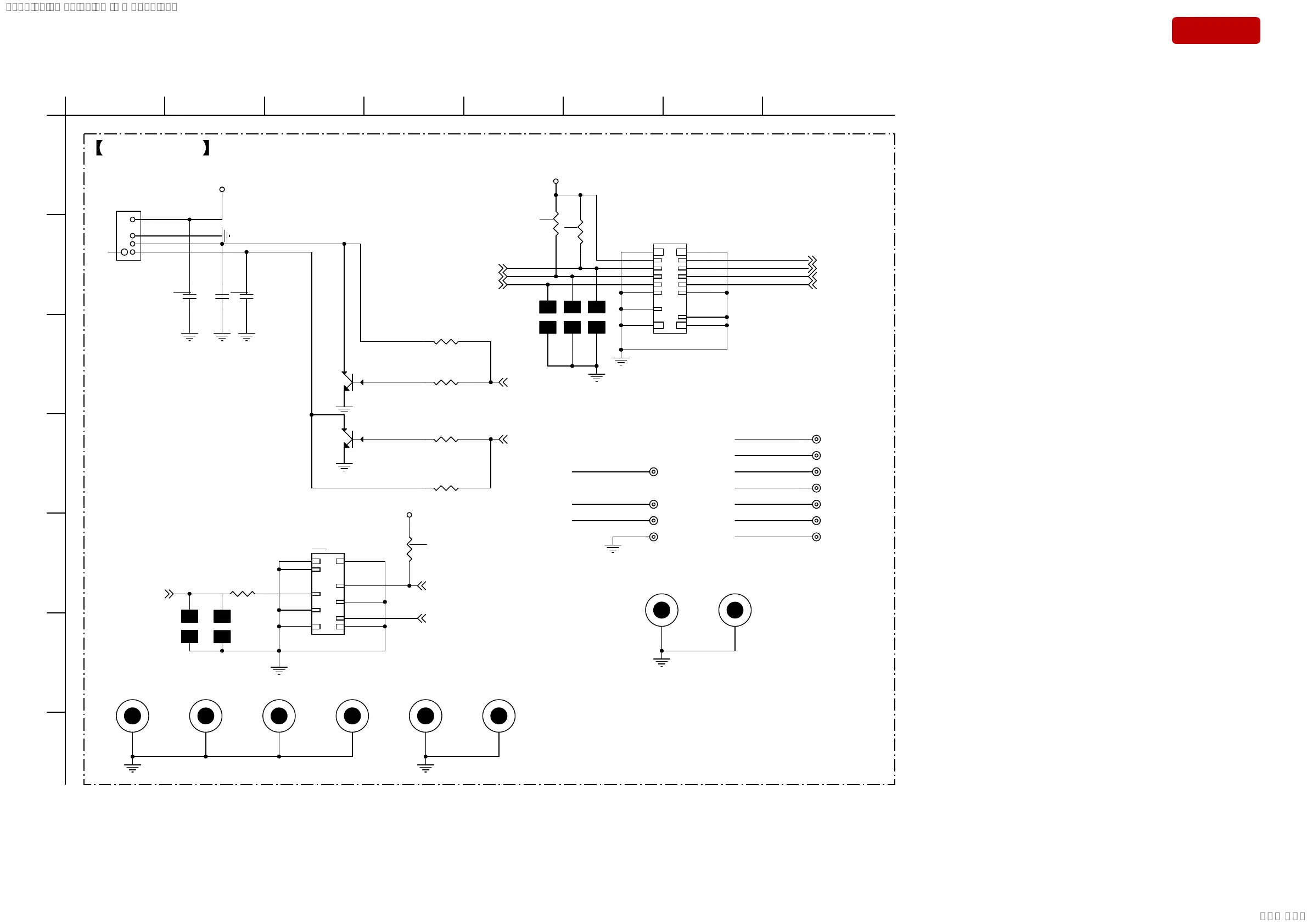
3-6. SCHEMATIC DIAGRAM - MAIN Board (4/4) -
A
E
D
B
C
1234567 8
(4/4)MAIN BOARD
F
G
I/O
Key and update to BT
DNP
DNP
DNP
DNP
1A-modify
add R244,value is 0 ohm
add dummy pad R245.R246 ,please placed near by CN7
+3V3_STB
+3V3_STB
+3V3_STB
12
1
1
1
1
2
3
4
5
6
78
910
12
12
12
1
C
B
E
12
1
1
12
1
1
2
3
4NP1
1
12
1
12
12
1
1
C
B
E
12
1
1
2
34
56
78
910
1112
1314
1516
12
1
1
1
1
12
1
12
12
12
1
12
1
SDA
UART_RX
UART_TX
UART_TX
UART_RX
SDA
BT_BOOT
PCONT
KEY_PAIR_1
KEY_PAIR
ANALOG_SW
LED0
LED1
Q15_B
Q16_B
Q15_C
Q16_C
KEY_PAIR
KEY_PAIR_1
PCONT
BT_BOOT
LED0
6
UART_TX
6
UART_RX
6
SDA
6
WIRED_DET
6
WIRED_ON
5,6
ANALOG_SW
6
LED1
6
KEY_PAIR
6
PCONT
4,5,6
BT_BOOT
6
KEY_PAIR_1
6
R231
0R2J-2-GP
H1
HOLE394R138-GP
H8
HOLE335R123-GP
TP151
TPAD40-GP
CN7
ETY-CONN6A-5-GP
R79
4K7R2J-2-GP
R223
SCD1U16V2JX-1-GP
R230
0R2J-2-GP
TP154
TPAD40-GP
Q16
MMBT3904-3-GP
R234
DUMMY-R2-GP
H3
HOLE394R138-GP
TP145
TPAD40-GP
R235
DUMMY-R2-GP
H2
HOLE394R138-GP
CN9
BAOT-CON4-S3-GP
TP146
TPAD40-GP
R221
SC1000P50V2JN-1-GP
TP142
TPAD40-GP
R245
DUMMY-R2-GP
R229
10KR2J-3-GP
H4
HOLE394R138-GP
TP147
TPAD40-GP
Q15
MMBT3904-3-GP
R244
0R2J-2-GP
TP148
TPAD40-GP
CN6
ACES-CONN12A-5-GP
R246
TP143
TPAD40-GP
H5
HOLE394R138-GP
H7
HOLE335R123-GP
TP155 TPAD60-OG-GP
R228
10KR2J-3-GP
H6
HOLE394R138-GP
R222
R80
4K7R2J-2-GP
R233
DUMMY-R2-GP
TP144
TPAD40-GP
R212
10KR2J-3-GP
TP153
TPAD40-GP
SYSSET
2019/02/1301:37:00(GMT+09:00)

Table of Contents

Related product manuals