EasyManua.ls Logo

Sony SA-VE155 - Schematic Diagram (SA-WMS155)

Sony SA-VE155
10 pages
Print Icon
To Next Page IconTo Next Page
To Next Page IconTo Next Page
To Previous Page IconTo Previous Page
To Previous Page IconTo Previous Page
Loading...
55
SA-VE155/WMS155/SS-MS155
SA-VE155/WMS155/SS-MS155
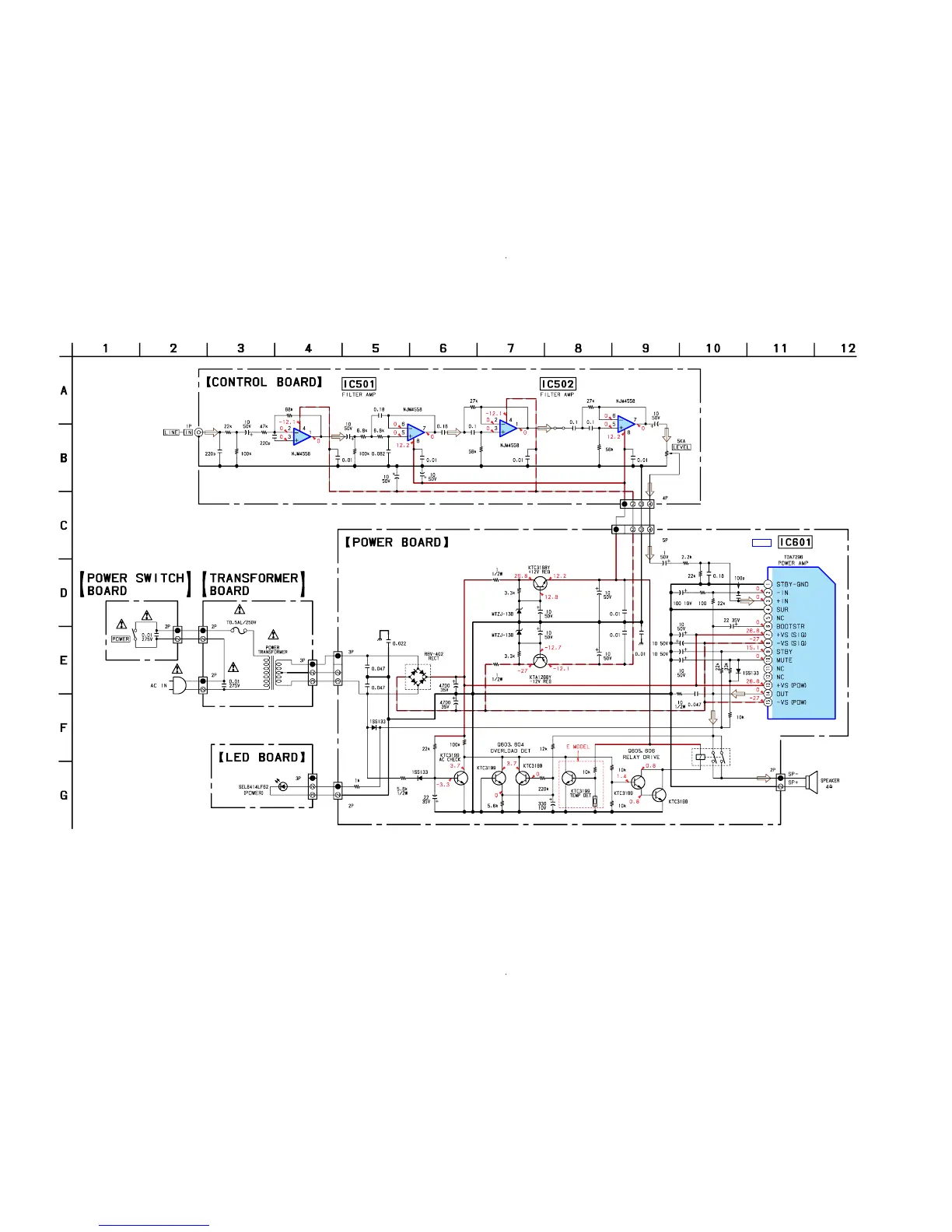
2-4. SCHEMATIC DIAGRAM (SA-WMS155) • Refer to page 6 for IC Block Diagram.
IC B/D
CN501
C502
C512
C601
C612
C801
C802
C813
R605
R607
R801
R802
C605
C610
C613
C805
C806
C807
C808
CN301
CN601
J501
C810
CN802
C504C505 C513C514
C501
R506 R507
R501
R508 R511
R509
R512
R504
R502 R505
C614
C803
C804
C809
C608
R604
R301
R601
R803
R804
R614
R610
R616
R618
R613
R602
R603
R606
R608
R609
R619
R620
C510
C516 C517
C507
C509
C607
C814
C815
C602
C508
VR501
SW801
IC501(1/2)
C503
R503
C506
IC502(2/2)
C518
IC501(2/2)
C511
IC502(1/2)
D803
D802
BC601
Q604
Q603
Q605
D601
Q606
C604
C611
D602
C606
BC301
SP1
D801
RLY601
C603
Q601
D603
IC601
Q801
Q802
D301
T801
R510
BC802 CN803
F801
TH601
R615
Q602
CN801
BC801

Related product manuals