EasyManua.ls Logo

Sony SA-WMSP76 - Page 13

Sony SA-WMSP76
44 pages
Print Icon
To Next Page IconTo Next Page
To Next Page IconTo Next Page
To Previous Page IconTo Previous Page
To Previous Page IconTo Previous Page
Loading...
*HWWLQJ6WDUWHG
PDVWHUSDJH5LJKW
OHQDPH>'?'DWDB6(0?-B'':8??*%&21B+7
'
':8IP@
13
US
PRGHOQDPH>+7'':@
>@
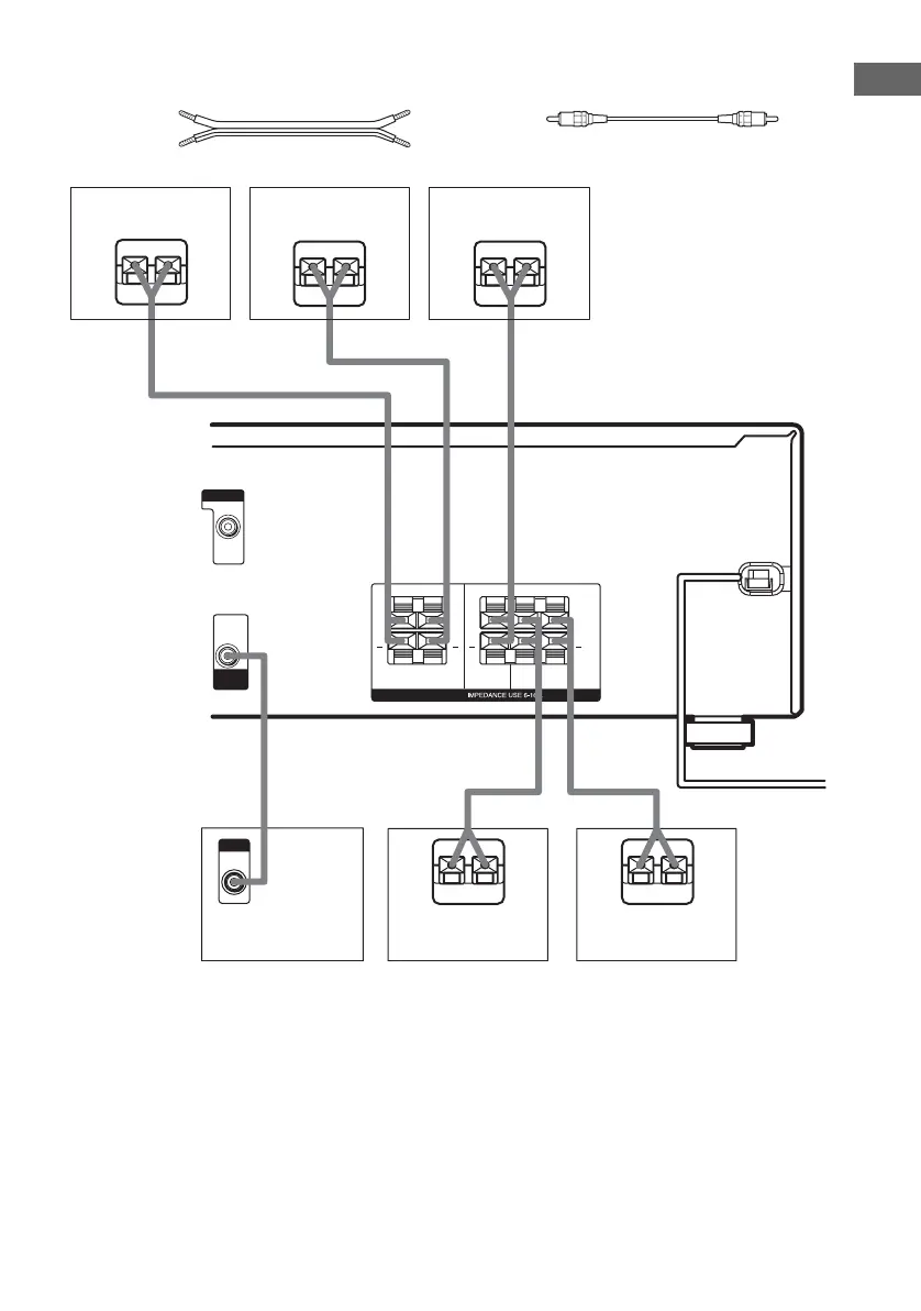
Required cords
A 6SHDNHUFRUGVVXSSOLHG

B 0RQDXUDODXGLRFRUGVXSSOLHG
%ODFN
±
MONITOR
SUB
WOOFER
VIDEO OUT
AUDIO
OUT
SPEAKERS
RL
RL
+ +
RL
RL
+ +
CENTER
SURROUND FRONT
Ee
A
Ee
A
E
e
A
INPUT
B
E
e
A
Ee
A
6XUURXQGVSHDNHU
5LJKW
6XEZRRIHU
6XUURXQGVSHDNHU
/HIW
&HQWHUVSHDNHU
)URQWVSHDNHU
/HIW
)URQWVSHDNHU
5LJKW
*%&29B+7'':8ERRN3DJH6XQGD\0D\30

Table of Contents

Other manuals for Sony SA-WMSP76

Related product manuals