EasyManua.ls Logo

Sony SL-5000 - 1-5. Disassembly Procedures; 1-5-1. Cabinet Removal

Sony SL-5000
81 pages
Print Icon
To Next Page IconTo Next Page
To Next Page IconTo Next Page
To Previous Page IconTo Previous Page
To Previous Page IconTo Previous Page
Loading...
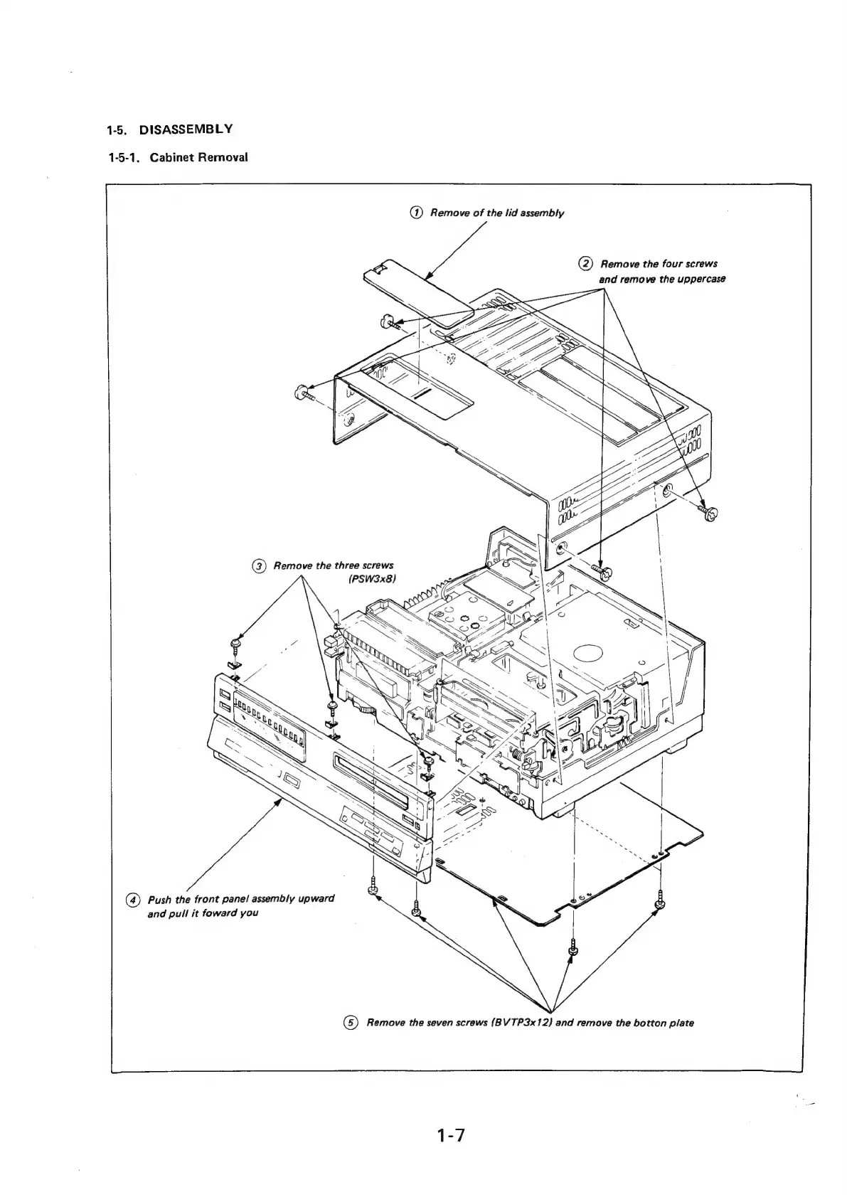
1-5,
DISASSEMBLY
Cabinet
Removal
1-5-1,
>
g
3
a
0
ASI
a
&
=
..
g
8
o
i
@)
Remove
the
four
screws
and
remove
the
uppercase
(PSW3x8)
@
Remove
the
three
screws
(@)
Push
the
front
panel
assembly
upward
and
pull
it
foward
you
®
Remove
the
seven
screws
(BVTP3x12)
and
remove
the
botton
plate
1-7

Related product manuals