EasyManua.ls Logo

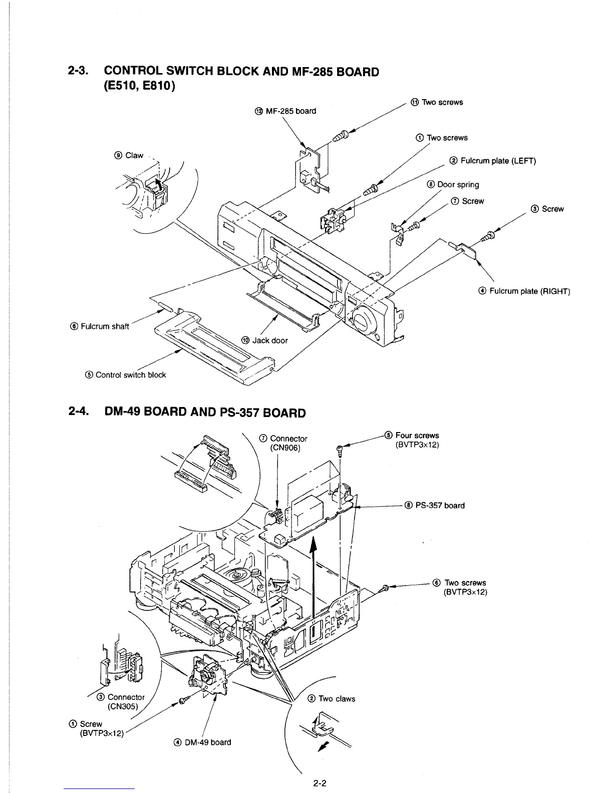
Sony SLV-E510EE - CONTROL SWITCH BLOCK AND MF-285 BOARD (E510, E810); DM-49 BOARD AND PS-357 BOARD

Sony SLV-E510EE
64 pages
Print Icon
To Next Page IconTo Next Page
To Next Page IconTo Next Page
To Previous Page IconTo Previous Page
To Previous Page IconTo Previous Page
Loading...

Table of Contents

Related product manuals