EasyManua.ls Logo

Sony SRF-R405 - Page 7

Sony SRF-R405
12 pages
Print Icon
To Next Page IconTo Next Page
To Next Page IconTo Next Page
To Previous Page IconTo Previous Page
To Previous Page IconTo Previous Page
Loading...
SRF-R405
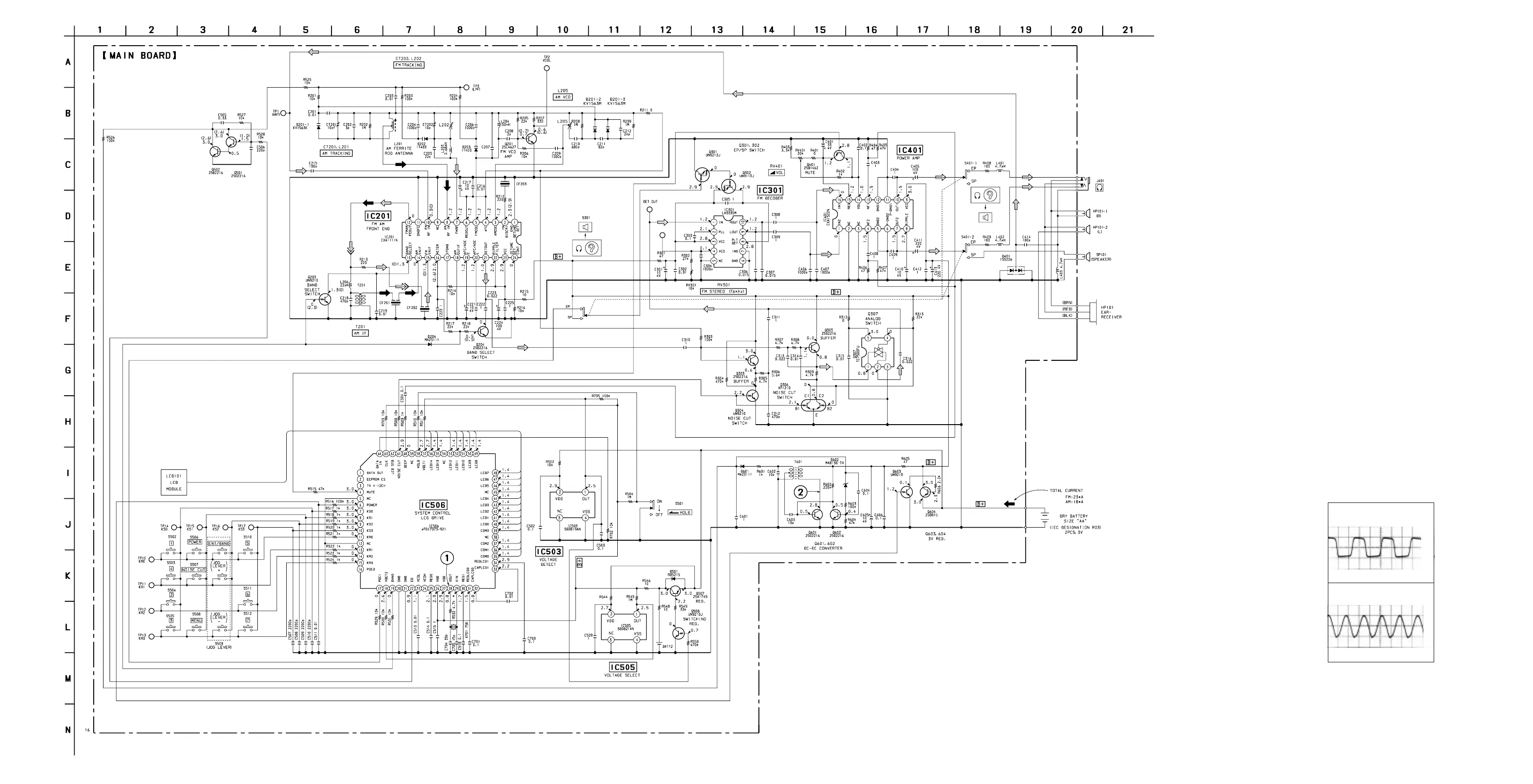
4-3. SCHEMATIC DIAGRAMS
Note on Schematic Diagram:
All capacitors are in µF unless otherwise noted. pF: µµF
50 WV or less are not indicated except for electrolytics
and tantalums.
All resistors are in and
1
/
4
W or less unless otherwise
specified.
¢
: internal component.
C : panel designation.
U : B+ Line.
H : adjustment for repair.
Power voltage is dc 3 V and fed with regulated dc power
supply from battery terminal.
Voltages and waveforms are dc with respect to ground
under no-signal (detuned) conditions.
no mark : FM
( ) : AM
Voltages are taken with a VOM (Input impedance 10 M).
Voltage variations may be noted due to normal produc-
tion tolerances.
Signal path.
F : FM
f : AM
• Waveform
1
IC506 @• (X OUT)
2
Q601 C
5µsec/1Vdiv
0.2µsec/2Vdiv
75kHz
3MHz
TP4
(76k)
4p
PLL LOW-PASS
FILTER
100k
S301
— 9 — — 10 — — 11 —
• Refer to page 13 for IC Block Diagrams.

Related product manuals