EasyManua.ls Logo

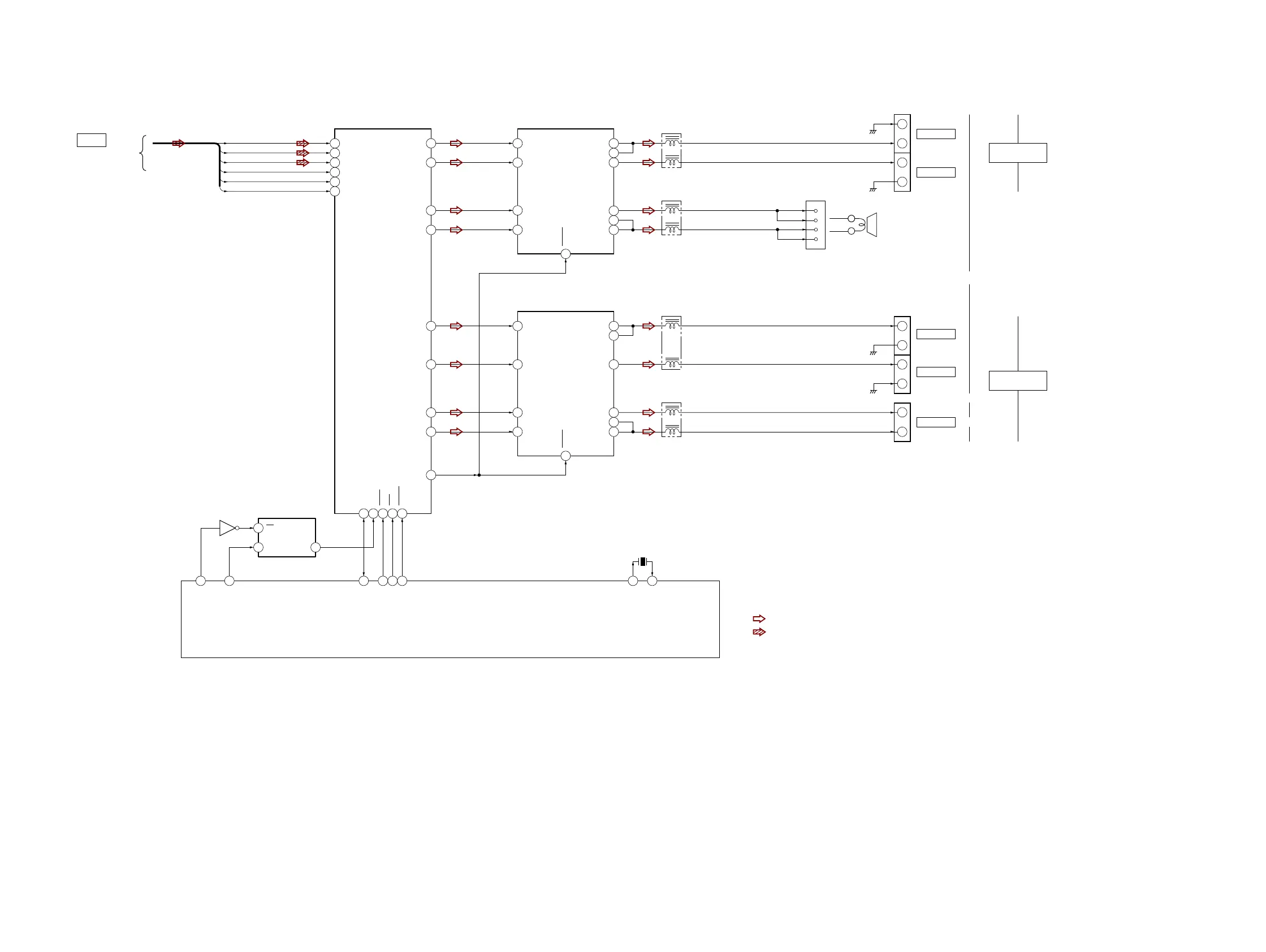
Sony SS-SRT4 - Block Diagram - AUDIO Section

Sony SS-SRT4
38 pages
Print Icon
To Next Page IconTo Next Page
To Next Page IconTo Next Page
To Previous Page IconTo Previous Page
To Previous Page IconTo Previous Page
Loading...
HT-RT4/RT40
HT-RT4/RT40
2222
5-2. BLOCK DIAGRAM - AUDIO Section -
SDA
20
SCL
21
MUTE
19
PDN
18
RESET
16
3
XTAL1
4
XTAL0
X2001
27MHz
SYSTEM PROCESSOR
IC2009
TAS SDA
31
TAS XMUTE
113
TAS XPND
104
TAS XRST
112
STREAM PROCESSOR
IC1001
SDIN1
PWM P 2
24
41
DIGITAL POWER AMP
IC1002
INPUT B OUT B
SL -
SR +
FR +
FL +
CTR +
CTR -
6
INPUT A5
INPUT D15
INPUT C14
35
OUT A
39
OUT D
28
OUT C
32
PWM P 3 43
PWM P 1 39
PWM M 1 38
SCLK23
LRCK22
MCLK11
SDIN427
L1002
L1001
RESET
4
PWM P 4 45
DIGITAL POWER AMP
IC1000
INPUT B OUT B6
INPUT A5
INPUT D15
INPUT C14
35
OUT A
39
OUT A
40
OUT D
28
OUT D 27
OUT C
32
PWM P 7 47
VALID
37
PWM M 8 48
PWM P 8 49
L1003
RESET
4
+
+
FRONT L
+
+
+
TB6000
TB6001
L1004
Q2001
6LJQDOSDWK
: AUDIO (DIGITAL)
: AUDIO (ANALOG)
MTK I2S OUT MCK
MTK I2S OUT LRCK
MTK I2S OUT BCK
DATA L R
SDIN2
25
DATA SL SR
DATA C SW
OUT A 40
OUT D 27
A2
5
G2
7
101
OLED CS
40
OLED TAS CLK
BUS BUFFER
IC2007
Y2 3
CN1001
1
2
3
4
SW-
SW-
SW+
SW+
FRONT R
CENTER
ONLY FOR SS-RT4
SPEAKERS
ONLY FOR SS-SRT4
SPEAKERS
>001B
MAIN CONTROL SECTION
(Page 21)
SUR R
SUR L
LOUDSPEAKER
-
+
-

Related product manuals