EasyManua.ls Logo

Sony STR-AZ3000ES - Page 259

Sony STR-AZ3000ES
459 pages
Print Icon
To Next Page IconTo Next Page
To Next Page IconTo Next Page
To Previous Page IconTo Previous Page
To Previous Page IconTo Previous Page
Loading...
Help Guide
Multi Channel AV Receiver
STR-AZ7000ES/STR-AZ5000ES/STR-AZ3000ES
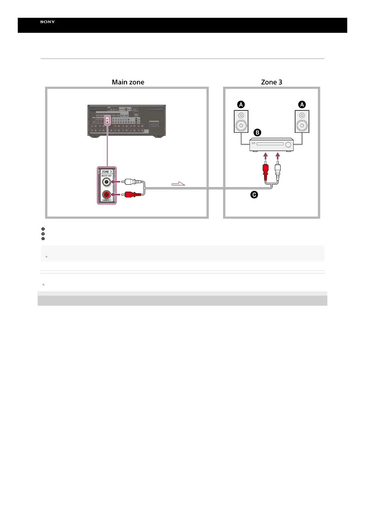
Connecting another amplifier in Zone 3
You can enjoy sound of the device connected to the receiver in a zone other than the main zone. For example, in the main zone you can watch DVDs and in zone 3 you can listen to
music received from music services.
Be sure to unplug the power cord before connecting the cable.
Speakers
Other amplifier/receiver
Audio cable (not supplied)
Note
Only devices connected to the analog audio input jacks and the built-in tuner (FM) can output signals to Zone 3. No signals are output from devices connected to only the digital input jacks.
Related Topic
Notes on connecting cables
5-037-021-11(1) Copyright 2022 Sony Corporation
170

Related product manuals