EasyManua.ls Logo

Sony STR-D365 - System Diagrams; Block Diagram

Sony STR-D365
33 pages
Print Icon
To Next Page IconTo Next Page
To Next Page IconTo Next Page
To Previous Page IconTo Previous Page
To Previous Page IconTo Previous Page
Loading...
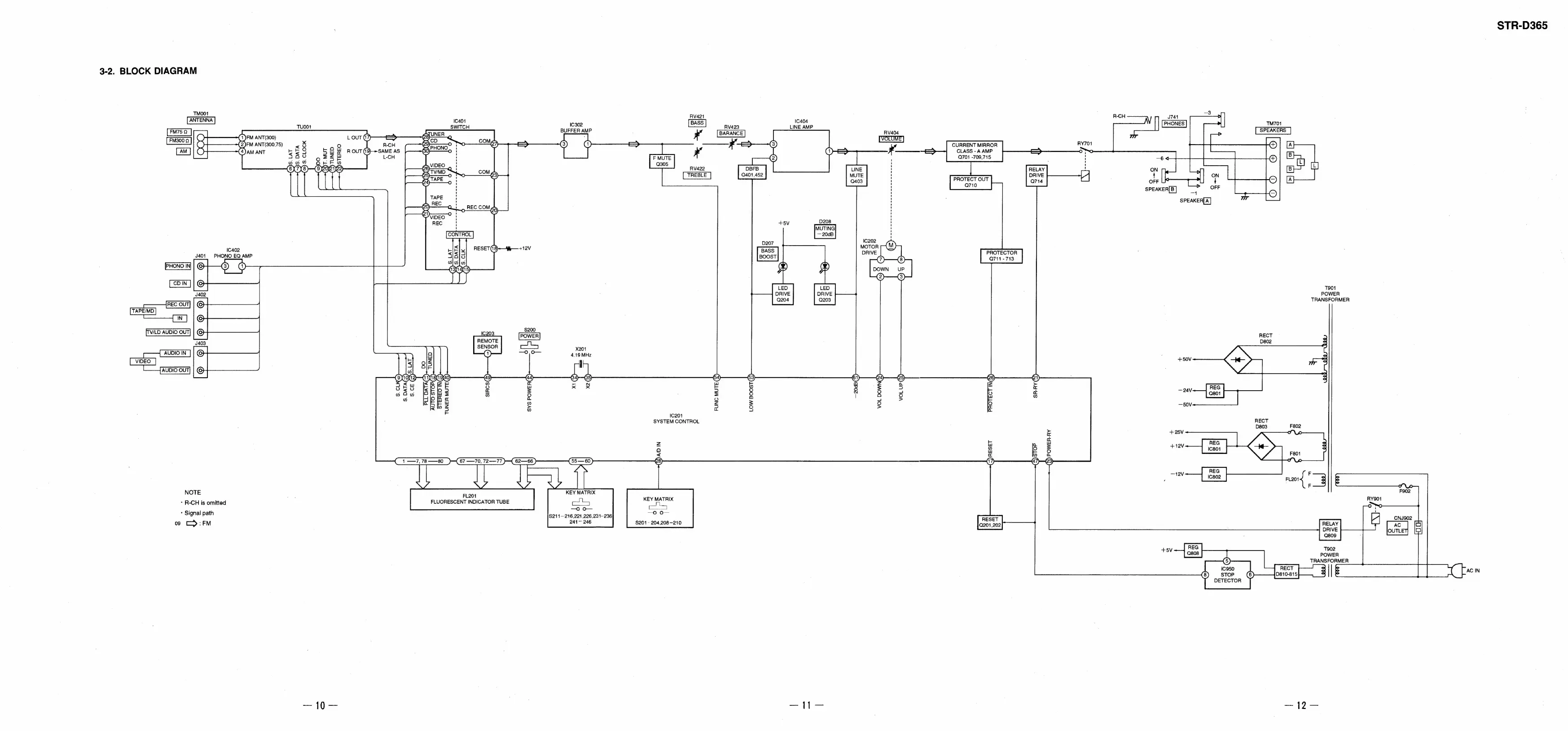
3-2.
BLOCK
DIAGRAM
EEO
RV421
ANTENNA
acs
[BASS
|
IC404
RV423
LINE
AMP
BUFFER
AMP
:
BARANCE
RVv404
FM300
o
(1)
FM
ANT(300)
[VOUUNE]
FM
ANT(300,75)
(3) (1)
—_—#"
—_
CURRENT
MIRROR
(4)
AM
ANT
x
x.
=
CLASS
-
A
AMP
=
Q701
-709,715
Q305
RELAY
DRIVE
PROTECT
OUT
Q714
Q710
RV422
DBFB
TREBLE
Q401
452
IC402
J401_
PHONO
EQ
AMP
[ow]|
©
Rage
PROTECTOR
(8)
Q711-713
REMOTE
SENSOR
@)
(8K100
OOCY
49)
84-85)
€4)
@5)
C6)
1)
<
=
1)
-
a
iz
>
SES
EES
P
v
=
=
3
E
7
-
&
.
is
a
=
8
Q
Fed
lO
o
a)
SiC
ii
=
re
a
>
hed
ce
BES
-
5
3
g
fe
jx
2
ra)
a
S
a
1C201
SYSTEM
CONTROL
4
2
2
we
b
(1—7,78—80
)
“TT
(67
—70,
72—77)
ei
Tet
68) 6?)
G?)
NOTE
oa
KEY
MATRIX
Pe
_
A
KEY
MATRIX
-
R-CH
is
omitted
FLUORESCENT
INDICATOR
TUBE
Signal
path
Sie
—o
O-
ignal
pat
$211—216,221
,226,231-236
|
sat
09
i)
-FM
241—
246
$201
-
204,208-210
cae
||
a
oat
eo
($3)
POWER-RY
RY701
ieee
J741
V
|]
peiones)
t
OFF
SPEAKER[B
|
SPEAKER[A
|
ae
TM701
SPEAKERS
TRANSFORMER
T901
POWER
RELAY
DRIVE
Qs0g
T902
POWER
TRANSFORMER
RECT
=
=
oe
|||
es
ee
CNJ902
AC
CI
OUTL
=
STR-D365

Other manuals for Sony STR-D365

Related product manuals