EasyManua.ls Logo

Sony STR-D515 - Page 15

Sony STR-D515
37 pages
Print Icon
To Next Page IconTo Next Page
To Next Page IconTo Next Page
To Previous Page IconTo Previous Page
To Previous Page IconTo Previous Page
Loading...
18
19
20
21
N
2
23
24
25
(HP
(B)
BOARD)
{HP
(A)
BOARD)
[
=
R741
1.2
172M
|
R742
1.2
1/20
y
sms
4
eal
J741
aeeced
MS
Ga
HEADPHONES)
R792
1.2
1/20
S$701-5
$701-6
CN702
CNP706
>
2
+
rl
i?
>
9
>
9
9
o
4]
>
CONNECTOR
BOARD]
P
is
{s
tsi
P
SW(A)
BOARD]
P
SW(B)
BOARD)
14701
TM601
(INPEBANCE
USE
8-160)
(INPEBANCE
USE
8-160)
1901
BOARD
A
$901
VOLTAGE
SELECTOR
a
4
1
120V
R655
0603
5.6k
=
28C2785
RELAY
@RIVE
|
|
!
!
I
er
oa
Fs
1
I
I
I
1
|
TRANS
TM
BOARD
6800
S5é6V
(515)
'
ayer
cca
Rape
CNPS07
£802
RBV602
ro-5
Co
ee
ud!
i
o
O
feed
een
Teel
ol
=
Lolz
wl
of
ba
ta
[La
[2
oz
2
|
A
lis
of
ol
oh
tue
Loh
2a
of
No
o
oft
ol
a0).
=
oft
A
|
:
S
Bed!
ts
>,
—O-
cNP806
=
cNs801
o
Ut.
a
QQOQQQQ0
—_
iF
;
Ta
Li\
CNJ903
AC
OUTLET
F903
TI.6AL
250V
AEP,
G,
AUS
4
9807
256809
+5V
REG
m
ls
Fo}
4
ot
Tol
Pe
a
tle}
“3
Bud!
eso
\tol
S
1902
|
|
been
ewes!
0814
1N4148M
l
=
0815
1N41486
%
NOT
REPLACEABLE:
BUILT
IN
TRANSFORMER.
CONNECTOR
1
(A)
BOARD
E
MOBEL
rae,
[vou
SELECT
220V-240V<-120V
STR-D515/D615
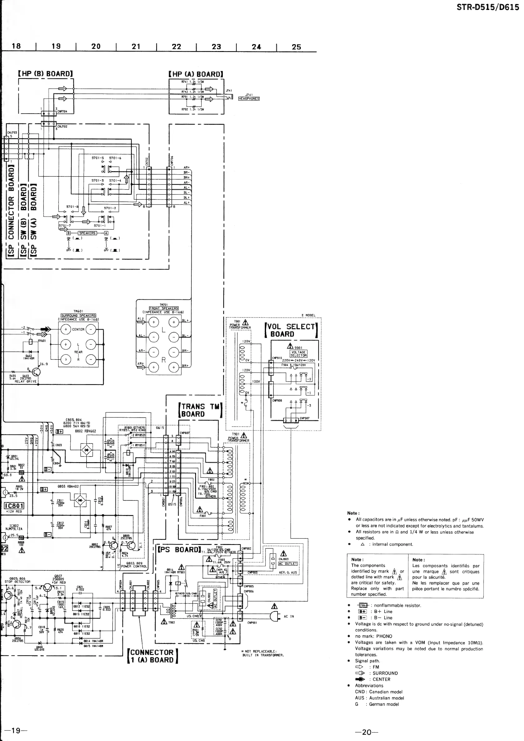
Note:
All
capacitors
are
in
1
F
unless
otherwise
noted.
pF
:
uuF
50WV
or
less
are
not
indicated
except
for
electrolytics
and
tantalums.
e@
All
resistors
are
in
Q
and
1/4
W
or
less
unless
otherwise
specified.
e
A:
internal
component.
Note:
Note:
The
components
identified
by
mark
A
or
dotted
line
with
mark
\
are
critical
for
safety.
Replace
only
with
part
number
specified.
Les
composants
identifiés
par
une
marque
A
sont
critiques
pour
la
sécurité.
Ne
les
remplacer
que
par
une
piéce
portant
le
numéro
spécifié.
e
Ex}
:
nonflammable
resistor.
[B+]
:
B+
Line
(B=)
:
B—
Line
Voltage
is
de
with
respect
to
ground
under
no-signal
(detuned)
conditions.
no
mark:
PHONO
Voltages
are
taken
with
a
VOM
(Input
Impedance
10MQ).
Voltage
variations
may
be
noted
due
to
normal
production
tolerances.
Signal
path.
c>
:FM
=>
:
SURROUND
=>
=
CENTER
Abbreviations
CND:
Canadian
model
AUS
:
Australian
model
Gs:
German
model

Other manuals for Sony STR-D515

Related product manuals