EasyManua.ls Logo

Sony STR-DE698 - Page 16

Sony STR-DE698
64 pages
Print Icon
To Next Page IconTo Next Page
To Next Page IconTo Next Page
To Previous Page IconTo Previous Page
To Previous Page IconTo Previous Page
Loading...
masterpage:Left
lename[D:\Sony SEM ju\DATA_STR-
D
E698_Revision3\J9050212_2560571131DE698_UCA\2560571131\GB03CON_STR-DE698-
U
CA.fm]
model name1[STR-DE698]
[2-560-571-13(1)]
16
GB
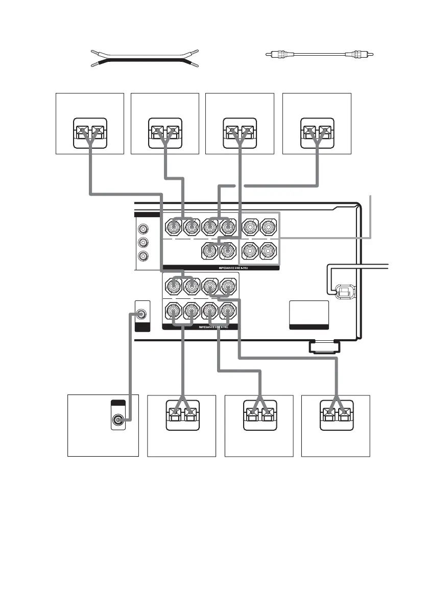
Required cords
A Speaker cords (not supplied)
(+)
B Monaural audio cord (not supplied)
Black
(–)
* If you have an additional front speaker system, connect them to the SPEAKERS FRONT B terminals. You can
select the front speakers you want to use with the SPEAKERS (OFF/A/B/A+B) button. For details, see “Selecting
the speaker system” (page 43).
**If you connect only one surround back speaker, connect it to the SPEAKERS SURROUND BACK L jack.
AUDIO
OUT
CENTER
SPEAKERS
SUB
WOOFER
L
R
+
+
MONITOR
OUT
NT VIDEO
Y
P
B/CB
/B–Y
P
R/CR
/R–Y
FRONT A
LR
L
+
AC OUTLET
A
Ee
A
Ee
A
Ee
E
e
A
INPUT
AUDIO
IN
B
E
e
A
SPEAKERS
FRONT B*
E
e
A
Ee
A
SURROUND BACK
LR
+
SURROUND
SPEAKERS
+
R
FRONT B
Sub woofer
Surround back
speaker (Left)**
Center speakerSurround back
speaker (Right)**
Front speaker
(Right)
Surround speaker
(Right)
Surround speaker
(Left)
Front speaker
(Left)
GB01COV_STR-DE698-UCA.book Page 16 Wednesday, February 23, 2005 10:14 AM

Table of Contents

Other manuals for Sony STR-DE698

Related product manuals