EasyManua.ls Logo

Sony STR-DE698 - Page 9

Sony STR-DE698
64 pages
Print Icon
To Next Page IconTo Next Page
To Next Page IconTo Next Page
To Previous Page IconTo Previous Page
To Previous Page IconTo Previous Page
Loading...
Getting Started
masterpage:Right
lename[D:\Sony SEM ju\DATA_STR-
D
E698_Revision3\J9050212_2560571131DE698_UCA\2560571131\GB03CON_STR-DE698-
U
CA.fm]
model name1[STR-DE698]
[2-560-571-13(1)]
9
GB
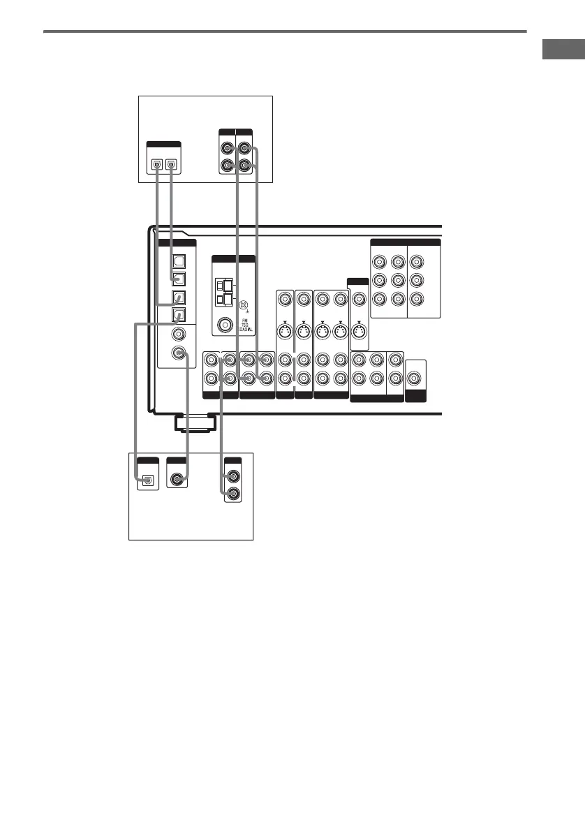
Hooking up an MD/Tape deck or a Super Audio CD/CD player
For details on the required cords (AH), see page 6.
Tip
All the digital audio jacks are compatible with 32 kHz, 44.1 kHz, 48 kHz and 96 kHz sampling frequencies.
Notes
It is not possible to record analog signals to components connected to the MD/TAPE OUT or VIDEO 1 AUDIO
OUT jacks if you make only digital connections. Likewise, you cannot record digital signals if you make only
analog connections. To record analog signals, make analog connections. To record digital signals, make digital
connections.
The sound is not output when you play a Super Audio CD on the Super Audio CD player connected to the
SA-CD/CD OPTICAL IN or SA-CD/CD COAXIAL IN jack on this receiver. Connect to the analog input jacks
(SA-CD/CD IN jacks). Refer to the operating instructions supplied with the Super Audio CD player.
S-VIDEO
OUT
VIDEO 1
MULTI CH IN
FRONT
CENTER
SUB
WOOFER
SURROUND
S-VIDEO
IN
VIDEO IN
AUDIO IN
AUDIO
OUT
S-VIDEO
IN
VIDEO IN
S-VIDEO
OUT
VIDEO OUT
VIDEO 2
AUDIO IN
MD/
TAPE
IN
MD/
TAPE
OUT
SA-CD/
CD
IN
SA-CD/
CD
IN
DVD
IN
COAXIAL
AUX MD/TAPE
SA-CD
/
CD
L
R
L
R
SUB
WOOFER
L
R
L L
R
OUT ININ IN
S-VIDEO
IN
VIDEO IN
DVD
AUDIO IN
AUDIO OUT
VIDEO OUT
DVD
IN
VIDEO 2
IN
MONITOR
OUT
COMPONENT VIDEO
Y
ASSIGNABLE
P
B/CB
/B–Y
P
R/CR
/R–Y
AM
MONITOR
E
EAAE
FA
DIGITAL
OPTICAL
OUT
LINE
L
R
OUTPUT
OUT
l
l
l
LINELINE
INPUT OUTPUT
DIGITAL
OPTICAL
IN
OUT
IN
l
IN OUT
DIGITAL
COAXIAL
OUTPUT
L
R
L
R
DIGITAL
OPTICAL
VIDEO 2
IN
ANTENNA
MD/Tape deck
Super Audio CD/
CD player
GB01COV_STR-DE698-UCA.book Page 9 Wednesday, February 23, 2005 10:14 AM

Table of Contents

Other manuals for Sony STR-DE698

Related product manuals