EasyManua.ls Logo

Sony STR-DE997 - Speaker Connection Guidelines

Sony STR-DE997
64 pages
Print Icon
To Next Page IconTo Next Page
To Next Page IconTo Next Page
To Previous Page IconTo Previous Page
To Previous Page IconTo Previous Page
Loading...
masterpage:Left
lename[C:\Documents and
S
ettings\pc13\Desktop\J9031715_4255361111DE997U\4255361111\GB03CON_STR-DE997-
U
.fm]
16
US
model name1[STR-DE997]
[4-255-361-11(1)]
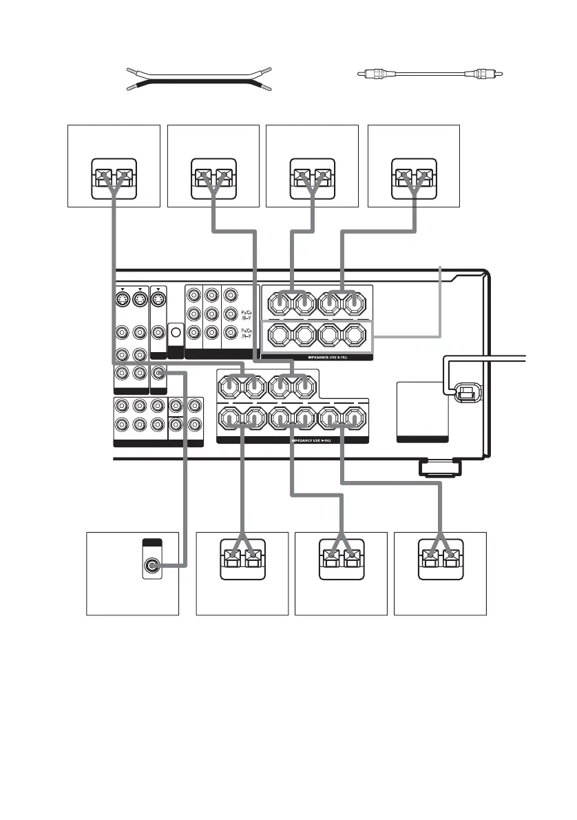
Required cords
A Speaker cords (not supplied)
(+)
B Monaural audio cord (not supplied)
Black
(–)
* If you have an additional front speaker system, connect them to the SPEAKERS FRONT B terminals. You can
select the front speakers you want to use with SPEAKERS (OFF/A/B/A+B) button. For details, see “Selecting the
speaker system” (page 42).
** If you connect only one surround back speaker, connect it to the SPEAKERS SURROUND BACK L terminals.
SPEAKERS
PRE OUT
SUB
WOOFER
MONITOR
FRONT A
R
FRONT B
R
SURROUND
LR
+ +
+
L
R
L
R
L
R
FRONT SURROUND
SURR
BACK
S-VIDEO
OUT
S-VIDEO
OUT
S-VIDEO
IN
VIDEO 1
VIDEO OUT
TV/SAT
IN
DVD
IN
AUDIO OUT
VIDEO IN
AUDIO IN
L
R
CTRL
A1 II
Y
SURROUND BACK
OUT
2ND ZONE
L
AC OUTLET
L
MONITOR
OUT
SUB
WOOFER
CENTER
COMPONENT VIDEO
(ASSIGNABLE)
MULTI CH IN 1
E
e
A
INPUT
AUDIO
IN
B
E
e
A
SPEAKERS
FRONT B*
E
e
A
Ee
A
Ee
A
Ee
AA
Ee
SPEAKERS
CENTER
++
VIDEO OUT
LR
Sub woofer
Front speaker
(Left)
Front speaker
(Right)
Surrond speaker
(Left)
Surround speaker
(Right)
Surround back
speaker (Right)**
Surround back
speaker (Left)**
Center speaker
GB01COV_STR-DE997-U.book Page 16 Friday, April 2, 2004 11:00 AM

Table of Contents

Other manuals for Sony STR-DE997

Related product manuals