EasyManua.ls Logo

Sony STR-GX415 - Block Diagram Overview

Sony STR-GX415
31 pages
Print Icon
To Next Page IconTo Next Page
To Next Page IconTo Next Page
To Previous Page IconTo Previous Page
To Previous Page IconTo Previous Page
Loading...
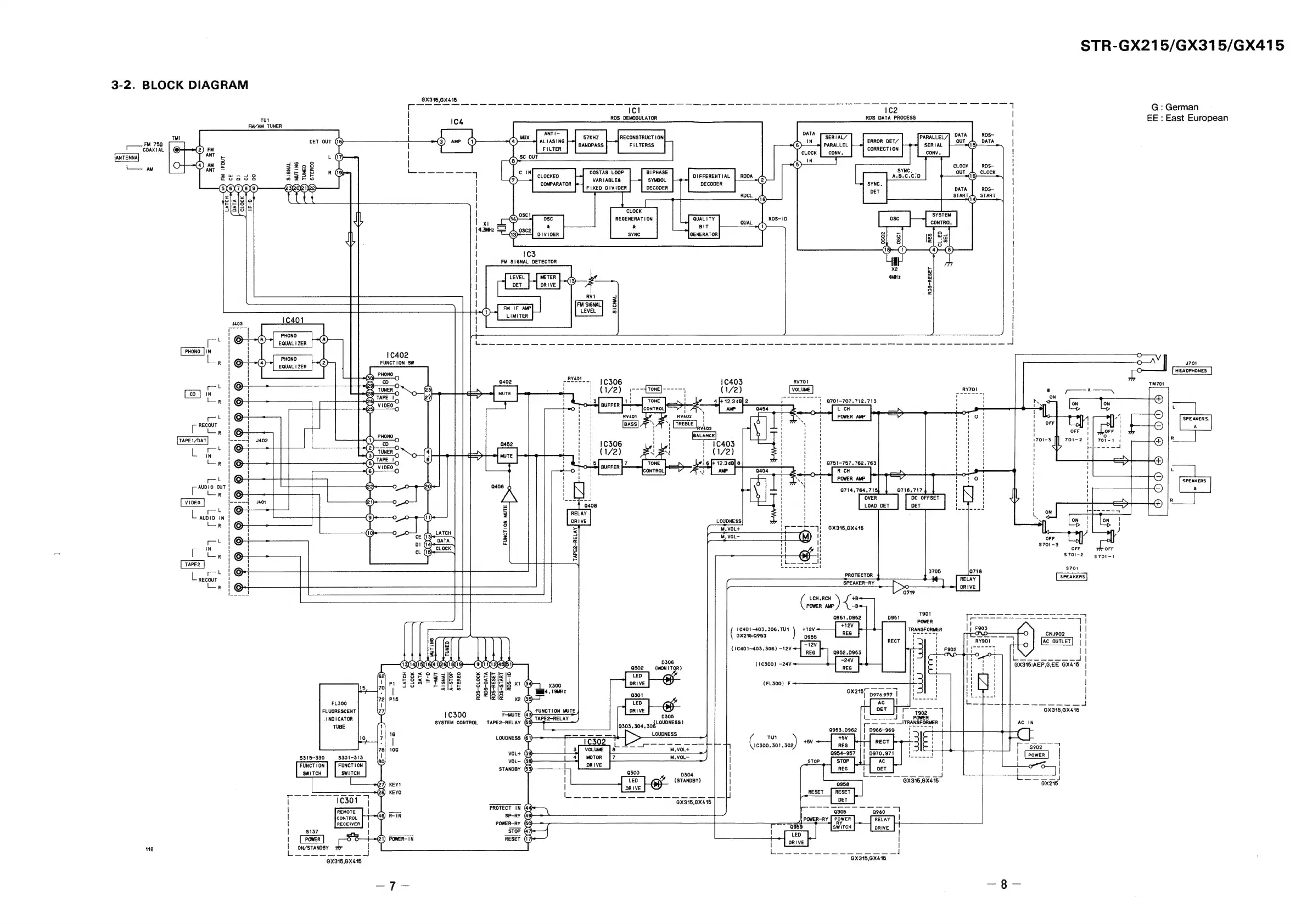
3-2.
BLOCK
DIAGRAM
FM
750
COAXIAL
L—
mw
118
r
L
r
iB
r
E
STR-GX215/GX315/GX415
6X316,6X416
=e
fe
Sate
eee
ee
de
ee
7
1C1
1c2
G:
German
Tu
|
Ic
ROS
DEMODULATOR
ROS
DATA
PROCESS
EE
:
East
European
FM/AM
TUNER
|
one
S7KHZ
RECONSTRUCTION
SERIAL
ROS
|
ROR
DET,
DATA
|
@ ®
@)
oe
BANDPASS
FILTERSS
(6)
PARALLEL
ae
fom
a,
SERIAL
(8)
|
|
CONV,
CONV.
|
3
(8)
2
|
(5)
Or
RDS~
|
sueae
8®5Z248
ROS
YH
-—-—-——-—
!
ae
clock
z
2
7
cLocKED
uae
i
or
DIFFERENTIAL
®
A.B.C.C:D
(16)
|
COMPARATOR
mo
DECODER
(5X6X7X8X9)
e302
N22)
|
FIXED
DIVIDER
DECODER
RDS-
|
START
aa
tt
|
|
|
clock
|
SYSTEM
i
|!
"
4)
osc
REGENERATION
QUALITY
RDS-1D
[ose
|
|
j43Mu
ES
tea
s
&
BIT
(1)
|
I
|
(43)
DIVIDER
SYNC
GENERATOR
a2
|
|
3h
!
|
1C3
C-W)
O-®
|
|
FM
SIGNAL
DETECTOR
||
|
x2
5
|
|
4MHz
Hi
|
ae
|
is
|
|
2
ad
|
|
|
Zz
|
a
FM
IF
ANP
3
|
LIMITER
|
seis
1¢401
|
eae
|
am)
!
|
PHONO
I
1
t
E
i
O-
©)
couatizer
[7O
ha
Se
ee
ee
se
Se
|
1
1
!
f
10402
! {
PHONO
1
1
rR
!@
t
(4)
PoNRCizeR
(2)
FUNCTION
SW
y708
ete
! |
RY4041
ou
an
a4oz
7f--.
10306 10403
av701
be
=
~
ae
8
a
!
T
:
t
1
-
ON
r
|
@+—-—_
G6)
!
13
1
TONE
1
4fri2.3cB]
2
1
Q701-707.712,713
Na
1
C)
'
ON
\ i
f
fT
es
VIDEO
Leo
!
aa
1
[CONTRO
a
\
‘AMP
454;
5!
L
cH
;
|
>
L
mt
iGo
poy
avo
De
Ty
avioz
|
ras
*"|_POWER
AMP
Vv
1
Wy
*|
1
'
=
a
Oo
REcoUT
|
I
yea
AT:
(REBLE
J
»
I
|
OFF
b
LriGOo
'
re
i
1
-
i
t
1
'
OFF
i
H
AOA
'
1
BALANCE]
°)
i
1
q
1-4
402
'
arc
:
1 1
i
i
1701-3
701-2
R
.
6!
'
1
1
16306
a
T
1C403
a
oe
in
oe
toi:
(172)
Zs!
Bs:
1
(172)
'
an
'
!
1
1
!
L_rei@G@s
1
ers
z
TONE
n__
brig
hr
12.305]8
'
|}
Q751-757,762,763
i
'e
oi
oa
an
=>
!
;
|
=
ike
La
ST
eyo
te
:
AUD
Oe
OUT
i
\
NI
1
H
1
ot
0714,764,71
\
8
Lr!@9
1
i
»
1 1 ! '
ee
sot
a
oe
et
OVER
DC
OFFSET
.
L'16
1
w
a4o8
1 i
tt
LOAD
DET DET
!
H
O
aio
ia
|
i
2
RELAY
!
Pog
Lon
aa
teeta
©
d
z
DRIVE
LOUDNESS
'
1
ot
R
on
Be
1
=
>
M.VOL+
tO
TEA!
6xX316,6x416
|
{
1
S
s
I
om
mt!
Gr
5
Fe
OFF
IN
!
H
g
S78
ore
1
!
ws
Lo
Re
16
i
z
$701-2
1 1
! i
$701
! 1
D705 0718
rt
1
©
PROTECTOR
RecouT
| H
|
SPEAKERCRY
RELAY
Lr!
©
-
[>e
DRIVE
laneeal
0749
LCH,RCH
+8
POWER
AMP
-B
T90l
0
eee
=
1,095:
cnc
i.
fea
eee
See
sats
ad
20
2
p95
sauce
[-
71
(
16401~403,
306,
TU1
)
+12V
TRANSFORMER
énieun
I]
6X216:0953
D955
nee
'
=~
=
Ta
Hd
(1¢401~403,306)
-1av—4
2
ies
t
pgge
|lienan5
scone
1
A
REG
09520953
H
11
ON
N35
D306
(16300)
-24v
v
OX316:AEP,
eau.
|
9302_
(MONITOR)
REG
‘here
|
x“
<[e
[r
jo
Cn
Cea
ara
LED
(i)
3
F
:
ele
x1
DRIVE
(FL300)
F
<—
1
iz
c--ca4
8214/8
Q3o1
X28)
976,977
|
|
ia
oe
lee
x2
Ma
|
FL300
LED
oz
ae
[ease
i)
tek
es
ef)
FLUORESCENT
a
DRIVE
N7
|
|
oer
Tt
6X316,6X415
EMOTE
902
INDICATOR
1€300
0305
L
Jt
power
|
ie
'
SYSTEM
CONTROL
TAPE2-RELAY
a303,304,
30LCUDNESS)
p=
—ITRANSFORMER
|
i
LGuaKESS
a953,0962
||
n966-969
| 1
7
LOUDNESS
SSS
>
Tu
eo
re
ae
ee
!
'
Palicioe
16300,
301,302
REG
' H
aaa
VoL+
|
954-957
|!
p970.971
|
|
$315-330
_$301-313
|
iol:
<
sy
4
Motor
[7
M.VOL-
|
Ste
a
le
tee---s
FUNCTION]
[FUNCTION
SeaneEy
DRIVE
|
'
o
|
SWITCH
SWITCH
|
Q300
%
D304
|
te
4
|
LEO
|
4X
(STANDBY)
|
6X316,6X416
oxaie.
I
orive
|
©
a
a
ee
=
!
H
RESET
i301
|
SOOT.
per
PROTECT
IN
-=
--=
|
Rewore
|
|
Say
a
/
0306
avo
|
CONTROL
BOWER-RY.
60
POWER-RY
FOWER
RELAY
|
i
RECEIVER]
|
ry
siitcu
aaWe
|
8137
|
SE
Se)
|
ie
RESET
|
|
oN/STANDBY
|
|
foe
OSS
HO
AE
J
L
eae
as
J
6X316,6X416
G6X315,6X415

Related product manuals