EasyManua.ls Logo

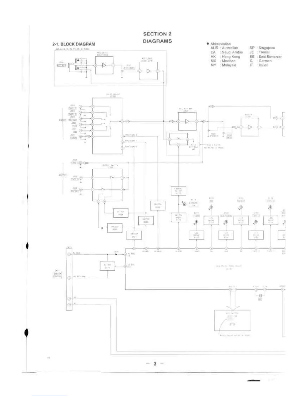
Sony TA-EX5 - Diagrams; Block Diagram

Sony TA-EX5
29 pages
Print Icon
To Next Page IconTo Next Page
To Next Page IconTo Next Page
To Previous Page IconTo Previous Page
To Previous Page IconTo Previous Page
Loading...

Related product manuals