EasyManua.ls Logo

Sony TC-V3 - Page 4

Sony TC-V3
29 pages
Print Icon
To Next Page IconTo Next Page
To Next Page IconTo Next Page
To Previous Page IconTo Previous Page
To Previous Page IconTo Previous Page
Loading...
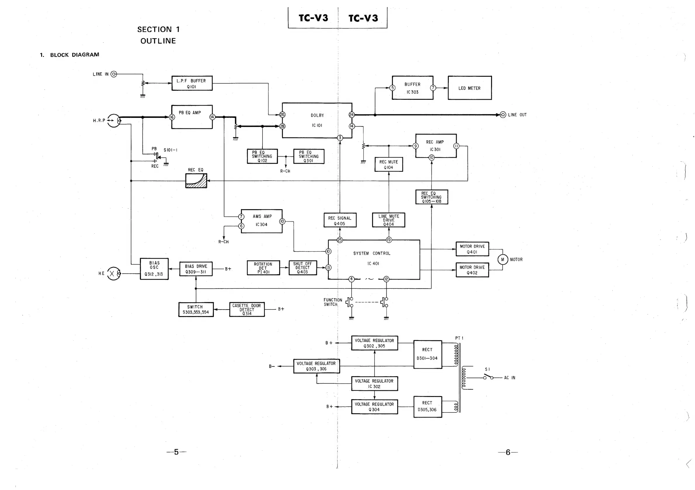
BLOCK
DIAGRAM
LINE
IN
©)
H.R.P
<>
ne
KB
SECTION
1
OUTLINE
=
|
LED
METER
oY
IC
303
o
PB
EQ
AMP
€O)
LINE
OUT
REC
AMP
IC
301
(0)
@)
()
REC_EQ
SWITCHING
Q105—
108
SYSTEM
CONTROL
MOTOR
DRIVE
Q40l
(1)
MOTOR
BIAS
SHUT
OFF
IC
401
osc
BIAS
DRIVE
DETECT
MOTOR
DRIVE
Q3l2
,313
Q309—31I
0403
9402
FUNCTION
JO
7
ah
SWITCH
CASETTE
DOOR
A
SWITCH,
$303,553
,554
Daa
|
fl
D30I—304
VOLTAGE
REGULATOR
cas
Q304
=f

Related product manuals